|
Obecny czas: 13 Sty 2026, 19:19
|
Zobacz posty bez odpowiedzi | Zobacz aktywne tematy
|
Strona 1 z 1
|
[ 11 posty(ów) ] |
|
| Autor |
Wiadomość |
|
Pila |
#818657 Wysłany:
01 Lut 2017, 21:40; Temat postu: Brak świateł drogowych "długich" |
|
 |
| Forumowicz |
Imię: Kinga
Samochód: Grande Punto 5d
Silnik: 1.3 90KM mJTD
Paliwo: ON
Województwo: świętokrzyskie [T]
Rejestracja: 01 Lut 2017, Posty: 3
|
|
Witam jestem nowym posiadaczem grande punto i mam problem ze swiatlami drogowymi... Nie zapalaja sie. Na zegarach pokazuje ze dzialaja ale gasna swiatla mijania a dlugich brak... Czego to wina bezpieczniki ok nowe zarowki prosze o pomoc
|
|
| Góra |
|
 |
|
|
|
Jerry1960 |
#818669 Wysłany:
02 Lut 2017, 10:27; Temat postu: Re: Brak świateł drogowych "długich" |
|
 |
| Puntoświr |
Samochód: Grande Punto 5d
Silnik: 1.4 8V 77KM
Paliwo: Benzyna
Wersja: Active
Województwo: podkarpackie [R]
Rejestracja: 27 Wrz 2011, Posty: 180 Pomógł: 11
|
|
Sprawdź przekaźniki w skrzynce bezpieczników.
|
|
| Góra |
|
 |
|
Pila |
#818676 Wysłany:
02 Lut 2017, 12:40; Temat postu: Re: Brak świateł drogowych "długich" |
|
 |
| Forumowicz |
Imię: Kinga
Samochód: Grande Punto 5d
Silnik: 1.3 90KM mJTD
Paliwo: ON
Województwo: świętokrzyskie [T]
Rejestracja: 01 Lut 2017, Posty: 3
|
|
Który przekaźnik za to odpowiada ??
|
|
| Góra |
|
 |
|
Jerry1960 |
#818677 Wysłany:
02 Lut 2017, 12:47; Temat postu: Re: Brak świateł drogowych "długich" |
|
 |
| Puntoświr |
Samochód: Grande Punto 5d
Silnik: 1.4 8V 77KM
Paliwo: Benzyna
Wersja: Active
Województwo: podkarpackie [R]
Rejestracja: 27 Wrz 2011, Posty: 180 Pomógł: 11
|
|
Napiszę Ci około 18 jak będę w domu.
|
|
| Góra |
|
 |
|
misci |
#818692 Wysłany:
02 Lut 2017, 17:06; Temat postu: Re: Brak świateł drogowych "długich" |
|
 |
| Puntoświr |
 |
Samochód: Punto Evo 3d
Silnik: 1.4 8V 77KM
Paliwo: Benzyna + LPG
Wersja: MyLive
Województwo: śląskie [S]
Rejestracja: 22 Paź 2014, Posty: 833 Pomógł: 27
|
|
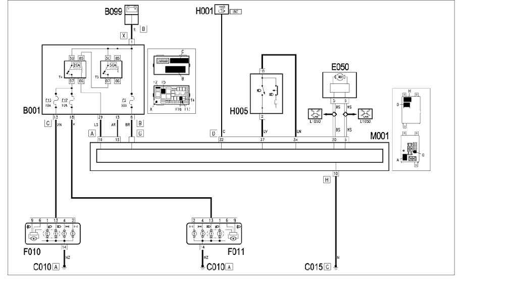
Napięcie z aku podawane jest na styk i cewkę przekaźnika T5. T5 podaje napięcie na cewkę T4 uruchamiającą jego styk podłączony do aku i podający napięcie na bezpiecznik F16 i F17 - osobny dla lewego i prawego światła drogowego. Po bezpiecznikach napięcie dociera do żarówek świateł drogowych. Drugie końcówki przekaźników T5 i T4 sterowane są osobnymi sygnałami z komputera pokładowego. Oba przekaźniki i bezpieczniki znajdują się w skrzynce w przedziale silnika. Jeśli nie świecą oba światła drogowe to uszkodzenie może istnieć w stykach lub/i cewkach przekaźników T5 lub/i T4, dopływie prądu z akumulatora bądź może polegać na awarii komputera pokładowego lub prozaicznie leżeć w wyłączniku świateł drogowych. Z uwagi na to, że styki manetki kierunkowskazów dają ludziom w kość to największe prawdopodobieństwo usterki moim zdaniem występuje w manetce. P. S. Dotyczy Grande Punta - na podstawie schematu zamieszczonego w książce Zembowicza.
|
|
| Góra |
|
 |
|
Jerry1960 |
#818711 Wysłany:
03 Lut 2017, 08:48; Temat postu: Re: Brak świateł drogowych "długich" |
|
 |
| Puntoświr |
Samochód: Grande Punto 5d
Silnik: 1.4 8V 77KM
Paliwo: Benzyna
Wersja: Active
Województwo: podkarpackie [R]
Rejestracja: 27 Wrz 2011, Posty: 180 Pomógł: 11
|
|
Potwierdzam post kolegi "misci". Zamień na chwilę przekaźniki od świateł z dowolnymi które są w skrzynce bezpieczników.
|
|
| Góra |
|
 |
|
Pila |
#819029 Wysłany:
08 Lut 2017, 13:27; Temat postu: Re: Brak świateł drogowych "długich" |
|
 |
| Forumowicz |
Imię: Kinga
Samochód: Grande Punto 5d
Silnik: 1.3 90KM mJTD
Paliwo: ON
Województwo: świętokrzyskie [T]
Rejestracja: 01 Lut 2017, Posty: 3
|
|
Posiadacie może schemat przekaźników który dokładnie jest T5 i T4 ??
|
|
| Góra |
|
 |
|
abel |
#819031 Wysłany:
08 Lut 2017, 14:24; Temat postu: Re: Brak świateł drogowych "długich" |
|
 |
| Puntoświr |
Samochód: Inny Fiat
Silnik: Inny
Paliwo: Benzyna
Wersja: Emotion
Województwo: warmińsko-mazurskie [N]
Miejscowość: ełk Rejestracja: 12 Cze 2007, Posty: 574 Pomógł: 18
|
|
Jeżeli masz prostokątna skrzynkę bezpieczników
| Załączniki: |
Komentarz do pliku: T5 jest wyżej
św drogowe.png [ 71.65 KiB | Obejrzany 6725 razy ]
|
|
|
| Góra |
|
 |
|
marwooj |
#831211 Wysłany:
23 Lis 2017, 18:27; Temat postu: Re: Brak świateł drogowych "długich" |
|
 |
| Puntomaniak |
Samochód: Grande Punto 5d
Silnik: 1.4 8V 77KM
Paliwo: Benzyna
Województwo: dolnośląskie [D]
Rejestracja: 29 Gru 2009, Posty: 84
|
|
Witam, ja mam odwrotnie permanentnie włączono, co to możne być?
|
|
| Góra |
|
 |
|
cedec1 |
#831212 Wysłany:
23 Lis 2017, 18:54; Temat postu: Re: Brak świateł drogowych "długich" |
|
 |
| Klubowicz |
 |
Imię: Krzysztof
Samochód: Grande Punto 3d
Silnik: 1.4 8V 77KM
Paliwo: Benzyna
Wersja: Emotion
Województwo: małopolskie [K]
Miejscowość: Nowy Targ Rejestracja: 02 Lis 2011, Posty: 2265 Pomógł: 51
|
|
co masz odwrotnie ?
_________________ topic57539.html <---- moje Grande Punto z rzeszy
|
|
| Góra |
|
 |
|
marwooj |
#831239 Wysłany:
24 Lis 2017, 15:25; Temat postu: Re: Brak świateł drogowych "długich" |
|
 |
| Puntomaniak |
Samochód: Grande Punto 5d
Silnik: 1.4 8V 77KM
Paliwo: Benzyna
Województwo: dolnośląskie [D]
Rejestracja: 29 Gru 2009, Posty: 84
|
światła się świecą permanentnie : przechodzę do innego wątku bo znalazłem podobny post831217.html
|
|
| Góra |
|
 |
|
Strona 1 z 1
|
[ 11 posty(ów) ] |
|
|
Nie możesz zakładać nowych tematów na tym forum Nie możesz odpowiadać w tematach na tym forum Nie możesz edytować swoich postów na tym forum Nie możesz usuwać swoich postów na tym forum Nie możesz dodawać załączników na tym forum
|
|