|
Obecny czas: 12 Sty 2026, 17:29
|
Zobacz posty bez odpowiedzi | Zobacz aktywne tematy
| Autor |
Wiadomość |
|
abel |
#820560 Wysłany:
10 Mar 2017, 17:19; Temat postu: Re: Problem z nawiewem |
|
 |
| Puntoświr |
Samochód: Inny Fiat
Silnik: Inny
Paliwo: Benzyna
Wersja: Emotion
Województwo: warmińsko-mazurskie [N]
Miejscowość: ełk Rejestracja: 12 Cze 2007, Posty: 574 Pomógł: 18
|
|
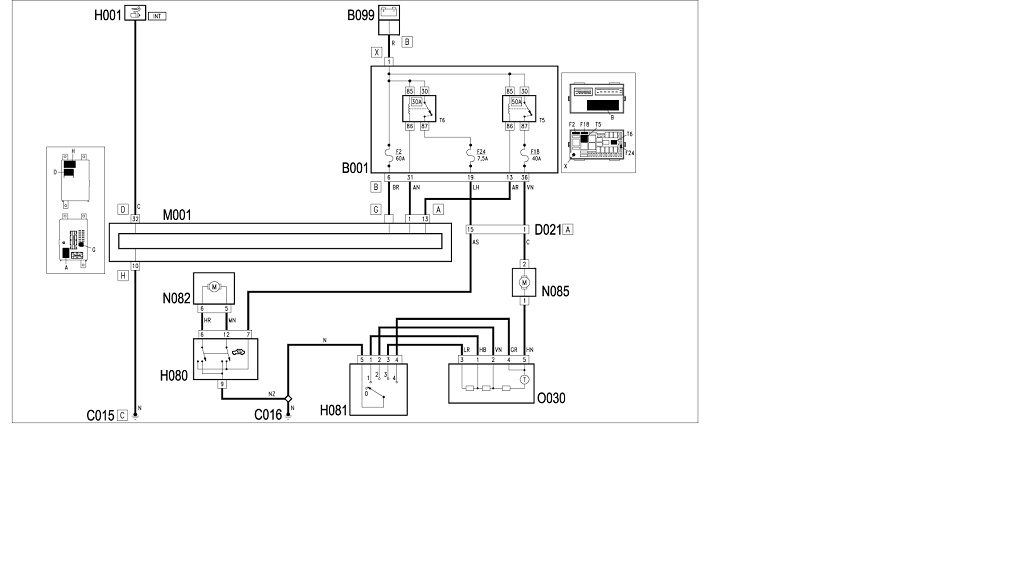
Kostka się topi z powodu złego styku i b.duzego prądu pobieranego przez wentylator..Pochyl się i pod schowkiem obok wentylatora znajdziesz połączenie.
[ Dodano: 10 Mar 2017 17:19 ]
| Załączniki: |
nagrzewnica.png [ 49.47 KiB | Obejrzany 2240 razy ]
|
|
|
| Góra |
|
 |
|
|
|
hape |
#823889 Wysłany:
23 Maj 2017, 20:50; Temat postu: Re: Problem z nawiewem |
|
 |
| Forumowicz |
Samochód: Grande Punto 3d
Silnik: 1.2 8V 65KM
Paliwo: Benzyna
Wersja: Active
Województwo: śląskie [S]
Rejestracja: 23 Maj 2017, Posty: 4
|
|
Witam. Kupiłem niedawno grande punto i musze się podłączyć pod temat. Mam problem z regulacją nawiewu, na szybe działa ok, na nogi coś tam wieje, natomiat przedstawiając na twarz to nic nie leci, slychac powietrze ktore leci jakby pod deska rozdzielacza obok schowka, ale z kratek prawie nic. Od czego zacząć sprawdzanie panowie?
|
|
| Góra |
|
 |
|
żeliwny |
#824006 Wysłany:
26 Maj 2017, 12:46; Temat postu: Re: Problem z nawiewem |
|
 |
| Puntoświr |
Samochód: Grande Punto 5d
Silnik: 1.4 8V 77KM
Paliwo: Benzyna
Województwo: małopolskie [K]
Rejestracja: 13 Gru 2016, Posty: 205
|
|
Hello. Gdzie w kabinie znajdują się kratki wywiewu ? bo nawiew każdy widzi, ale wywiewu za cholerkę znaleźć nie mogę.
|
|
| Góra |
|
 |
|
krowka |
#824146 Wysłany:
30 Maj 2017, 09:48; Temat postu: Re: Problem z nawiewem |
|
 |
| Ekstremista |
 |
Imię: Marek
Samochód: 500X
Silnik: Inny
Paliwo: Benzyna
Wersja: Lounge
Województwo: kujawsko-pomorskie [C]
Miejscowość: Toruń Rejestracja: 13 Cze 2007, Posty: 1614 Pomógł: 9
|
żeliwny napisał(a): Hello. Gdzie w kabinie znajdują się kratki wywiewu ? bo nawiew każdy widzi, ale wywiewu za cholerkę znaleźć nie mogę. W pasie tylnym.
_________________ FIAT 500X Lounge 2016 brązowy magnetico, 1.4 MultiAir II Turbo 140KM FIAT Grande Punto Emotion 2007 czarny crossover, 1.4 8V 77KM - był od 29.05.2007 do 03.03.2024 FIAT UNO 1993 45 MKII czerwona strzała - był Peugeot 206 Pop Art 2005 1.4 8V 75KM - żonkowóz - był
|
|
| Góra |
|
 |
|
Nie możesz zakładać nowych tematów na tym forum Nie możesz odpowiadać w tematach na tym forum Nie możesz edytować swoich postów na tym forum Nie możesz usuwać swoich postów na tym forum Nie możesz dodawać załączników na tym forum
|
|