|
Obecny czas: 14 Sty 2026, 03:33
|
Zobacz posty bez odpowiedzi | Zobacz aktywne tematy
|
Strona 1 z 1
|
[ 2 posty(ów) ] |
|
| Autor |
Wiadomość |
|
adrian_adrian |
#838538 Wysłany:
10 Cze 2018, 11:00; Temat postu: światła przeciwmgielne - przód / schemat / wymiana żarówki / |
|
 |
| Sympatyk kropek |
 |
Imię: Adrian
Samochód: Grande Punto 3d
Silnik: 1.4 16V 120KM
Paliwo: Benzyna
Wersja: Sport
Województwo: śląskie [S]
Miejscowość: Bytom Rejestracja: 15 Mar 2016, Posty: 7
|
|
Cześć
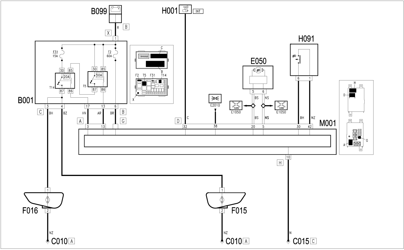
Potrzebuje pomocy, a mianowicie: 1. Potrzebny mi jest schemat elektryczny dla świateł przeciwmgielnych z przodu 2. Instrukcję jak najprościej wymienić żarówkę w powyższych światłach? Instrukcja zaprasza do ASO..
Dzięki!
|
|
| Góra |
|
 |
|
|
|
radex324 |
#838592 Wysłany:
12 Cze 2018, 21:42; Temat postu: Re: światła przeciwmgielne - przód / schemat / wymiana żarów |
|
 |
| Puntoświr |
 |
Imię: Radek
Samochód: Grande Punto 3d
Silnik: Inny
Paliwo: Benzyna + LPG
Wersja: Dynamic
Województwo: śląskie [S]
Rejestracja: 19 Sie 2017, Posty: 697 Pomógł: 2
|
|
Proszę schemat, a co do wymiany kładziesz się pod auto i manewrujesz ręką lub odkręcasz 3 śruby reflektora(ja tak robię) i go wyciągasz.
| Załączniki: |
pp3.png [ 67.64 KiB | Obejrzany 1839 razy ]
|
pp.png [ 29.08 KiB | Obejrzany 1839 razy ]
|
|
|
| Góra |
|
 |
|
Strona 1 z 1
|
[ 2 posty(ów) ] |
|
|
Nie możesz zakładać nowych tematów na tym forum Nie możesz odpowiadać w tematach na tym forum Nie możesz edytować swoich postów na tym forum Nie możesz usuwać swoich postów na tym forum Nie możesz dodawać załączników na tym forum
|
|