|
Obecny czas: 14 Sty 2026, 04:12
|
Zobacz posty bez odpowiedzi | Zobacz aktywne tematy
|
Strona 1 z 1
|
[ 18 posty(ów) ] |
|
| Autor |
Wiadomość |
|
radex324 |
#841905 Wysłany:
25 Wrz 2018, 21:07; Temat postu: Automatyczne domykanie szyb przednich |
|
 |
| Puntoświr |
 |
Imię: Radek
Samochód: Grande Punto 3d
Silnik: Inny
Paliwo: Benzyna + LPG
Wersja: Dynamic
Województwo: śląskie [S]
Rejestracja: 19 Sie 2017, Posty: 697 Pomógł: 2
|
|
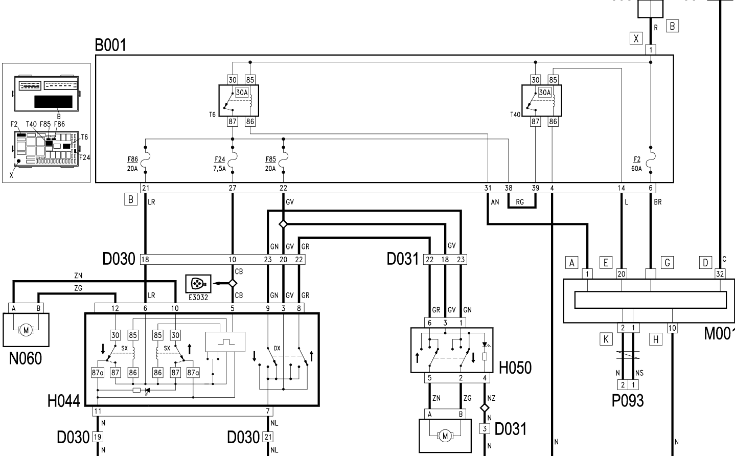
Witam, w alarmie dokupionym do mojego auta posiadam funkcję sterowania przez 25s domykania szyb. Planuje zamontować 2 przekaźniki które już zrobiłem na płytce pcb ale mam problem jak to połączyć. Na zdjęciu widać schemat sterowania szyb elektrycznych poprzez przyciski w drzwiach ale nigdzie nie widzę sterowania z body kompa domykania. Czy ktoś wie jak body komp steruje tymi szybami? Domyślam się że to pin sterujący to 11 zaznaczony na zdjęciu na czerwono, czy ktoś kto to montował ma wiedzę na ten temat? Chciałbym uniknąć rozbierania drzwi. Jeśli to nie ten pin to zostaje mi rozbierać lewe drzwi i koło przycisków dać dodatkowe przekaźniki i wyprowadzić 1 przewód złączką do wnętrza auta. Ew."Sygnały blokowania z anteny-odbiornika pilota P93, które łączą się na stykach 1 i 2 konektora K w M1, sterują także zamknięciem przednich podnosników szyb, jeżeli są otwarte."
| Załączniki: |
szybygrandepunto.png [ 126.96 KiB | Obejrzany 4863 razy ]
|
|
|
| Góra |
|
 |
|
|
|
kris84 |
#841906 Wysłany:
25 Wrz 2018, 21:28; Temat postu: Re: Automatyczne domykanie szyb przednich |
|
 |
| Puntoświr |
Imię: Krzych
Samochód: Grande Punto 3d
Silnik: 1.3 90KM mJTD
Paliwo: ON
Wersja: Sporting
Województwo: śląskie [S]
Miejscowość: Tarnowskie Góry Rejestracja: 06 Lut 2012, Posty: 814 Pomógł: 11
|
|
Pytania pomocnicze: Masz auto 5cio drzwiowe z elektrycznymi szybami z przodu i z tylu? Czy 5cio drzwiowe z elektrycznymi z przodu i manualnymi z tylu? Czy 3drzwiowe?
|
|
| Góra |
|
 |
|
radex324 |
#841908 Wysłany:
25 Wrz 2018, 21:35; Temat postu: Re: Automatyczne domykanie szyb przednich |
|
 |
| Puntoświr |
 |
Imię: Radek
Samochód: Grande Punto 3d
Silnik: Inny
Paliwo: Benzyna + LPG
Wersja: Dynamic
Województwo: śląskie [S]
Rejestracja: 19 Sie 2017, Posty: 697 Pomógł: 2
|
|
Auto 5 drzwiowe, szyby elektryczne tylko z przodu i tylko kierowca ma szybę automatyczną(nie trzeba ciągle trzymać).
|
|
| Góra |
|
 |
|
kris84 |
#841909 Wysłany:
25 Wrz 2018, 21:39; Temat postu: Re: Automatyczne domykanie szyb przednich |
|
 |
| Puntoświr |
Imię: Krzych
Samochód: Grande Punto 3d
Silnik: 1.3 90KM mJTD
Paliwo: ON
Wersja: Sporting
Województwo: śląskie [S]
Miejscowość: Tarnowskie Góry Rejestracja: 06 Lut 2012, Posty: 814 Pomógł: 11
|
Jak masz auto przed zmianami elektrycznymi 10.2008 to obowiazuje Cie schemat z auta 3 drzwiowego. Nie jestem pewien jak wyglada schamat w wersji po zmianie elektryki 10.2008. Jaka jest data produkcji auta? Wstawiles screena ze schamtu 5D ale pelna elektryka. Autor postu otrzymał pochwałę
|
|
| Góra |
|
 |
|
radex324 |
#841910 Wysłany:
25 Wrz 2018, 21:42; Temat postu: Re: Automatyczne domykanie szyb przednich |
|
 |
| Puntoświr |
 |
Imię: Radek
Samochód: Grande Punto 3d
Silnik: Inny
Paliwo: Benzyna + LPG
Wersja: Dynamic
Województwo: śląskie [S]
Rejestracja: 19 Sie 2017, Posty: 697 Pomógł: 2
|
|
Tyle wiem z eper " 4C - GRANDE PUNTO (2008-2009) 199254201000 - 2V-1,4-16V-95CV-E4-DYNAM-4P.GS.6M-I / CE Silnik: 1245894 Pojazd: 01432864 Manuf. data: 18.06.2008 "
[ Dodano: 25 Wrz 2018, 21:42 ]
Serio dali instalacje z wersji 3D?
|
|
| Góra |
|
 |
|
kris84 |
#841911 Wysłany:
25 Wrz 2018, 21:50; Temat postu: Re: Automatyczne domykanie szyb przednich |
|
 |
| Puntoświr |
Imię: Krzych
Samochód: Grande Punto 3d
Silnik: 1.3 90KM mJTD
Paliwo: ON
Wersja: Sporting
Województwo: śląskie [S]
Miejscowość: Tarnowskie Góry Rejestracja: 06 Lut 2012, Posty: 814 Pomógł: 11
|
To wystarczy  data: 18.06.2008 Czyli musisz popatrzec na schemat auta 3D. Jak zdejmiesz przyciski szyb, w sensie cala ta zaslepke to pod spodem bedzie tam dochodzic duza biala wtyczka z grubymi przewodami. W tym ukladzie silniki szyb maja tylko 2 przewody (+) i (-) i musisz sie podpiac pod te przewody ze swoim modulem. Sa tam tez przewody od szyb z prawych drzwi i modul trzeba wlasnie ukryc w drzwiach kierowcy ciagnac zasilanie przez dolozony przewod w przelotce. Na w/w schemacie silniki maja 6 przewodow i ich wysterowanie dziala inaczej. [ Dodano: 25 Wrz 2018 20:50 ]radex324 napisał(a): [ Dodano: 25 Wrz 2018, 21:42 ] Serio dali instalacje z wersji 3D? Tak  Zrob zdjecie jutro tej wtyczki pod przyciskami szyb to potwierdze Ci na 100% jaka elektryka Ci tam siedzi. Autor postu otrzymał pochwałę
|
|
| Góra |
|
 |
|
radex324 |
#841913 Wysłany:
25 Wrz 2018, 21:58; Temat postu: Re: Automatyczne domykanie szyb przednich |
|
 |
| Puntoświr |
 |
Imię: Radek
Samochód: Grande Punto 3d
Silnik: Inny
Paliwo: Benzyna + LPG
Wersja: Dynamic
Województwo: śląskie [S]
Rejestracja: 19 Sie 2017, Posty: 697 Pomógł: 2
|
|
Nie chciałem dodawać modułu tylko 2 przekaźniki, pójdę zaraz do auta sprawdzić jakie mam przyciski, jeśli miałbym wersje z 5D to zajebiście a jak 3D to się wkurzę.
[ Dodano: 25 Wrz 2018, 21:58 ]
Jak najlepiej wyciągnąć te przyciski bez uszkodzenia? Od której strony ciągnąć?
| Załączniki: |
Screenshot_43.png [ 15.19 KiB | Obejrzany 4832 razy ]
|
|
|
| Góra |
|
 |
|
kris84 |
#841914 Wysłany:
25 Wrz 2018, 22:11; Temat postu: Re: Automatyczne domykanie szyb przednich |
|
 |
| Puntoświr |
Imię: Krzych
Samochód: Grande Punto 3d
Silnik: 1.3 90KM mJTD
Paliwo: ON
Wersja: Sporting
Województwo: śląskie [S]
Miejscowość: Tarnowskie Góry Rejestracja: 06 Lut 2012, Posty: 814 Pomógł: 11
|
Od strony przodu auta, na samym czubku jest plaskie wglebienie na plaski srubokret zeby podwarzyc. Cala zaslepka wyskoczy do gory wtedy. Ponizej masz przyklady starszego typu przelacznikow i nowszego typu przelacznikow. Autor postu otrzymał pochwałę
| Załączniki: |
3D_old.jpg [ 80.58 KiB | Obejrzany 4819 razy ]
|
3D_new.jpg [ 140.9 KiB | Obejrzany 4819 razy ]
|
Ostatnio edytowany przez kris84, 25 Wrz 2018, 22:19, edytowano w sumie 1 raz
|
|
| Góra |
|
 |
|
radex324 |
#841915 Wysłany:
25 Wrz 2018, 22:21; Temat postu: Re: Automatyczne domykanie szyb przednich |
|
 |
| Puntoświr |
 |
Imię: Radek
Samochód: Grande Punto 3d
Silnik: Inny
Paliwo: Benzyna + LPG
Wersja: Dynamic
Województwo: śląskie [S]
Rejestracja: 19 Sie 2017, Posty: 697 Pomógł: 2
|
|
Sprawdziłem, niestety jestem wkur.... mam wersje 3D, mogę się wpiąć tak jak chciałem ale 1(ew 2) przewody muszę przeprowadzić najlepiej bez rozbierania drzwi bo pourywam zaczepy znając życie.
| Załączniki: |
0-02-05-d148816d82dcb3d626bbb61ab52a2c79f4f763f7cb620c9d305733b19851f475_8dfff553.jpg [ 43.22 KiB | Obejrzany 4823 razy ]
|
0-02-05-73c76ec0b8ed1b5379e5120ed7fddc5d58a5108a7794d20c5445210953e72a38_3919ad08.jpg [ 53.1 KiB | Obejrzany 4823 razy ]
|
0-02-05-a51d8f9b10bbc75c8d8576a638c924e5a1213de5e98b39a28838be6713f8ba06_4c3a2a5a.jpg [ 96.07 KiB | Obejrzany 4823 razy ]
|
|
|
| Góra |
|
 |
|
kris84 |
#841916 Wysłany:
25 Wrz 2018, 22:27; Temat postu: Re: Automatyczne domykanie szyb przednich |
|
 |
| Puntoświr |
Imię: Krzych
Samochód: Grande Punto 3d
Silnik: 1.3 90KM mJTD
Paliwo: ON
Wersja: Sporting
Województwo: śląskie [S]
Miejscowość: Tarnowskie Góry Rejestracja: 06 Lut 2012, Posty: 814 Pomógł: 11
|
Czyli masz ta sama elektryke co i ja mam  Zdjecie tapicerki to pikus, gorzej z dokladaniem przewodu zasilajacego ktory trzeba puscic w przelotce. Przynajmniej jak tak mam to u siebie zrobione, bo mam dolozony modul domykajacy. Inna sprawa ze nie lubie z niego kozystac, bo mam tez wlaczony "autoclose" czyli ryglowanie zamkow po przekroczeniu 20km/h co zawsze powodowalo sztuczne domykanie szyb nawet gdy byly zamkniete. Dorobilem dodatkowy przycisk ktory to odlacza.
| Załączniki: |
17 domykanie_szyb_przed_po.jpg [ 132.08 KiB | Obejrzany 4814 razy ]
|
|
|
| Góra |
|
 |
|
radex324 |
#841917 Wysłany:
25 Wrz 2018, 22:59; Temat postu: Re: Automatyczne domykanie szyb przednich |
|
 |
| Puntoświr |
 |
Imię: Radek
Samochód: Grande Punto 3d
Silnik: Inny
Paliwo: Benzyna + LPG
Wersja: Dynamic
Województwo: śląskie [S]
Rejestracja: 19 Sie 2017, Posty: 697 Pomógł: 2
|
|
Jak przeprowadziłeś przewód, jaki konektor użyłeś? Jaki mniej więcej czas wykonania? Ja to zamontuje tak że 2 przekaźniki będą równolegle połączone z przyciskami, muszę masę gdzieś podłączyć(choćby jakaś śruba) i wyprowadzić 1 przewód zasilający cewki przekaźników.
[ Dodano: 25 Wrz 2018, 22:59 ]
I chyba muszę dać inne przekaźniki bo mam 10A a tam chyba do 20A potrzeba.
|
|
| Góra |
|
 |
|
kris84 |
#841925 Wysłany:
26 Wrz 2018, 07:24; Temat postu: Re: Automatyczne domykanie szyb przednich |
|
 |
| Puntoświr |
Imię: Krzych
Samochód: Grande Punto 3d
Silnik: 1.3 90KM mJTD
Paliwo: ON
Wersja: Sporting
Województwo: śląskie [S]
Miejscowość: Tarnowskie Góry Rejestracja: 06 Lut 2012, Posty: 814 Pomógł: 11
|
W moim wypadku sam modul zakladal elektryk w ASO fiata a ja po nim poprawialem, masakra byla. Chlop zwyczajnie przewiercil wiertlem fi6 kostke drzwi i kostke karoserii i po chamsku przeciagnal przewod zasilajacay, dramat  Zrobilem to samemu, wymieniajac kostki w drzwiach i budzie na nowe oraz uzywajac odpowiednich pinow, rozpiska w temacie ponizej: post815268.htmlU mnie zasilanie jest puszczone malym pinem typu MQS na przewodzie 0,75mm2 Roboty jest z tym dosc duzo, zdjecie tapicerki to pikus, gorzej bo trzeba sie pogodzic z odcieciem membrany przeciw wilgotnosciowej w drzwiach. Wiec tutaj musisz sie zastanowic czym ja dokleic albo wyrzucic i wytlumic drzwi mata. To zdecydowanie nie jest zabawa na 2godziny albo jedno popoludnie, tym bardziej jak ktos mialby to robic pierwszy raz. Autor postu otrzymał pochwałę
|
|
| Góra |
|
 |
|
radex324 |
#841927 Wysłany:
29 Wrz 2018, 20:17; Temat postu: Re: Automatyczne domykanie szyb przednich |
|
 |
| Puntoświr |
 |
Imię: Radek
Samochód: Grande Punto 3d
Silnik: Inny
Paliwo: Benzyna + LPG
Wersja: Dynamic
Województwo: śląskie [S]
Rejestracja: 19 Sie 2017, Posty: 697 Pomógł: 2
|
|
No to przerąbane, nie chcę tej membrany uszkadzać. Kupie konektory które podałeś w temacie, załatwię sobie garaż na parę h i chyba spróbuje. Ale jak już będę to montował to lepiej kupić chyba moduł.
[ Dodano: 29 Wrz 2018, 20:17 ]
A wiecie może jak działa ta opcja że puszczamy przycisk a szyba nadal się zamyka otwiera?(tylko kierowcy) Widocznie albo jest tam gdzieś jakiś przekaźnik, albo jakaś elektronika w przyciskach. Na schemacie nic takiego nie widać.
| Załączniki: |
szyby33d.png [ 99.62 KiB | Obejrzany 4752 razy ]
|
|
|
| Góra |
|
 |
|
kris84 |
#842183 Wysłany:
02 Paź 2018, 21:58; Temat postu: Re: Automatyczne domykanie szyb przednich |
|
 |
| Puntoświr |
Imię: Krzych
Samochód: Grande Punto 3d
Silnik: 1.3 90KM mJTD
Paliwo: ON
Wersja: Sporting
Województwo: śląskie [S]
Miejscowość: Tarnowskie Góry Rejestracja: 06 Lut 2012, Posty: 814 Pomógł: 11
|
radex324 napisał(a): [ Dodano: 29 Wrz 2018, 20:17 ] A wiecie może jak działa ta opcja że puszczamy przycisk a szyba nadal się zamyka otwiera?(tylko kierowcy) Widocznie albo jest tam gdzieś jakiś przekaźnik, albo jakaś elektronika w przyciskach. Na schemacie nic takiego nie widać. Patrzysz i nie widzisz? Przycisk kierowcy to sa dwa przekazniki ktore jak sie dluzej przytrzyma to leca do konca z szyba. Przycisk szyby pasazera jest to zwykly przelacznik on/off. Nawet slychac cewki wewnatrz jak klikaja przekazniki jak sie uzywa przycisku szyby kierowcy, przycisk szyby pasazera wydaje inny dzwiek 
| Załączniki: |
Przechwytywanie.JPG [ 45.69 KiB | Obejrzany 4737 razy ]
|
|
|
| Góra |
|
 |
|
radex324 |
#842184 Wysłany:
02 Paź 2018, 22:06; Temat postu: Re: Automatyczne domykanie szyb przednich |
|
 |
| Puntoświr |
 |
Imię: Radek
Samochód: Grande Punto 3d
Silnik: Inny
Paliwo: Benzyna + LPG
Wersja: Dynamic
Województwo: śląskie [S]
Rejestracja: 19 Sie 2017, Posty: 697 Pomógł: 2
|
Już to wiem, rozebrałem cały przycisk na części i się dowiedziałem  A nie mogłem dać zmień to nic nie pisałem.
|
|
| Góra |
|
 |
|
kris84 |
#842185 Wysłany:
02 Paź 2018, 22:07; Temat postu: Re: Automatyczne domykanie szyb przednich |
|
 |
| Puntoświr |
Imię: Krzych
Samochód: Grande Punto 3d
Silnik: 1.3 90KM mJTD
Paliwo: ON
Wersja: Sporting
Województwo: śląskie [S]
Miejscowość: Tarnowskie Góry Rejestracja: 06 Lut 2012, Posty: 814 Pomógł: 11
|
|
Rozumiem ze zaswitala mysl zeby zrobic tez automatyczna szybe pasazera?
|
|
| Góra |
|
 |
|
radex324 |
#842186 Wysłany:
02 Paź 2018, 22:09; Temat postu: Re: Automatyczne domykanie szyb przednich |
|
 |
| Puntoświr |
 |
Imię: Radek
Samochód: Grande Punto 3d
Silnik: Inny
Paliwo: Benzyna + LPG
Wersja: Dynamic
Województwo: śląskie [S]
Rejestracja: 19 Sie 2017, Posty: 697 Pomógł: 2
|
kris84 napisał(a): Rozumiem ze zaswitala mysl zeby zrobic tez automatyczna szybe pasazera? Dokładnie, już myślałem czy nie znaleźć gdzieś przycisku od kierowcy i dać go do pasażera, chyba by się zmieściło  Ew. prosty układzik na 2 przekaźnikach+tranzystor+kondensator
|
|
| Góra |
|
 |
|
kris84 |
#842187 Wysłany:
02 Paź 2018, 22:15; Temat postu: Re: Automatyczne domykanie szyb przednich |
|
 |
| Puntoświr |
Imię: Krzych
Samochód: Grande Punto 3d
Silnik: 1.3 90KM mJTD
Paliwo: ON
Wersja: Sporting
Województwo: śląskie [S]
Miejscowość: Tarnowskie Góry Rejestracja: 06 Lut 2012, Posty: 814 Pomógł: 11
|
Wszystko sie da  Nie wiem czy nie ma gotowych przekaznikow czasowych ktore po odpowiednio dlugim czasie wyzwolenia same podadza sygnal dalej na odpowiednia dlugosc czasu. Mozna tez samemu cos zlutowac... nie wazne jak, wazne zeby dzialalo 
|
|
| Góra |
|
 |
|
Strona 1 z 1
|
[ 18 posty(ów) ] |
|
|
Nie możesz zakładać nowych tematów na tym forum Nie możesz odpowiadać w tematach na tym forum Nie możesz edytować swoich postów na tym forum Nie możesz usuwać swoich postów na tym forum Nie możesz dodawać załączników na tym forum
|
|