|
Obecny czas: 13 Sty 2026, 22:05
|
Zobacz posty bez odpowiedzi | Zobacz aktywne tematy
|
Strona 1 z 1
|
[ 7 posty(ów) ] |
|
| Autor |
Wiadomość |
|
Szelma |
#831214 Wysłany:
23 Lis 2017, 20:03; Temat postu: Dmuchawa dziala tylko na IV biegu |
|
 |
| Sympatyk kropek |
Samochód: Grande Punto 3d
Silnik: 1.4 8V 77KM
Paliwo: Benzyna
Województwo: podkarpackie [R]
Rejestracja: 23 Lis 2017, Posty: 11
|
|
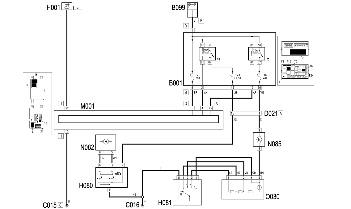
Dmucha tylko na IV biegu, wycieta kostka z opornica, wisza luzno 3 kable, dwa skrecone. Chce to zrobic jak byc powinno, zakupilem kostke z opornica, teraz tylko to polaczyc z kablami. Prosze o pomoc, ktory kabel do ktorego, ewentualnie jak ktos by mogl zroic fotke, to moze dojde po kolorach kabli.
|
|
| Góra |
|
 |
|
|
|
abel |
#831216 Wysłany:
23 Lis 2017, 21:03; Temat postu: Re: Dmuchawa dziala tylko na IV biegu |
|
 |
| Puntoświr |
Samochód: Inny Fiat
Silnik: Inny
Paliwo: Benzyna
Wersja: Emotion
Województwo: warmińsko-mazurskie [N]
Miejscowość: ełk Rejestracja: 12 Cze 2007, Posty: 574 Pomógł: 18
|
|
| Góra |
|
 |
|
Szelma |
#831218 Wysłany:
26 Lis 2017, 12:44; Temat postu: Re: Dmuchawa dziala tylko na IV biegu |
|
 |
| Sympatyk kropek |
Samochód: Grande Punto 3d
Silnik: 1.4 8V 77KM
Paliwo: Benzyna
Województwo: podkarpackie [R]
Rejestracja: 23 Lis 2017, Posty: 11
|
Wersja bez klimy, dzieki, powinienem dac rady. [ Dodano: 24 Lis 2017, 18:45 ]Ok, wiazka zrobiona, dmuchawa dziala na kazdym biegu. Ale mam pytanie, bo cos wydaje mi sie, ze jest nie tak z nasawieniem nawiewu. Jesli ustawie na max goraco, to cieple powietrze leci tylko na dwoch pierwszych nastawieniach, czyli na srodek i na srodek/nogi. Wszystkie inne zaczyna leciec zimne. A na nogi to dodatkowo nie leci tak cieple jak na srodku, jest duzo chlodniejsze. [ Dodano: 26 Lis 2017, 11:44 ]
|
|
| Góra |
|
 |
|
janczek |
#831306 Wysłany:
26 Lis 2017, 13:37; Temat postu: Re: Dmuchawa dziala tylko na IV biegu |
|
 |
| Forumowicz |
Samochód: Inny Fiat
Silnik: 1.6 8V 90KM
Paliwo: Benzyna
Województwo: lubuskie [F]
Rejestracja: 24 Lis 2017, Posty: 2
|
|
A może wtyczki pomyliłeś ?
_________________ Polecam zerknąć tutaj i tutaj
|
|
| Góra |
|
 |
|
Szelma |
#831309 Wysłany:
26 Lis 2017, 13:56; Temat postu: Re: Dmuchawa dziala tylko na IV biegu |
|
 |
| Sympatyk kropek |
Samochód: Grande Punto 3d
Silnik: 1.4 8V 77KM
Paliwo: Benzyna
Województwo: podkarpackie [R]
Rejestracja: 23 Lis 2017, Posty: 11
|
|
| Góra |
|
 |
|
abel |
#831311 Wysłany:
26 Lis 2017, 14:58; Temat postu: Re: Dmuchawa dziala tylko na IV biegu |
|
 |
| Puntoświr |
Samochód: Inny Fiat
Silnik: Inny
Paliwo: Benzyna
Wersja: Emotion
Województwo: warmińsko-mazurskie [N]
Miejscowość: ełk Rejestracja: 12 Cze 2007, Posty: 574 Pomógł: 18
|
|
Zaślepka od filtra kabinowego jest zamocowana prawidłowo?
|
|
| Góra |
|
 |
|
Szelma |
#831312 Wysłany:
29 Lis 2017, 01:28; Temat postu: Re: Dmuchawa dziala tylko na IV biegu |
|
 |
| Sympatyk kropek |
Samochód: Grande Punto 3d
Silnik: 1.4 8V 77KM
Paliwo: Benzyna
Województwo: podkarpackie [R]
Rejestracja: 23 Lis 2017, Posty: 11
|
abel napisał(a): Zaślepka od filtra kabinowego jest zamocowana prawidłowo? Tego wlasnie jeszcze nie sprawdzalem. [ Dodano: 26 Lis 2017, 15:54 ]Klapa zamontowana poprawnie, ale filtra niestety nie ma. Ale czy to ma znaczenie, ze dmucha zimne ? [ Dodano: 29 Lis 2017, 00:28 ]Temat rozwiazany. Jakis buc odwrotnie podpial linki.
|
|
| Góra |
|
 |
|
Strona 1 z 1
|
[ 7 posty(ów) ] |
|
|
Nie możesz zakładać nowych tematów na tym forum Nie możesz odpowiadać w tematach na tym forum Nie możesz edytować swoich postów na tym forum Nie możesz usuwać swoich postów na tym forum Nie możesz dodawać załączników na tym forum
|
|