|
Obecny czas: 13 Sty 2026, 05:37
|
Zobacz posty bez odpowiedzi | Zobacz aktywne tematy
|
Strona 1 z 1
|
[ 6 posty(ów) ] |
|
| Autor |
Wiadomość |
|
armen10 |
#790557 Wysłany:
11 Gru 2015, 20:28; Temat postu: Światła Przeciwmgielne |
|
 |
| Puntomaniak |
 |
Imię: Arek
Samochód: Grande Punto 5d
Silnik: 1.4 8V 77KM
Paliwo: Benzyna + LPG
Województwo: opolskie [O]
Rejestracja: 06 Maj 2015, Posty: 58
|
|
Witam, chciałbym podzielić się z Wami pewną zagwozdką. Kupiłem Kropka rocznik 2007 z niedziałającymi światłami przeciwmgielnymi z przodu i chciałem je w końcu zrobić. Pojechałem do warsztatu i elektryk zdiagnozował problem. Powiedział, że walczył ze światłami kilka dni i doszedł do wniosku, że to kwestia komputera, bo wszystko inne jest dobre (żarówka ok, przewody ok, itp.). Moje pytanie, czy faktycznie może być tak, że wszystko inne mi działa to znaczy: światła krótkie, długie, kierunki, itp. a przeciwmgielne nie ? Jaka może być tego przyczyn, czy ktoś się już z tym spotkał z Was ? pozdrawiam
|
|
| Góra |
|
 |
|
|
|
abel |
#790564 Wysłany:
11 Gru 2015, 21:11; Temat postu: Re: Światła Przeciwmgielne |
|
 |
| Puntoświr |
Samochód: Inny Fiat
Silnik: Inny
Paliwo: Benzyna
Wersja: Emotion
Województwo: warmińsko-mazurskie [N]
Miejscowość: ełk Rejestracja: 12 Cze 2007, Posty: 574 Pomógł: 18
|
|
bezpiecznik F31 15A i przekaźnik T14 w skrzynce bezpiecznikowej w komorze silnika do obejrzenia . czy dioda sygnalizacyjna na liczniku świeci gdy załączasz św. przeciwmgielne ?
|
|
| Góra |
|
 |
|
emk |
#790586 Wysłany:
12 Gru 2015, 02:32; Temat postu: Re: Światła Przeciwmgielne |
|
 |
| Puntoświr |
 |
Samochód: Grande Punto 5d
Silnik: 1.4 16V 95KM
Paliwo: Benzyna + LPG
Wersja: Dynamic
Województwo: mazowieckie [W]
Rejestracja: 11 Sie 2012, Posty: 212 Pomógł: 5
|
Trzeba by interfejsem i fesem zmusić kompa do włączenia kontrolki i przeciwmgielnych. Może masz tak że ktoś zaczął doposażać twojego kropa i zabrakło zapału żeby dorobić kabelek od przełącznika do kompa. albo padł włącznik, albo trzeba zosiować. Trzeba by sprawdzić, nie pod kątem elektromechanicznym ale pod kątem puntoelektromechanicznym  i czy są wszystkie przewody wymagane w wiązkach. Musisz uderzyć do ludzia co grzebał już w przeciwmgielnych stricte kropkowych.
_________________ GRANDE PUNTO NERO PROVOCATORE 1,4 16v + propan dupan
|
|
| Góra |
|
 |
|
armen10 |
#790634 Wysłany:
12 Gru 2015, 21:53; Temat postu: Re: Światła Przeciwmgielne |
|
 |
| Puntomaniak |
 |
Imię: Arek
Samochód: Grande Punto 5d
Silnik: 1.4 8V 77KM
Paliwo: Benzyna + LPG
Województwo: opolskie [O]
Rejestracja: 06 Maj 2015, Posty: 58
|
Cytuj: czy dioda sygnalizacyjna na liczniku świeci gdy załączasz św. przeciwmgielne Tak dioda świeci.
|
|
| Góra |
|
 |
|
emk |
#790659 Wysłany:
13 Gru 2015, 04:35; Temat postu: Re: Światła Przeciwmgielne |
|
 |
| Puntoświr |
 |
Samochód: Grande Punto 5d
Silnik: 1.4 16V 95KM
Paliwo: Benzyna + LPG
Wersja: Dynamic
Województwo: mazowieckie [W]
Rejestracja: 11 Sie 2012, Posty: 212 Pomógł: 5
|
|
O to może się przekaźnik "skończył" tylko, bo jak dioda się zapala to sygnał z kompa na can jest.
_________________ GRANDE PUNTO NERO PROVOCATORE 1,4 16v + propan dupan
|
|
| Góra |
|
 |
|
abel |
#790662 Wysłany:
13 Gru 2015, 09:36; Temat postu: Re: Światła Przeciwmgielne |
|
 |
| Puntoświr |
Samochód: Inny Fiat
Silnik: Inny
Paliwo: Benzyna
Wersja: Emotion
Województwo: warmińsko-mazurskie [N]
Miejscowość: ełk Rejestracja: 12 Cze 2007, Posty: 574 Pomógł: 18
|
|
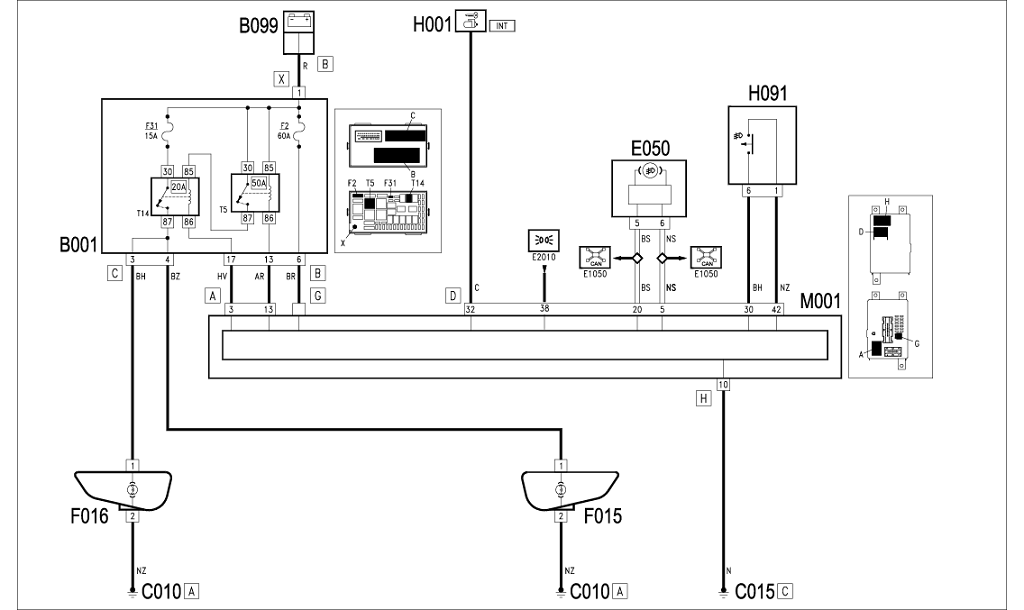
tu schemacik na którym tez jest pokazane w ktorym miejscu szukac danego bezpiecznika i przekaźnika
| Załączniki: |
przednie p.mgielne.png [ 75.95 KiB | Obejrzany 1758 razy ]
|
|
|
| Góra |
|
 |
|
Strona 1 z 1
|
[ 6 posty(ów) ] |
|
|
Nie możesz zakładać nowych tematów na tym forum Nie możesz odpowiadać w tematach na tym forum Nie możesz edytować swoich postów na tym forum Nie możesz usuwać swoich postów na tym forum Nie możesz dodawać załączników na tym forum
|
|