|
Obecny czas: 13 Sty 2026, 09:31
|
Zobacz posty bez odpowiedzi | Zobacz aktywne tematy
|
Strona 1 z 1
|
[ 12 posty(ów) ] |
|
| Autor |
Wiadomość |
|
Lysy000 |
#848690 Wysłany:
08 Lip 2019, 23:06; Temat postu: Problem światła awaryjne |
|
 |
| Sympatyk kropek |
Imię: Krzysiek
Samochód: Grande Punto 5d
Silnik: 1.2 8V 60KM
Paliwo: Benzyna
Województwo: mazowieckie [W]
Rejestracja: 08 Lip 2019, Posty: 5
|
|
Witam wszystkich serdecznie. Mam problem ze swoim Grande Punto z roku 2006. A mianowicie samoczynnie zapalają mi się światła awaryjne i nie można ich zgasić. Rozłączą się po zdjęciu klemy z akumulatora. Zrobiło mi się tak już kilka razy i nie mam pojęcie w czym tkwi problem. Do tego występuje jeszcze rozładowywanie się akumulatora ale podejrzewam że może te światła załączają się po prostu w nocy i rozładowują aku. Gdzie jest komputer który odpowiada za awaryjne może gdzieś mi styki zasniedziały. Proszę pomóżcie. Z góry dziękuję za pomoc.
|
|
| Góra |
|
 |
|
|
|
cedec1 |
#848691 Wysłany:
08 Lip 2019, 23:46; Temat postu: Re: Problem światła awaryjne |
|
 |
| Klubowicz |
 |
Imię: Krzysztof
Samochód: Grande Punto 3d
Silnik: 1.4 8V 77KM
Paliwo: Benzyna
Wersja: Emotion
Województwo: małopolskie [K]
Miejscowość: Nowy Targ Rejestracja: 02 Lis 2011, Posty: 2265 Pomógł: 51
|
|
masz auto alarm ?
_________________ topic57539.html <---- moje Grande Punto z rzeszy
|
|
| Góra |
|
 |
|
Lysy000 |
#848696 Wysłany:
19 Lip 2019, 19:31; Temat postu: Re: Problem światła awaryjne |
|
 |
| Sympatyk kropek |
Imię: Krzysiek
Samochód: Grande Punto 5d
Silnik: 1.2 8V 60KM
Paliwo: Benzyna
Województwo: mazowieckie [W]
Rejestracja: 08 Lip 2019, Posty: 5
|
|
Autoalarmu z tego co wiem to nie ma
[ Dodano: 19 Lip 2019, 19:31 ]
I nikt nie wie co to może być ? I jeszcze jedno pytanie czy podmieniając BSI trzeba coś programować ? Bo chyba immobiliser to jest w kompie silnika czy się mylę ?
|
|
| Góra |
|
 |
|
kris84 |
#848884 Wysłany:
19 Lip 2019, 22:29; Temat postu: Re: Problem światła awaryjne |
|
 |
| Puntoświr |
Imię: Krzych
Samochód: Grande Punto 3d
Silnik: 1.3 90KM mJTD
Paliwo: ON
Wersja: Sporting
Województwo: śląskie [S]
Miejscowość: Tarnowskie Góry Rejestracja: 06 Lut 2012, Posty: 814 Pomógł: 11
|
Lysy000 napisał(a): Autoalarmu z tego co wiem to nie ma [ Dodano: 19 Lip 2019, 19:31 ] I nikt nie wie co to może być ? I jeszcze jedno pytanie czy podmieniając BSI trzeba coś programować ? Bo chyba immobiliser to jest w kompie silnika czy się mylę ? Owszem, mylisz sie, podmiana BSI oznacza kodowanie immo. Sprawdz wtyczke i przewody jakie biegna od tylu z panelu awaryjnych do tylu BSI. Poruszaj, wypnij z gniazd, wepnij raz jeszcze.
|
|
| Góra |
|
 |
|
Lysy000 |
#848885 Wysłany:
19 Lip 2019, 22:43; Temat postu: Re: Problem światła awaryjne |
|
 |
| Sympatyk kropek |
Imię: Krzysiek
Samochód: Grande Punto 5d
Silnik: 1.2 8V 60KM
Paliwo: Benzyna
Województwo: mazowieckie [W]
Rejestracja: 08 Lip 2019, Posty: 5
|
|
Przedwczoraj znowu miałem dziwna sytuację że awaryjnych nie mogłem w ogóle załączyć przyciskiem awaryjnych. Wyjąłem radio odpiąłem kostkę od przycisku awaryjnych i podpiąłem z powrotem i nadal nic i tak że trzy razy i zaczęły działać z przycisku. Zamknąłem samochód a rano światła awaryjne świeciły same z siebie tylko tym razem dało się je wyłączyć z przycisku a nie jak tydzień temu że musiałem odpiąć Aku żeby się wyłączyły.
|
|
| Góra |
|
 |
|
kris84 |
#848889 Wysłany:
20 Lip 2019, 10:32; Temat postu: Re: Problem światła awaryjne |
|
 |
| Puntoświr |
Imię: Krzych
Samochód: Grande Punto 3d
Silnik: 1.3 90KM mJTD
Paliwo: ON
Wersja: Sporting
Województwo: śląskie [S]
Miejscowość: Tarnowskie Góry Rejestracja: 06 Lut 2012, Posty: 814 Pomógł: 11
|
|
Wyglada jakby robiło Ci sie gdzies samoistne zwarcie. Awaryjne odpala sie krotkim impulsem zwarcia na 2 pinach. I teraz w zalezonsci czy zwarcie zrobilo sie przy wlaczeniu swiatel czy przy wylaczeniu swiatel to guzik awaryjnych zadziala lub nie.
Wymiana BSI nie musi wcale pomoc, problem moze byc na tylnej wtyczce w BSI, moze byc na tylnej wtyczce panelu awaryjnych, moze byc w samej wiazce, moze byc w samym panelu awaryjnych albo samym BSI. Obstawiam wiazke.
Inny trop... masz dobrze naladowany akumulator? Punta lubia swirowac jak jest male napiecie te BSI potrafia wtydy rozne figle platac.
|
|
| Góra |
|
 |
|
Lysy000 |
#848899 Wysłany:
21 Lip 2019, 16:15; Temat postu: Re: Problem światła awaryjne |
|
 |
| Sympatyk kropek |
Imię: Krzysiek
Samochód: Grande Punto 5d
Silnik: 1.2 8V 60KM
Paliwo: Benzyna
Województwo: mazowieckie [W]
Rejestracja: 08 Lip 2019, Posty: 5
|
|
Spróbuję jeszcze innej rzeczy o ile mi się to zrobi a mianowicie odepnę włącznik awaryjnych i pojeżdżę bez podpiętego panelu i zobaczę czy będzie się to działo. Jak nie to znaczy że to włącznik awaryjnych.
|
|
| Góra |
|
 |
|
kris84 |
#848900 Wysłany:
21 Lip 2019, 18:46; Temat postu: Re: Problem światła awaryjne |
|
 |
| Puntoświr |
Imię: Krzych
Samochód: Grande Punto 3d
Silnik: 1.3 90KM mJTD
Paliwo: ON
Wersja: Sporting
Województwo: śląskie [S]
Miejscowość: Tarnowskie Góry Rejestracja: 06 Lut 2012, Posty: 814 Pomógł: 11
|
Lysy000 napisał(a): Spróbuję jeszcze innej rzeczy o ile mi się to zrobi a mianowicie odepnę włącznik awaryjnych i pojeżdżę bez podpiętego panelu i zobaczę czy będzie się to działo. Jak nie to znaczy że to włącznik awaryjnych. Dobry pomysl.
|
|
| Góra |
|
 |
|
beny.rac |
#850661 Wysłany:
04 Lis 2019, 18:56; Temat postu: Re: Problem światła awaryjne |
|
 |
| Puntomaniak |
Imię: Daniel
Samochód: Grande Punto 5d
Silnik: 1.4 8V 77KM
Paliwo: Benzyna
Województwo: Poza Polską
Rejestracja: 06 Lut 2016, Posty: 63
|
Witam, Mam podobny problem co autor tematu. Od weekendu mam problem z awaryjnymi w GP. Oto w piatek zostawilem auto na parkingu i sie dowiedzialem dzien pozniej od sasiada iz przez cala noc moje GP mialo wlaczone awaryjne. W sobote rano nie moglem auta odpalic bo padl aku, wiec odpalilem za pomoca kabli i zrobilem prawie 100 km i zero problemow w trasie. Dojechalem pod dom i awaryjne same sie wlaczyly i juz ich nie moge wylaczyc - odpiolem kleme z - i to chwilowo rozwiazalo problem. Wydaje mi sie iz zapach zalal mi przycisk awaryjnych jednak nie jestem w stanie tego sprawdzic... Jak moge odpiac panel awaryjnych aby sie upewnic ze to on jest winny tej sytuacji ? Psss Jak auto stoi z podpietym aku to co jakis czas same sie zapalaja awaryjne 
| Załączniki: |
20191104_171518.jpg [ 61.38 KiB | Obejrzany 5395 razy ]
|
|
|
| Góra |
|
 |
|
kris84 |
#850662 Wysłany:
04 Lis 2019, 19:15; Temat postu: Re: Problem światła awaryjne |
|
 |
| Puntoświr |
Imię: Krzych
Samochód: Grande Punto 3d
Silnik: 1.3 90KM mJTD
Paliwo: ON
Wersja: Sporting
Województwo: śląskie [S]
Miejscowość: Tarnowskie Góry Rejestracja: 06 Lut 2012, Posty: 814 Pomógł: 11
|
|
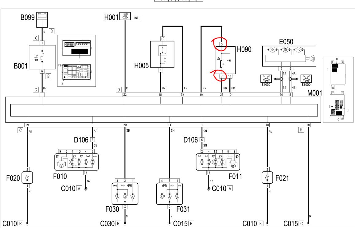
Odepnij wtyczkę z tego panelu i pojeździj trochę. Awaryjne możesz wywołać wtedy ręcznie zwierając pin 5 i 7, jedno zwarcie je włączy, kolejne zwarcie je wyłączy.
| Załączniki: |
awaryjne.JPG [ 104.59 KiB | Obejrzany 5393 razy ]
|
|
|
| Góra |
|
 |
|
beny.rac |
#850663 Wysłany:
04 Lis 2019, 19:59; Temat postu: Re: Problem światła awaryjne |
|
 |
| Puntomaniak |
Imię: Daniel
Samochód: Grande Punto 5d
Silnik: 1.4 8V 77KM
Paliwo: Benzyna
Województwo: Poza Polską
Rejestracja: 06 Lut 2016, Posty: 63
|
krisDzieki za odp. A jak moge odpiac ten panel ? Wg tej instrukcji ? post253547.htmlCzyli zdemontowac radio plus kratki nawiewu ? To schemat skrzynki bezpiecznikow ? 
|
|
| Góra |
|
 |
|
kris84 |
#850665 Wysłany:
04 Lis 2019, 20:12; Temat postu: Re: Problem światła awaryjne |
|
 |
| Puntoświr |
Imię: Krzych
Samochód: Grande Punto 3d
Silnik: 1.3 90KM mJTD
Paliwo: ON
Wersja: Sporting
Województwo: śląskie [S]
Miejscowość: Tarnowskie Góry Rejestracja: 06 Lut 2012, Posty: 814 Pomógł: 11
|
|
Tak, wg. tej instrukcji, przy czym nawiewów nie musisz wyciągać, wtyczkę wymacasz placami i odepniesz bez wyjmowania nawiewów (gorzej będzie podpiąć na macanego ale to też nie jest żaden duży problem).
Powyższy schemat to schemat działania świateł awaryjnych i kierunkowskazów. Ściągnij sobie eLearn do Grande Punto.
|
|
| Góra |
|
 |
|
Strona 1 z 1
|
[ 12 posty(ów) ] |
|
|
Nie możesz zakładać nowych tematów na tym forum Nie możesz odpowiadać w tematach na tym forum Nie możesz edytować swoich postów na tym forum Nie możesz usuwać swoich postów na tym forum Nie możesz dodawać załączników na tym forum
|
|