|
Obecny czas: 13 Sty 2026, 15:06
|
Zobacz posty bez odpowiedzi | Zobacz aktywne tematy
|
Strona 1 z 1
|
[ 4 posty(ów) ] |
|
| Autor |
Wiadomość |
|
Skipi |
#832640 Wysłany:
31 Gru 2017, 21:45; Temat postu: 4 poziom nawiewu nie działa (odparowanie) |
|
 |
| Forumowicz |
Imię: Kamil
Samochód: Grande Punto 3d
Silnik: 1.3 75KM mJTD
Paliwo: ON
Województwo: wielkopolskie [P]
Rejestracja: 31 Gru 2017, Posty: 2
|
|
Witam,
Posiadam już od roku grande punto 3-drzwiowy z 2006r. 1.3JTD 55kw/75km, diesel. Nie jestem specem od fiatów ale chyba mega najtańsza wersja wyposażenia jaka była dostępna (bez klimy, 5 stopniowa skrzynia biegów) co prawda jest wspomaganie elektryczne (city) i el. szyby ale to mogę się domyślać było w standardzie.
Od jakiegoś czasu nie działa mi 4 poziom nawiewu (ten od odparowania szyby co tak głośno chodzi), wszystkie inne pozostałe działają bez zarzutu, to raczej jest jakaś prosta usterka? Może coś z bezpiecznikami wyskoczyło ?
|
|
| Góra |
|
 |
|
|
|
abel |
#832666 Wysłany:
01 Sty 2018, 20:45; Temat postu: Re: 4 poziom nawiewu nie działa (odparowanie) |
|
 |
| Puntoświr |
Samochód: Inny Fiat
Silnik: Inny
Paliwo: Benzyna
Wersja: Emotion
Województwo: warmińsko-mazurskie [N]
Miejscowość: ełk Rejestracja: 12 Cze 2007, Posty: 574 Pomógł: 18
|
|
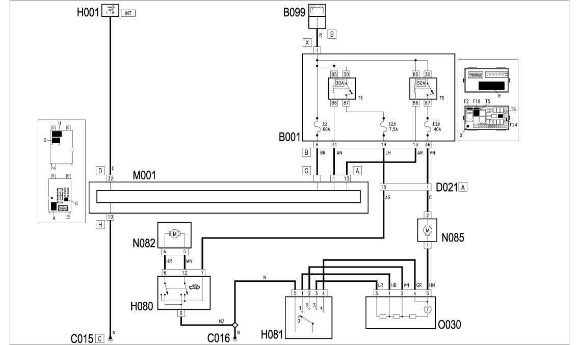
Czwarty bieg wentylatora ma swój własny bezpiecznik
| Załączniki: |
Komentarz do pliku: Sprawdź
nagrzewnica.png [ 54.1 KiB | Obejrzany 1859 razy ]
|
|
|
| Góra |
|
 |
|
Piter.rcsm |
#832692 Wysłany:
02 Sty 2018, 08:52; Temat postu: Re: 4 poziom nawiewu nie działa (odparowanie) |
|
 |
| Klubowicz |
 |
Imię: Piotr
Samochód: Punto II 3d
Silnik: 1.4 16V 95KM
Paliwo: Benzyna
Wersja: Sporting
Województwo: małopolskie [K]
Miejscowość: Kraków Rejestracja: 10 Mar 2017, Posty: 104
|
|
abel, w którym miejscu to widzisz?
|
|
| Góra |
|
 |
|
abel |
#832694 Wysłany:
02 Sty 2018, 10:10; Temat postu: Re: 4 poziom nawiewu nie działa (odparowanie) |
|
 |
| Puntoświr |
Samochód: Inny Fiat
Silnik: Inny
Paliwo: Benzyna
Wersja: Emotion
Województwo: warmińsko-mazurskie [N]
Miejscowość: ełk Rejestracja: 12 Cze 2007, Posty: 574 Pomógł: 18
|
|
Piter .Masz rację jest jeden bezpiecznik . W takim razie warto sprawdzić kostkę połączeniowa D021 . Przy tak dużym prądzie na IV biegu mogło upalc stopić w tym miejscu
|
|
| Góra |
|
 |
|
Strona 1 z 1
|
[ 4 posty(ów) ] |
|
|
Nie możesz zakładać nowych tematów na tym forum Nie możesz odpowiadać w tematach na tym forum Nie możesz edytować swoich postów na tym forum Nie możesz usuwać swoich postów na tym forum Nie możesz dodawać załączników na tym forum
|
|