|
Obecny czas: 13 Sty 2026, 20:45
|
Zobacz posty bez odpowiedzi | Zobacz aktywne tematy
|
Strona 1 z 1
|
[ 16 posty(ów) ] |
|
| Autor |
Wiadomość |
|
mikita |
#690618 Wysłany:
13 Wrz 2013, 19:03; Temat postu: Nie działa oświetlenie wnętrza oraz kontrolka otwarcia drzwi |
|
 |
| Puntomaniak |
 |
Miejscowość: Katowice Rejestracja: 28 Maj 2008, Posty: 54
|
|
Witam, Jak w temacie, nie działa po otwarciu przednich drzwi od strony kierowcy. W pozostałych drzwiach i bagażniku wszystko działa. Ma ktoś jakieś pomysły lub ewentualnie już ktoś miał taki problem?
_________________ Dynamic 1.4 8V 2007 5d,Rock'n'roll
|
|
| Góra |
|
 |
|
|
|
autofan |
#690632 Wysłany:
13 Wrz 2013, 20:41; Temat postu: Re: Nie działa oświetlenie wnętrza oraz kontrolka otwarcia d |
|
 |
| Puntoświr |
Imię: Krzysiek
Samochód: Grande Punto 3d
Silnik: 1.4 8V 77KM
Paliwo: Benzyna
Wersja: Energy
Województwo: pomorskie [G]
Rejestracja: 06 Lis 2007, Posty: 1009 Pomógł: 20
|
Czy samochód masz od nowości? Rozumie, że nie świeci się kontrolka po otwarciu dzwi? Sygnał do auta wysyła zamek dzwi i prawdopodobnie się uszkodził i wyswietlał kontrolkę oraz świecił lampką mimo zamknietych dzwi, więc prawdopodobnie ktoś zamknął obwód na stałe, więc auto myśli, że dzwi są cały czas zamknięte. Zamknięcie dzwi zamyka obwód i to wygasza kontrolkę 
_________________ Fiat Grande Punto 1.4 8V 77km, Energy, 3 dzwiowy, szary jungle.
|
|
| Góra |
|
 |
|
szamot666 |
#690692 Wysłany:
13 Wrz 2013, 23:26; Temat postu: Re: Nie działa oświetlenie wnętrza oraz kontrolka otwarcia d |
|
 |
| Puntoświr |
 |
Imię: Tomek
Samochód: Punto II 5d
Silnik: 1.2 16V 80KM
Paliwo: Benzyna
Wersja: ELX
Województwo: wielkopolskie [P]
Miejscowość: Poznań Rejestracja: 16 Lis 2011, Posty: 1095 Pomógł: 31
|
|
Zgadzam się z kolegą autofan, problem napewno dotyczy czujnika drzwi, możliwe że właśnie został zmostkowany albo uszkodził się i nie odskakuje. sprawdź go.
_________________ szamot666
Była: kropka -> http://fiatpunto.com.pl/topic32828.html Jest: Ford Focus MK2 FL 2010 1.6 100HP.
|
|
| Góra |
|
 |
|
mikita |
#690825 Wysłany:
14 Wrz 2013, 20:16; Temat postu: Re: Nie działa oświetlenie wnętrza oraz kontrolka otwarcia d |
|
 |
| Puntomaniak |
 |
Miejscowość: Katowice Rejestracja: 28 Maj 2008, Posty: 54
|
|
Auto mam od nowości i nikt tego nie zmostkował. Możecie Panowie naprowadzić mnie bardziej na ten czujnik w zamku.Jutro pooglądam zamek i porównam z drugimi drzwiami przy świetle dziennym. Pozdrawiam.
_________________ Dynamic 1.4 8V 2007 5d,Rock'n'roll
|
|
| Góra |
|
 |
|
KICIUŚ |
#690906 Wysłany:
15 Wrz 2013, 11:30; Temat postu: Re: Nie działa oświetlenie wnętrza oraz kontrolka otwarcia d |
|
 |
| Puntomaniak |
 |
Miejscowość: GDAŃSK Rejestracja: 30 Paź 2008, Posty: 63 Pomógł: 2
|
|
| Góra |
|
 |
|
mikita |
#691934 Wysłany:
21 Wrz 2013, 15:53; Temat postu: Re: Nie działa oświetlenie wnętrza oraz kontrolka otwarcia d |
|
 |
| Puntomaniak |
 |
Miejscowość: Katowice Rejestracja: 28 Maj 2008, Posty: 54
|
|
Znalazłem przyczynę, rację miał kolega "kiciuś". Przerwany przewód w przelotce. Dla potomnych: kolor niebieski cieńki, bo jest jeszcze drugi niebieski ale grubszy. Sprawę załatwiłem bez ściągania boczka drzwi. Generalnie proste. 20 min i po sprawie. Dodatkowo zauważyłem że teraz przy otwarciu drzwi zaświeca się jeszcze oprócz rzeczy jak w temacie - licznik km. Dzięki za podpowiedzi. Pozdrawiam.
_________________ Dynamic 1.4 8V 2007 5d,Rock'n'roll
|
|
| Góra |
|
 |
|
Gosiak |
#849295 Wysłany:
13 Sie 2019, 23:40; Temat postu: Re: Nie działa oświetlenie wnętrza oraz kontrolka otwarcia d |
|
 |
| Sympatyk kropek |
Imię: Małgorzata
Samochód: Punto II FL 5d
Silnik: 1.2 8V 60KM
Paliwo: Benzyna + LPG
Wersja: Dynamic
Województwo: kujawsko-pomorskie [C]
Miejscowość: Bydgoszcz Rejestracja: 06 Sie 2019, Posty: 25
|
mikita napisał(a): Znalazłem przyczynę, rację miał kolega "kiciuś". Przerwany przewód w przelotce. Dla potomnych: kolor niebieski cieńki, bo jest jeszcze drugi niebieski ale grubszy. Sprawę załatwiłem bez ściągania boczka drzwi. Generalnie proste. 20 min i po sprawie. Dodatkowo zauważyłem że teraz przy otwarciu drzwi zaświeca się jeszcze oprócz rzeczy jak w temacie - licznik km. Dzięki za podpowiedzi. Pozdrawiam. Mam ten sam problem i też z drzwiami kierowcy mógłbyś mi jak krowie na rowie opisać krok po kroku jak to sprawdzić, co i jak zdemontować? Wiem, że minęło dobrych kilka lat, ale może jeszcze pamiętasz  Jestem kobietą co tak nie bardzo zna się na określeniach typowo mechanicznych/ elektrycznych  jakby dało radę kilka zdjęć albo jakiś filmik wrzucić gdzie mam tego szukać to będę stokroć wdzięczna 
|
|
| Góra |
|
 |
|
autofan |
#849305 Wysłany:
14 Sie 2019, 16:46; Temat postu: Re: Nie działa oświetlenie wnętrza oraz kontrolka otwarcia d |
|
 |
| Puntoświr |
Imię: Krzysiek
Samochód: Grande Punto 3d
Silnik: 1.4 8V 77KM
Paliwo: Benzyna
Wersja: Energy
Województwo: pomorskie [G]
Rejestracja: 06 Lis 2007, Posty: 1009 Pomógł: 20
|
Tu chodzi o tą przelotkę (taki "wężyk" mający kable w środku łączący drzwi z samochodem). Musisz go rozebrać i tam sprawdzić czy kable są całe 
_________________ Fiat Grande Punto 1.4 8V 77km, Energy, 3 dzwiowy, szary jungle.
|
|
| Góra |
|
 |
|
Gosiak |
#849391 Wysłany:
18 Wrz 2019, 10:25; Temat postu: Re: Nie działa oświetlenie wnętrza oraz kontrolka otwarcia d |
|
 |
| Sympatyk kropek |
Imię: Małgorzata
Samochód: Punto II FL 5d
Silnik: 1.2 8V 60KM
Paliwo: Benzyna + LPG
Wersja: Dynamic
Województwo: kujawsko-pomorskie [C]
Miejscowość: Bydgoszcz Rejestracja: 06 Sie 2019, Posty: 25
|
autofan napisał(a): Tu chodzi o tą przelotkę (taki "wężyk" mający kable w środku łączący drzwi z samochodem). Musisz go rozebrać i tam sprawdzić czy kable są całe  Ok dzięki  domyślam się o co chodzi  Zajrzę tam z ojcem jak się trochę podkuruję, bo mnie rozłożyło  Mam nadzieję, że u mnie to też to ta drobnostka będzie [ Dodano: 18 Wrz 2019, 10:24 ]Słuchajcie a co to może być, że wczoraj wracając do domu podczas jazdy włączyło mi się nagle światełko to wewnątrz kabiny  też nie działa mi światełko w bagażniku. Po długiej dłubaninie przy tym światełku w bagażniku, żeby wyciągnąć i sprawdzić żarówkę udało się, ale to nie wina żarówki  Jak bagażnik jest otwarty to kontrolka otwartych drzwi się świeci na desce, więc nie tu problem leży. Już mnie wkurzają te lampki  Jak mają świeci to nie świecą, a jak nie ma to się zapala.
|
|
| Góra |
|
 |
|
sebastiandrozdyk4 |
#850334 Wysłany:
17 Paź 2019, 20:07; Temat postu: Re: Nie działa oświetlenie wnętrza oraz kontrolka otwarcia d |
|
 |
| Sympatyk kropek |
Imię: sebastian
Samochód: Punto Evo 3d
Silnik: 1.3 75KM mJTD
Paliwo: ON
Wersja: Van
Województwo: dolnośląskie [D]
Rejestracja: 22 Wrz 2019, Posty: 27
|
|
Witam, czy może mi ktoś pomoc. Mianowicie chciałbym się dowiedzieć który z kabelków od czujnika w zamku przesyła obwód do lampki sufitowej bo chcę na nim zmostkować jeszcze lampkę led do oświetlenia tzw. kałuży po otwarciu drzwi.
|
|
| Góra |
|
 |
|
radex324 |
#850337 Wysłany:
17 Paź 2019, 21:25; Temat postu: Re: Nie działa oświetlenie wnętrza oraz kontrolka otwarcia d |
|
 |
| Puntoświr |
 |
Imię: Radek
Samochód: Grande Punto 3d
Silnik: Inny
Paliwo: Benzyna + LPG
Wersja: Dynamic
Województwo: śląskie [S]
Rejestracja: 19 Sie 2017, Posty: 697 Pomógł: 2
|
|
Proszę.
[ Dodano: 17 Paź 2019, 21:25 ]
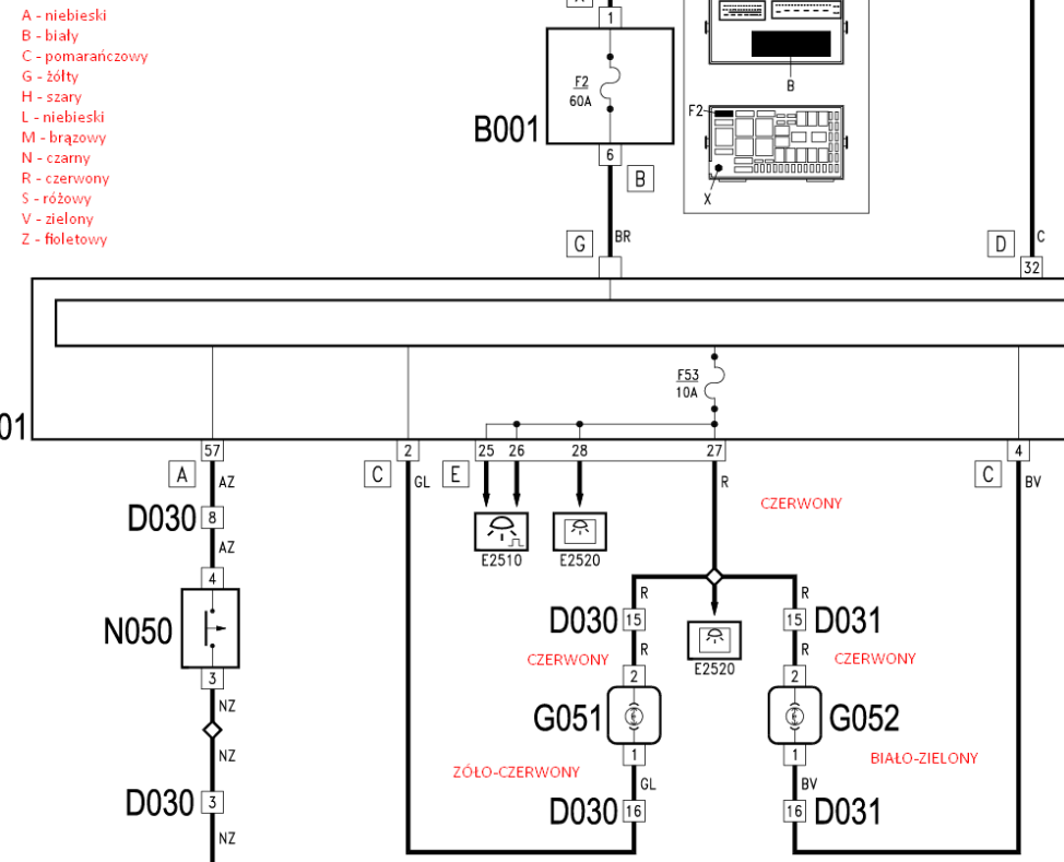
D030 i D031 to złącza drzwi, lampki to G051 i G052
| Załączniki: |
Screenshot_736.png [ 94.3 KiB | Obejrzany 6538 razy ]
|
|
|
| Góra |
|
 |
|
sebastiandrozdyk4 |
#850363 Wysłany:
18 Paź 2019, 22:55; Temat postu: Re: Nie działa oświetlenie wnętrza oraz kontrolka otwarcia d |
|
 |
| Sympatyk kropek |
Imię: sebastian
Samochód: Punto Evo 3d
Silnik: 1.3 75KM mJTD
Paliwo: ON
Wersja: Van
Województwo: dolnośląskie [D]
Rejestracja: 22 Wrz 2019, Posty: 27
|
|
ok ale możesz mi powiedzieć jeszcze jak w drzwiach to podłączyć?. Mianowicie masę mogę podłączyć pod blachy w drzwiach, ale plus żeby doszło napięcie do lampki to z którego przewodu z czujnika w zamku?
|
|
| Góra |
|
 |
|
radex324 |
#850366 Wysłany:
19 Paź 2019, 08:45; Temat postu: Re: Nie działa oświetlenie wnętrza oraz kontrolka otwarcia d |
|
 |
| Puntoświr |
 |
Imię: Radek
Samochód: Grande Punto 3d
Silnik: Inny
Paliwo: Benzyna + LPG
Wersja: Dynamic
Województwo: śląskie [S]
Rejestracja: 19 Sie 2017, Posty: 697 Pomógł: 2
|
|
2 przewody ciągniesz jak na schemacie.
|
|
| Góra |
|
 |
|
sebastiandrozdyk4 |
#850371 Wysłany:
19 Paź 2019, 21:04; Temat postu: Re: Nie działa oświetlenie wnętrza oraz kontrolka otwarcia d |
|
 |
| Sympatyk kropek |
Imię: sebastian
Samochód: Punto Evo 3d
Silnik: 1.3 75KM mJTD
Paliwo: ON
Wersja: Van
Województwo: dolnośląskie [D]
Rejestracja: 22 Wrz 2019, Posty: 27
|
|
Tak ale ja w lampce kałużowej mam tylko dwa przewody: jeden to masa a drugi plus. A w lampce na suficie są trzy przewody: masa i dwa prądowe. No bo chciałem z lampki z sufitu podłączyć ale dwa plusy jak mam podłączyć?
|
|
| Góra |
|
 |
|
kris84 |
#850385 Wysłany:
20 Paź 2019, 12:55; Temat postu: Re: Nie działa oświetlenie wnętrza oraz kontrolka otwarcia d |
|
 |
| Puntoświr |
Imię: Krzych
Samochód: Grande Punto 3d
Silnik: 1.3 90KM mJTD
Paliwo: ON
Wersja: Sporting
Województwo: śląskie [S]
Miejscowość: Tarnowskie Góry Rejestracja: 06 Lut 2012, Posty: 814 Pomógł: 11
|
|
sebastiandrozdyk4, zapomnij o łączeniu tego z lampką sufitową, Radek wrzucił Ci schemat elektryczny jak to jest podłączone fabrycznie, schemat pokazuje każdy kabelek, jeżeli ten schemat nie jest dla Ciebie czytelny, zwyczajnie odpuść temat bo widzimy że jeszcze nie masz tyle wiedzy z zakresu elektryki żeby w ogóle podjąć próbę walki z tym tematem
|
|
| Góra |
|
 |
|
radex324 |
#850387 Wysłany:
20 Paź 2019, 14:58; Temat postu: Re: Nie działa oświetlenie wnętrza oraz kontrolka otwarcia d |
|
 |
| Puntoświr |
 |
Imię: Radek
Samochód: Grande Punto 3d
Silnik: Inny
Paliwo: Benzyna + LPG
Wersja: Dynamic
Województwo: śląskie [S]
Rejestracja: 19 Sie 2017, Posty: 697 Pomógł: 2
|
|
sebastiandrozdyk4, Można pod lampkę ale to jest bardziej skomplikowane a mi się nie chcę tłumaczyć i nowych schematów robić. Piny potrzebne kupisz na allegro.
|
|
| Góra |
|
 |
|
Strona 1 z 1
|
[ 16 posty(ów) ] |
|
|
Nie możesz zakładać nowych tematów na tym forum Nie możesz odpowiadać w tematach na tym forum Nie możesz edytować swoich postów na tym forum Nie możesz usuwać swoich postów na tym forum Nie możesz dodawać załączników na tym forum
|
|