|
Obecny czas: 12 Sty 2026, 16:26
|
Zobacz posty bez odpowiedzi | Zobacz aktywne tematy
|
Strona 1 z 1
|
[ 9 posty(ów) ] |
|
| Autor |
Wiadomość |
|
lord boss |
#817080 Wysłany:
31 Gru 2016, 13:06; Temat postu: Brak ogrzewania lusterek |
|
 |
| Sympatyk kropek |
Imię: Michał
Samochód: Grande Punto 5d
Silnik: 1.3 90KM mJTD
Paliwo: ON
Województwo: małopolskie [K]
Rejestracja: 19 Lis 2016, Posty: 15
|
|
Witam, W moim Pluto nie działają ogrzewane lusterka. Bezpiecznik 43 jest cały a lustra zimne. Tylna szyba grzeje normalnie Punto jest w wersji Dynamik Ma ktoś jakiś pomysł? Pozdrawiam
_________________
|
|
| Góra |
|
 |
|
|
|
abel |
#817084 Wysłany:
31 Gru 2016, 13:43; Temat postu: Re: Brak ogrzewania lusterek |
|
 |
| Puntoświr |
Samochód: Inny Fiat
Silnik: Inny
Paliwo: Benzyna
Wersja: Emotion
Województwo: warmińsko-mazurskie [N]
Miejscowość: ełk Rejestracja: 12 Cze 2007, Posty: 574 Pomógł: 18
|
|
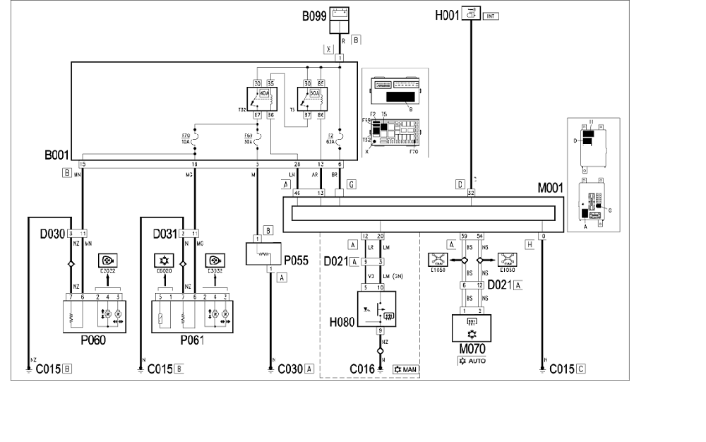
Oba nie grzeją ? Od lusterek i szyby są oddzielne bezpieczniki.
| Załączniki: |
Komentarz do pliku: Ten od lusterek ma 10A
ogrzewanie tylnej szyby plus lusterka.png [ 85.86 KiB | Obejrzany 5657 razy ]
|
|
|
| Góra |
|
 |
|
lord boss |
#817085 Wysłany:
31 Gru 2016, 13:56; Temat postu: Re: Brak ogrzewania lusterek |
|
 |
| Sympatyk kropek |
Imię: Michał
Samochód: Grande Punto 5d
Silnik: 1.3 90KM mJTD
Paliwo: ON
Województwo: małopolskie [K]
Rejestracja: 19 Lis 2016, Posty: 15
|
|
Dziękuję za schemat Niestety ale dwa nie grzeją. Wiem że są osobne bezpieczniki F70 który fizycznie jest bezpiecznikiem 43. 42 to szyba tylna
_________________
|
|
| Góra |
|
 |
|
wojtek1967 |
#817088 Wysłany:
31 Gru 2016, 14:33; Temat postu: Re: Brak ogrzewania lusterek |
|
 |
| Puntoświr |
 |
Imię: Wojtek
Samochód: Fiat Tipo II
Silnik: 1.4 16V 120KM
Paliwo: Benzyna
Wersja: Lounge
Województwo: kujawsko-pomorskie [C]
Miejscowość: Zamość k/Bydgoszczy Rejestracja: 15 Paź 2010, Posty: 380 Pomógł: 7
|
|
| Góra |
|
 |
|
lord boss |
#817089 Wysłany:
31 Gru 2016, 14:48; Temat postu: Re: Brak ogrzewania lusterek |
|
 |
| Sympatyk kropek |
Imię: Michał
Samochód: Grande Punto 5d
Silnik: 1.3 90KM mJTD
Paliwo: ON
Województwo: małopolskie [K]
Rejestracja: 19 Lis 2016, Posty: 15
|
|
Tylko że ja mam maty i instalację a dziady nie grzeją A dołożyć grzanie w punto to moim zdaniem 2h pracy. Kompletne lusterko można kupić za 50 zł. Nawet lewe bez obudowy mi leży w garażu
_________________
|
|
| Góra |
|
 |
|
abel |
#817090 Wysłany:
31 Gru 2016, 15:10; Temat postu: Re: Brak ogrzewania lusterek |
|
 |
| Puntoświr |
Samochód: Inny Fiat
Silnik: Inny
Paliwo: Benzyna
Wersja: Emotion
Województwo: warmińsko-mazurskie [N]
Miejscowość: ełk Rejestracja: 12 Cze 2007, Posty: 574 Pomógł: 18
|
|
Rozepnij wtyczkę od drzwi i pomierzyć z jednej strony czy np jest napięcie na gnieździe , zrób to żarówka np 21W , a od strony lusterek zmierz jaki jest opór na przewodach od mat grzewczych . Być może przewód się złamał przy wtyczce . Dziwne by było jakby przelamaly od dwóch lusterek w tym samym czasie
|
|
| Góra |
|
 |
|
lord boss |
#817091 Wysłany:
31 Gru 2016, 15:39; Temat postu: Re: Brak ogrzewania lusterek |
|
 |
| Sympatyk kropek |
Imię: Michał
Samochód: Grande Punto 5d
Silnik: 1.3 90KM mJTD
Paliwo: ON
Województwo: małopolskie [K]
Rejestracja: 19 Lis 2016, Posty: 15
|
|
Masz może rozpiskę pinów tej kostki na słupku? Niestety nie wiem kiedy przestały grzały bo auto mam od półtora miesiąca. Od czasu jak je mam nie świeciły. Jedną wiązke drzwi przekladalem i jest w porządku. Dziękuję za pomoc
_________________
|
|
| Góra |
|
 |
|
majotom |
#854497 Wysłany:
18 Lis 2020, 12:29; Temat postu: Re: Brak ogrzewania lusterek |
|
 |
| Sympatyk kropek |
Imię: Tomek
Samochód: Punto 2012
Silnik: 1.2 8V 69KM
Paliwo: Benzyna + LPG
Województwo: śląskie [S]
Miejscowość: Tarnowskie Góry Rejestracja: 12 Sty 2012, Posty: 5
|
Klubowicze, mam do rozwiązania problem... czemu ma służyć czarny przewód ze zdjęcia wychodzący z wiązki w drzwiach, przy kostce w lusterku lewym (kierowcy) Chodzi o Punto 2012 1.2, rok 2015, które nie ma ogrzewania lusterek, a chciałbym by miało W skrzynce bezpieczników pod maską jest o dziwo wpięty zarówno bezpiecznik poz 20 (30 A - podgrzewana szyba, jak i poz 88 (7,5A) - teoretycznie podgrzanie lusterek) Sprawdzałem napięcie na tym czarnym kablu przy włączonym zapłonie i włączonym ogrzewaniu szyby i niestety jest brak napięcia.
| Załączniki: |
IMG_20201118_081816.jpg [ 63.35 KiB | Obejrzany 4471 razy ]
|
|
|
| Góra |
|
 |
|
kris84 |
#854608 Wysłany:
03 Gru 2020, 14:50; Temat postu: Re: Brak ogrzewania lusterek |
|
 |
| Puntoświr |
Imię: Krzych
Samochód: Grande Punto 3d
Silnik: 1.3 90KM mJTD
Paliwo: ON
Wersja: Sporting
Województwo: śląskie [S]
Miejscowość: Tarnowskie Góry Rejestracja: 06 Lut 2012, Posty: 814 Pomógł: 11
|
|
Wszystkie punta maja ten przewód. Nie wiem co to jest za uszko, ale ten przewód nie jest od ogrzewania lusterek.
|
|
| Góra |
|
 |
|
Strona 1 z 1
|
[ 9 posty(ów) ] |
|
|
Nie możesz zakładać nowych tematów na tym forum Nie możesz odpowiadać w tematach na tym forum Nie możesz edytować swoich postów na tym forum Nie możesz usuwać swoich postów na tym forum Nie możesz dodawać załączników na tym forum
|
|