|
Obecny czas: 13 Sty 2026, 12:53
|
Zobacz posty bez odpowiedzi | Zobacz aktywne tematy
|
Strona 1 z 1
|
[ 19 posty(ów) ] |
|
| Autor |
Wiadomość |
|
kewert |
#847036 Wysłany:
03 Kwi 2019, 02:32; Temat postu: Gdzie znajduje się oryginalna centralka czujników parkowania |
|
 |
| Sympatyk kropek |
Samochód: Grande Punto 5d
Silnik: 1.4 16V 95KM
Paliwo: Benzyna
Wersja: Emotion
Województwo: dolnośląskie [D]
Rejestracja: 21 Lis 2018, Posty: 17
|
|
Witam
Gdzie należy szukać oryginalnej centralki(ewentualnie wiązki/kostki jeżeli brak centralki) czujników parkowania w Grande Punto? Jeżeli ktoś ma możliwość to prosiłbym o zdjęcie. Chciałbym zamontować u siebie oryginalne czujniki ale najpierw muszę sprawdzić w jakim stopniu jest u mnie zainstalowana instalacja.
|
|
| Góra |
|
 |
|
|
|
lach.andrzejp |
#847039 Wysłany:
03 Kwi 2019, 12:28; Temat postu: Re: Gdzie znajduje się oryginalna centralka czujników parkow |
|
 |
| Puntoświr |
Imię: Andrzej
Samochód: Doblo
Silnik: 1.3 70KM mJTD
Paliwo: ON
Województwo: mazowieckie [W]
Miejscowość: Warszawa Rejestracja: 09 Mar 2019, Posty: 114
|
|
Centralka PDC jest/powinna być w bagażniku obok lampki/gniazda prądowego. ewentualne kostki mogą być schowane w szarej piance przy wiązce. W Punto MY2012 PDC i TMPS jest zasilana z tego samego bezpiecznika chyba f49 w Body
| Załączniki: |
Komentarz do pliku: lokalizacja PDC
IMG_20190403_122452.jpg [ 118.5 KiB | Obejrzany 12819 razy ]
|
|
|
| Góra |
|
 |
|
kewert |
#847040 Wysłany:
03 Kwi 2019, 12:38; Temat postu: Re: Gdzie znajduje się oryginalna centralka czujników parkow |
|
 |
| Sympatyk kropek |
Samochód: Grande Punto 5d
Silnik: 1.4 16V 95KM
Paliwo: Benzyna
Wersja: Emotion
Województwo: dolnośląskie [D]
Rejestracja: 21 Lis 2018, Posty: 17
|
|
Wychodzi w takim razie na to, że nie mam ani centralki ani wiązki. Jest sens pchać się w takim przypadku w ciągnięcie nowej wiązki czy lepiej zamontować niefabryczne czujniki np. Valeo?
|
|
| Góra |
|
 |
|
lach.andrzejp |
#847050 Wysłany:
04 Kwi 2019, 15:10; Temat postu: Re: Gdzie znajduje się oryginalna centralka czujników parkow |
|
 |
| Puntoświr |
Imię: Andrzej
Samochód: Doblo
Silnik: 1.3 70KM mJTD
Paliwo: ON
Województwo: mazowieckie [W]
Miejscowość: Warszawa Rejestracja: 09 Mar 2019, Posty: 114
|
|
jeśli chcesz i będzie działać próbuj ori. Koszta: centralka 50-200zl czujniki z wiązką jak znajdziesz ~140zl koszyki których numeru nie mogę znaleźć piny ~10zł zanim cokolwiek zaczniesz sprawdź czy w body możesz aktywować PDC. U mnie jest na tym samym bezpieczniku i pinie co TMPS, ale po aktywowaniu funkcji nie pojawia się napięcie na pinie. Położyłem linie CAN, ale na razie nie wiem czy działa. Muszę podać napięcie bezpośrednio na centralkę PDC i sprawdzić czy można się z nią przez CAN'a połączyć. Inaczej masa pracy "psu w pupe" W opisie jest napisane, że centralka dostaje po linii CAN sygnał biegu wstecznego i wysyła powiadomienia do licznika (licznik pewnie tylko pika) Czujniki uniwersalne 50 zł i więcej Czujniki Valeo Aftermarket 400-500zł
[ Dodano: 04 Kwi 2019, 14:10 ]
Jeszcze można spróbować zrobić hybrydę, ale nie wiem czy to będzie działało: ori centralka i uniwersalne czujniki. Odpada kwestia zaczepów do zderzaka. Właśnie podłączyłem zasilanie, ponieważ mój Body nie chciał dać zasilania na odpowiednim pinie. Body wykrył centralkę PDC, a licznik wyświetlił magiczne "asystent parkowania niedostępny". Czyli nową linie CAN wykrył. Mam tylko problem z Osiowaniem, ponieważ od jakiegoś czasu wywala mi błąd przy centralce AIRBAG.
|
|
| Góra |
|
 |
|
maciekt8 |
#848212 Wysłany:
10 Cze 2019, 22:42; Temat postu: Re: Gdzie znajduje się oryginalna centralka czujników parkow |
|
 |
| Puntoświr |
Imię: Maciek
Samochód: Grande Punto 3d
Silnik: 1.4 16V 120KM
Paliwo: Benzyna + LPG
Wersja: Sport
Województwo: mazowieckie [W]
Miejscowość: Żyrardów Rejestracja: 08 Lis 2014, Posty: 225 Pomógł: 6
|
lach.andrzejp napisał(a): Jeszcze można spróbować zrobić hybrydę, ale nie wiem czy to będzie działało: ori centralka i uniwersalne czujniki. Odpada kwestia zaczepów do zderzaka. Dokładnie mam taki plan. Moduł pdc kupiłem od alfy mito i wpiałem się w gniazdo obd masa i plus oraz can l i can h sieci canB i centralkę wykryło itd. lach.andrzejp napisał(a): a licznik wyświetlił magiczne "asystent parkowania niedostępny" Ten komunikat wyświetla się u mnie dopiero jak wrzucę wsteczny. Wyświetla się dlatego że brak podłączonych czujników. Też się zastanawiam czy da radę tak zrobić żeby wykorzystać proste czujniki inne niż ori. Ori posiadają 3 piny plus minus i sygnał a większość chinczyków ma dwa wyprowadzenia ekran i środkowy.
_________________ la nostra passione cars
|
|
| Góra |
|
 |
|
lach.andrzejp |
#848221 Wysłany:
11 Cze 2019, 08:37; Temat postu: Re: Gdzie znajduje się oryginalna centralka czujników parkow |
|
 |
| Puntoświr |
Imię: Andrzej
Samochód: Doblo
Silnik: 1.3 70KM mJTD
Paliwo: ON
Województwo: mazowieckie [W]
Miejscowość: Warszawa Rejestracja: 09 Mar 2019, Posty: 114
|
|
Najlepiej znajdź sobie zderzak z czujnikami i wiązką. Ja popełniłem błąd i kupiłem czujniki (od Mito) osobno i bez koszyków. W ASO koszyk nie występuje osobno tylko z czujnikiem około 500zł. potem kupiłem wiązkę czujników (od Mito) i musiałem ją przedłużyć na środku zderzaka o 22cm, bo czujniki w Punto są szerzej zamontowane. Później chciałem kupić zderzak z koszykami, ale koszta przesyłki są zabójcze ze względu na gabaryty. Sprzedawca wyciął ze zderzaka koszyki, a ja oddzieliłem je nożykiem introligatorskim. Kupiłem wiertło stopniowe 4-22mm (chyba) i po zdjęciu zderzaka zobaczyłem oznaczone fabryczne miejsca pod czujniki. Czytałem o rożnych klejach, ale użyłem dwuskładnikowego CX-80 i na razie się trzyma. Otwór jest chyba 18mm pod czujnik. Koszyki są wgrzane w zderzak z dwóch stron. Po pomalowaniu wsadziłem czujniki do koszyków, stopkę koszyka posmarowałem klejem (tak żeby przy dociskaniu klej wyszedł na zewnątrz, a nie do czujnika) i przykleiłem do zderzaka. W ten sposób uniknąłem zabawy z przyklejeniem koszyka i ewentualnym nie pasowaniem czujnika, gdy koszyk się przesunie. Czujnik musi przejść przez zderzak i się z nim zrównać. Co kilka minut dociskałem lekko obracając koszyk z czujnikiem żeby się wyrównał ze zderzakiem. Czujniki zewnętrzne mają taki dziwny numer ich złącze/wtyk jest skierowane do tablicy rejestracyjnej, a wewnętrzne mają numer normalny i wtyk jest skierowany na zewnątrz.
|
|
| Góra |
|
 |
|
majker |
#853272 Wysłany:
28 Cze 2020, 18:58; Temat postu: Re: Gdzie znajduje się oryginalna centralka czujników parkow |
|
 |
| Sympatyk kropek |
Imię: Kamil
Samochód: Abarth Punto Evo
Silnik: 1.4 16V 185KM
Paliwo: Benzyna
Województwo: małopolskie [K]
Miejscowość: Kraków Rejestracja: 01 Maj 2016, Posty: 41
|
|
Witam,
udało się Wam podłączyć te ori czujniki?
|
|
| Góra |
|
 |
|
lach.andrzejp |
#853305 Wysłany:
01 Lip 2020, 08:22; Temat postu: Re: Gdzie znajduje się oryginalna centralka czujników parkow |
|
 |
| Puntoświr |
Imię: Andrzej
Samochód: Doblo
Silnik: 1.3 70KM mJTD
Paliwo: ON
Województwo: mazowieckie [W]
Miejscowość: Warszawa Rejestracja: 09 Mar 2019, Posty: 114
|
|
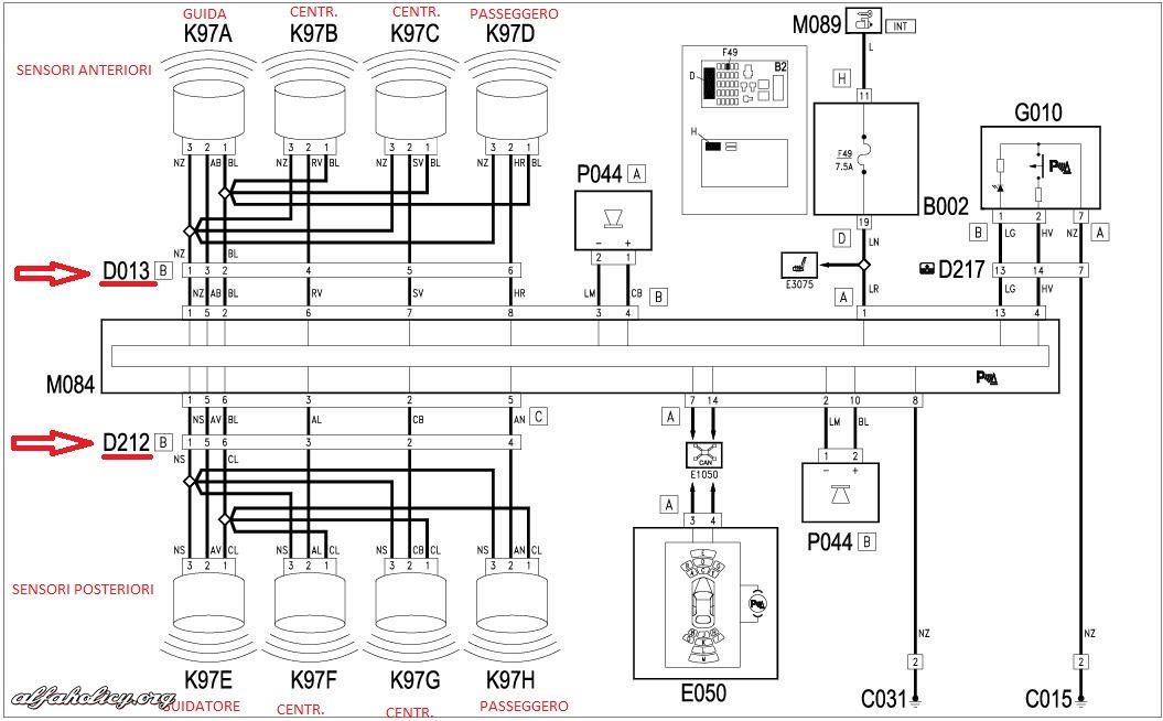
do montażu PDC trzeba przeciągnąć od Body 3 przewody (zasilanie PDC, CAN-L, Can-H) w razie pytań służę pomocą
| Załączniki: |
Komentarz do pliku: schemat czujników przód tył Mito
SCHEMA ELETTRICO SENSORI.jpg [ 104.81 KiB | Obejrzany 11564 razy ]
|
Komentarz do pliku: montaż czujników
IMG_20190426_093032.jpg [ 138.02 KiB | Obejrzany 11564 razy ]
|
Komentarz do pliku: miejsce na czujnik
IMG_20190426_093046.jpg [ 113.27 KiB | Obejrzany 11564 razy ]
|
Komentarz do pliku: schemat pdc evo
IMG_20200701_080114.jpg [ 69.94 KiB | Obejrzany 11564 razy ]
|
|
|
| Góra |
|
 |
|
kris84 |
#853448 Wysłany:
15 Lip 2020, 19:39; Temat postu: Re: Gdzie znajduje się oryginalna centralka czujników parkow |
|
 |
| Puntoświr |
Imię: Krzych
Samochód: Grande Punto 3d
Silnik: 1.3 90KM mJTD
Paliwo: ON
Wersja: Sporting
Województwo: śląskie [S]
Miejscowość: Tarnowskie Góry Rejestracja: 06 Lut 2012, Posty: 814 Pomógł: 11
|
|
Ja mam pytanie, pierwszy schemat jest z Alfy Romeo a drugi z Punto Evo ?
|
|
| Góra |
|
 |
|
lach.andrzejp |
#853535 Wysłany:
26 Lip 2020, 23:04; Temat postu: Re: Gdzie znajduje się oryginalna centralka czujników parkow |
|
 |
| Puntoświr |
Imię: Andrzej
Samochód: Doblo
Silnik: 1.3 70KM mJTD
Paliwo: ON
Województwo: mazowieckie [W]
Miejscowość: Warszawa Rejestracja: 09 Mar 2019, Posty: 114
|
|
Tak załączyłem ten plik bo myślałem nad montażem czujników z przodu. W Alfie był jakiś numer centralki który obsługuje także przednie czujniki. Poza tym po tych dwóch schematach śmiem twierdzić że w grupie fiata wszystkie centralki są zamienne i różnią się tylko softem. Zastanawiałem się także po co są trzy kostki jeśli używa się tylko dwóch
|
|
| Góra |
|
 |
|
kris84 |
#853537 Wysłany:
27 Lip 2020, 09:06; Temat postu: Re: Gdzie znajduje się oryginalna centralka czujników parkow |
|
 |
| Puntoświr |
Imię: Krzych
Samochód: Grande Punto 3d
Silnik: 1.3 90KM mJTD
Paliwo: ON
Wersja: Sporting
Województwo: śląskie [S]
Miejscowość: Tarnowskie Góry Rejestracja: 06 Lut 2012, Posty: 814 Pomógł: 11
|
Wlasnie ta sama mysl mnie naszla, czy przypadkiem nie da rady podpiac centralki obslugujacej tez przednie czujniki Obawiam sie ze zycia mi braknie zeby wszystkie tego typu mody sprawdzic na aucie 
|
|
| Góra |
|
 |
|
lach.andrzejp |
#853538 Wysłany:
27 Lip 2020, 09:39; Temat postu: Re: Gdzie znajduje się oryginalna centralka czujników parkow |
|
 |
| Puntoświr |
Imię: Andrzej
Samochód: Doblo
Silnik: 1.3 70KM mJTD
Paliwo: ON
Województwo: mazowieckie [W]
Miejscowość: Warszawa Rejestracja: 09 Mar 2019, Posty: 114
|
|
Ja szukałem do siebie specjalnie centralki od Evo po numerach z eper ale uważam to teraz za stratę czasu i kasy. Trzeba było mi kupić od grandę za połowę ceny
[ Dodano: 27 Lip 2020, 08:39 ]
Ja szukałem do siebie specjalnie centralki od Evo po numerach z eper ale uważam to teraz za stratę czasu i kasy. Trzeba było mi kupić od grandę za połowę ceny
|
|
| Góra |
|
 |
|
majkiel |
#854651 Wysłany:
11 Gru 2020, 13:52; Temat postu: Re: Gdzie znajduje się oryginalna centralka czujników parkow |
|
 |
| Puntomaniak |
 |
Imię: Krzysztof
Samochód: Grande Punto 3d
Silnik: 1.4 16V 95KM
Paliwo: Benzyna + LPG
Wersja: Sport
Województwo: śląskie [S]
Miejscowość: Gliwice/Knurów Rejestracja: 18 Wrz 2008, Posty: 95
|
|
Podepnę się do tematu. Mam oryginalne czujniki, w zderzaku są oznaczone miejsca montażowe, pisaliście wyżej, że zewnętrzne czujki mają być gniazdem w stronę tablicy, a te po bokach tablicy - złączami skierowanymi w dół. Pytanie, czy da się je jakoś wkleić mając czujnik bez koszyka? Czy może wyciąć z jakiegoś plastiku prostokątne podkładki, do nich czujnik i to do zderzaka?
Druga sprawa to centralka - czy centralki z GP (51744952) i MiTo (50508456 albo 50524069) są kompatybilne? Nie są inaczej skalibrowane albo nie jest tak, że te z Alfy nie "będą gadać" z Punto?
_________________ -- Pozdrawiam Krzysztof vel Majkiel
Uno 1.0 MPI SX 1997, 148kkm Grande Punto 1.4 16V Sport 2007, 212kkm Fiesta 1.25 2009, 111kkm
|
|
| Góra |
|
 |
|
Jachaś |
#854653 Wysłany:
11 Gru 2020, 17:21; Temat postu: Re: Gdzie znajduje się oryginalna centralka czujników parkow |
|
 |
| Moderator |
 |
Samochód: Punto 2012
Silnik: 1.2 8V 69KM
Paliwo: Benzyna
Wersja: Easy
Województwo: świętokrzyskie [T]
Rejestracja: 21 Sty 2019, Posty: 878 Pomógł: 47
|
Co do centralki to ci nie odpowiem, ale jeżeli chodzi o uchwyty, to nie mogłem ich znaleść w katalogu części fiata (wygląda to tak, jakby trzeba było zamówić cały zderzak  ),wiem że do VW można kupić uchwyty do czujników kwestia dobrania pod odpowiedni czujnik. Może też oplel sprzedaje same uchwyty? Z corsy to na 99% by podeszły
_________________ Moje Punto Easy Sport MY2012
|
|
| Góra |
|
 |
|
majkiel |
#854655 Wysłany:
12 Gru 2020, 00:39; Temat postu: Re: Gdzie znajduje się oryginalna centralka czujników parkow |
|
 |
| Puntomaniak |
 |
Imię: Krzysztof
Samochód: Grande Punto 3d
Silnik: 1.4 16V 95KM
Paliwo: Benzyna + LPG
Wersja: Sport
Województwo: śląskie [S]
Miejscowość: Gliwice/Knurów Rejestracja: 18 Wrz 2008, Posty: 95
|
_________________ -- Pozdrawiam Krzysztof vel Majkiel
Uno 1.0 MPI SX 1997, 148kkm Grande Punto 1.4 16V Sport 2007, 212kkm Fiesta 1.25 2009, 111kkm
|
|
| Góra |
|
 |
|
Jachaś |
#854656 Wysłany:
12 Gru 2020, 11:16; Temat postu: Re: Gdzie znajduje się oryginalna centralka czujników parkow |
|
 |
| Moderator |
 |
Samochód: Punto 2012
Silnik: 1.2 8V 69KM
Paliwo: Benzyna
Wersja: Easy
Województwo: świętokrzyskie [T]
Rejestracja: 21 Sty 2019, Posty: 878 Pomógł: 47
|
O tym właśnie mówiłem  . Tylko że fiat takich nie sprzedaje i szukałem po innych producentach samochodów  . Z takimi uchwytami to będzie zrobione jak w fabryce  . Tylko równo wkleić 
_________________ Moje Punto Easy Sport MY2012
|
|
| Góra |
|
 |
|
maciekt8 |
#854687 Wysłany:
14 Gru 2020, 23:03; Temat postu: Re: Gdzie znajduje się oryginalna centralka czujników parkow |
|
 |
| Puntoświr |
Imię: Maciek
Samochód: Grande Punto 3d
Silnik: 1.4 16V 120KM
Paliwo: Benzyna + LPG
Wersja: Sport
Województwo: mazowieckie [W]
Miejscowość: Żyrardów Rejestracja: 08 Lis 2014, Posty: 225 Pomógł: 6
|
|
Są typowo dedykowane do fiata GP w IC. z tego co pamiętam 56zł dałem po zniżkach. numery 061.09.1600 firmy blic.
_________________ la nostra passione cars
|
|
| Góra |
|
 |
|
majkiel |
#854689 Wysłany:
15 Gru 2020, 01:12; Temat postu: Re: Gdzie znajduje się oryginalna centralka czujników parkow |
|
 |
| Puntomaniak |
 |
Imię: Krzysztof
Samochód: Grande Punto 3d
Silnik: 1.4 16V 95KM
Paliwo: Benzyna + LPG
Wersja: Sport
Województwo: śląskie [S]
Miejscowość: Gliwice/Knurów Rejestracja: 18 Wrz 2008, Posty: 95
|
maciekt8 napisał(a): Są typowo dedykowane do fiata GP w IC. z tego co pamiętam 56zł dałem po zniżkach. numery 061.09.1600 firmy blic. Możesz dać jakiś namiar? Jedyne co znalazłem, to jakaś pozycja na amazon (ale nie PL) oraz strona producenta http://www.eurostampsrl.com/pubsite/catalogo/FIAT/PUNTO/GRANDE%20PUNTO%209_2F_05-%3E10_2F_09
_________________ -- Pozdrawiam Krzysztof vel Majkiel
Uno 1.0 MPI SX 1997, 148kkm Grande Punto 1.4 16V Sport 2007, 212kkm Fiesta 1.25 2009, 111kkm
|
|
| Góra |
|
 |
|
maciekt8 |
#854691 Wysłany:
15 Gru 2020, 18:54; Temat postu: Re: Gdzie znajduje się oryginalna centralka czujników parkow |
|
 |
| Puntoświr |
Imię: Maciek
Samochód: Grande Punto 3d
Silnik: 1.4 16V 120KM
Paliwo: Benzyna + LPG
Wersja: Sport
Województwo: mazowieckie [W]
Miejscowość: Żyrardów Rejestracja: 08 Lis 2014, Posty: 225 Pomógł: 6
|
Sory tam był jeszcze taki nr 5503-05-2024965P Pamiętam że cena astronomiczna jak za kawałek plastiku ale po zniżkach właśnie to było coś koło 56zł. A tu link. Może gdzieś w jakimś sklepie się również kupi ja już nie szukałem https://e-katalog.intercars.com.pl/#/pr ... rzaka.html
_________________ la nostra passione cars
|
|
| Góra |
|
 |
|
Strona 1 z 1
|
[ 19 posty(ów) ] |
|
|
Nie możesz zakładać nowych tematów na tym forum Nie możesz odpowiadać w tematach na tym forum Nie możesz edytować swoich postów na tym forum Nie możesz usuwać swoich postów na tym forum Nie możesz dodawać załączników na tym forum
|
|