|
Obecny czas: 12 Sty 2026, 10:07
|
Zobacz posty bez odpowiedzi | Zobacz aktywne tematy
|
Strona 1 z 1
|
[ 21 posty(ów) ] |
|
| Autor |
Wiadomość |
|
w0itas |
#493954 Wysłany:
29 Lip 2011, 00:51; Temat postu: Jak włączam klime nie włącza się wentylator. Dlaczego? |
|
 |
| Sympatyk kropek |
 |
Miejscowość: Radzionków Rejestracja: 29 Lip 2011, Posty: 21
|
Witam. Od kilku dni posiadam punto 3d Sporting 2003 rok silnik 1249 i zauważyłem że przy włączanie klimy nie włącza się wentylator. Coś z nim nie tak ? Pomożecie? Szukałem od godziny czegoś na forum ale odp nie znalazłem:( Jeśli post jest w złym dziale to powiedzcie gdzie go najlepiej umieścić  z góry dzięki i pozdrawiam
|
|
| Góra |
|
 |
|
|
|
_marcin00_ |
#493959 Wysłany:
29 Lip 2011, 07:25; Temat postu: |
|
 |
| Puntoświr |
 |
Imię: Marcin
Samochód: Fiat Tipo II
Silnik: 1.4 16V 120KM
Paliwo: Benzyna
Wersja: Easy
Województwo: kujawsko-pomorskie [C]
Miejscowość: Toruń Rejestracja: 29 Sty 2010, Posty: 3655 Pomógł: 31
|
|
| Góra |
|
 |
|
w0itas |
#493966 Wysłany:
29 Lip 2011, 08:23; Temat postu: |
|
 |
| Sympatyk kropek |
 |
Miejscowość: Radzionków Rejestracja: 29 Lip 2011, Posty: 21
|
|
Obraca sie swobdnie... czyli jednak z nim cos nie tak ?
|
|
| Góra |
|
 |
|
_marcin00_ |
#493967 Wysłany:
29 Lip 2011, 08:31; Temat postu: |
|
 |
| Puntoświr |
 |
Imię: Marcin
Samochód: Fiat Tipo II
Silnik: 1.4 16V 120KM
Paliwo: Benzyna
Wersja: Easy
Województwo: kujawsko-pomorskie [C]
Miejscowość: Toruń Rejestracja: 29 Sty 2010, Posty: 3655 Pomógł: 31
|
|
| Góra |
|
 |
|
w0itas |
#493968 Wysłany:
29 Lip 2011, 08:36; Temat postu: |
|
 |
| Sympatyk kropek |
 |
Miejscowość: Radzionków Rejestracja: 29 Lip 2011, Posty: 21
|
|
mam auto 3 dni i jeszcze wentylatora nie usłyszałem, moze przez pogode... za ciepło nie ma
|
|
| Góra |
|
 |
|
_marcin00_ |
#493969 Wysłany:
29 Lip 2011, 08:43; Temat postu: |
|
 |
| Puntoświr |
 |
Imię: Marcin
Samochód: Fiat Tipo II
Silnik: 1.4 16V 120KM
Paliwo: Benzyna
Wersja: Easy
Województwo: kujawsko-pomorskie [C]
Miejscowość: Toruń Rejestracja: 29 Sty 2010, Posty: 3655 Pomógł: 31
|
|
Jak uruchomisz silnik i po 15minutach na postoju nie włączy się wentylator to znaczy że nie działa, mógł po prostu przepalić się któryś z bezpieczników (wentylator jest dwubiegowy i oba biegi mają bezpieczniki), albo jakiś kabel nie łączy, bądź jest nie podłączony. Jeżeli wentylator kręci się lekko to prawdopodobnie nie jest przyczyną.
Najlepiej podłączyć go na krótko do 12V jak będzie działał to trzeba szukać dalej.
[ Dodano: 29 Lip 2011 08:43 ] A no i trzeba też zauważyć że jak klima się włączy, to wentylator załącza się dopiero jak chłodnica od klimy osiągnie odpowiednią temperaturę. Klima jest sprawna?
_________________ Było: Fiat Punto II 1,2 16V HLX Było: Fiat Stilo 1,6 Trofeo Było: Fiat Grande Punto Sport 1,4 t-jet Jest: Fiat Tipo Easy 1,4 t-jet Jest: Fiat Grande Punto 1,2 8V
|
|
| Góra |
|
 |
|
w0itas |
#493970 Wysłany:
29 Lip 2011, 08:47; Temat postu: |
|
 |
| Sympatyk kropek |
 |
Miejscowość: Radzionków Rejestracja: 29 Lip 2011, Posty: 21
|
|
Sprzedający powiedziała ze działa ( auto było kupione od prywatnego właściciela nie z żadnego komisu czy od handlarza). Po włączeniu klimy załącza się kompresor bo go słuchac i widać ze kręci, powietrze jest chłodniejsze i od razu schodzi para z szyb. Mam tez mazde w której od razu po włączeniu klima odpala wentylator i dlatego sie zdziwiłiłem dlaczego w punto tak nie ma.
|
|
| Góra |
|
 |
|
_marcin00_ |
#493972 Wysłany:
29 Lip 2011, 08:52; Temat postu: |
|
 |
| Puntoświr |
 |
Imię: Marcin
Samochód: Fiat Tipo II
Silnik: 1.4 16V 120KM
Paliwo: Benzyna
Wersja: Easy
Województwo: kujawsko-pomorskie [C]
Miejscowość: Toruń Rejestracja: 29 Sty 2010, Posty: 3655 Pomógł: 31
|
|
| Góra |
|
 |
|
w0itas |
#493973 Wysłany:
29 Lip 2011, 09:08; Temat postu: |
|
 |
| Sympatyk kropek |
 |
Miejscowość: Radzionków Rejestracja: 29 Lip 2011, Posty: 21
|
Dzięki bardzo za pomoc
Sprawdzę czy sie włącza i dam znać
Jak by coś było nie tak to pomożecie naprawić ?:) [ Dodano: 29 Lip 2011 09:08 ]Działa !
Włącza się po 25s i jest bardzo cichy więc go nawet nie zauwazyłem
Dzieki za szybka pomoc
Pozdrawiam 
|
|
| Góra |
|
 |
|
_marcin00_ |
#493997 Wysłany:
29 Lip 2011, 11:07; Temat postu: |
|
 |
| Puntoświr |
 |
Imię: Marcin
Samochód: Fiat Tipo II
Silnik: 1.4 16V 120KM
Paliwo: Benzyna
Wersja: Easy
Województwo: kujawsko-pomorskie [C]
Miejscowość: Toruń Rejestracja: 29 Sty 2010, Posty: 3655 Pomógł: 31
|
|
| Góra |
|
 |
|
w0itas |
#494120 Wysłany:
29 Lip 2011, 23:06; Temat postu: |
|
 |
| Sympatyk kropek |
 |
Miejscowość: Radzionków Rejestracja: 29 Lip 2011, Posty: 21
|
Obowiązkowo się pochwale tylko aparat musi wrócić z wakacji 
|
|
| Góra |
|
 |
|
pacos |
#582236 Wysłany:
20 Maj 2012, 14:33; Temat postu: Re: Jak włączam klime nie włącza się wentylator. Dlaczego? |
|
 |
| Puntoświr |
Miejscowość: Kielce Rejestracja: 20 Lut 2011, Posty: 173
|
|
Panowie odgrzewam kotleta, otóż mi sie wentylator nie włącza kiedy wlaczam klimatyzacje, mimo to ze widac efekt jej pracy - leci zimne (na pewno zimniejsze niz lecialoby bez klimy) powietrze. Czasem mam tak ze czuje ze to powietrze leci lodowate, jednak nie zwracam na to czesto uwagi ale czasem to czuc. Czy wentylator jest uszkodzony? rozumiem, ze jezeli po 30sek od wlaczenia limy nic sie nie wlaczylo to jest cos nie tak?
[ Dodano: 20 Maj 2012 13:33 ]
Aha, i ktore bezpieczniki sprawdzic? Mam silnik jtd to F06 i F07, te dwa czy jeszcze ktorys?
|
|
| Góra |
|
 |
|
tazwaly |
#583283 Wysłany:
23 Maj 2012, 11:13; Temat postu: Re: Jak włączam klime nie włącza się wentylator. Dlaczego? |
|
 |
| Puntoświr |
 |
Samochód: Punto 2012
Silnik: 1.4 8V 77KM
Paliwo: Benzyna + LPG
Wersja: Easy
Województwo: podkarpackie [R]
Miejscowość: SM/RP Rejestracja: 11 Lut 2010, Posty: 363 Pomógł: 1
|
|
| Góra |
|
 |
|
pacos |
#584690 Wysłany:
27 Maj 2012, 23:10; Temat postu: Re: Jak włączam klime nie włącza się wentylator. Dlaczego? |
|
 |
| Puntoświr |
Miejscowość: Kielce Rejestracja: 20 Lut 2011, Posty: 173
|
|
Ok Panowie, bezpiecznik odpowiedzialny za ten drugi bieg wentylatora (chyba F06) byl przepalony, wymienilem, sprawdzilem, wentylator kreci sie bez oporu po pchnieciu go reka ale nadal sie nie zalacza. Co dalej robic? Dodam ze klima chlodzi bardzo ladnie a auto nigdy nie przekracza 90 topni bo chyba lekko niedomyka termostat. W takiej sytuacji co mam dalej dzialas, czy jest taka sytuacja w normie?
|
|
| Góra |
|
 |
|
tazwaly |
#585070 Wysłany:
29 Maj 2012, 07:10; Temat postu: Re: Jak włączam klime nie włącza się wentylator. Dlaczego? |
|
 |
| Puntoświr |
 |
Samochód: Punto 2012
Silnik: 1.4 8V 77KM
Paliwo: Benzyna + LPG
Wersja: Easy
Województwo: podkarpackie [R]
Miejscowość: SM/RP Rejestracja: 11 Lut 2010, Posty: 363 Pomógł: 1
|
|
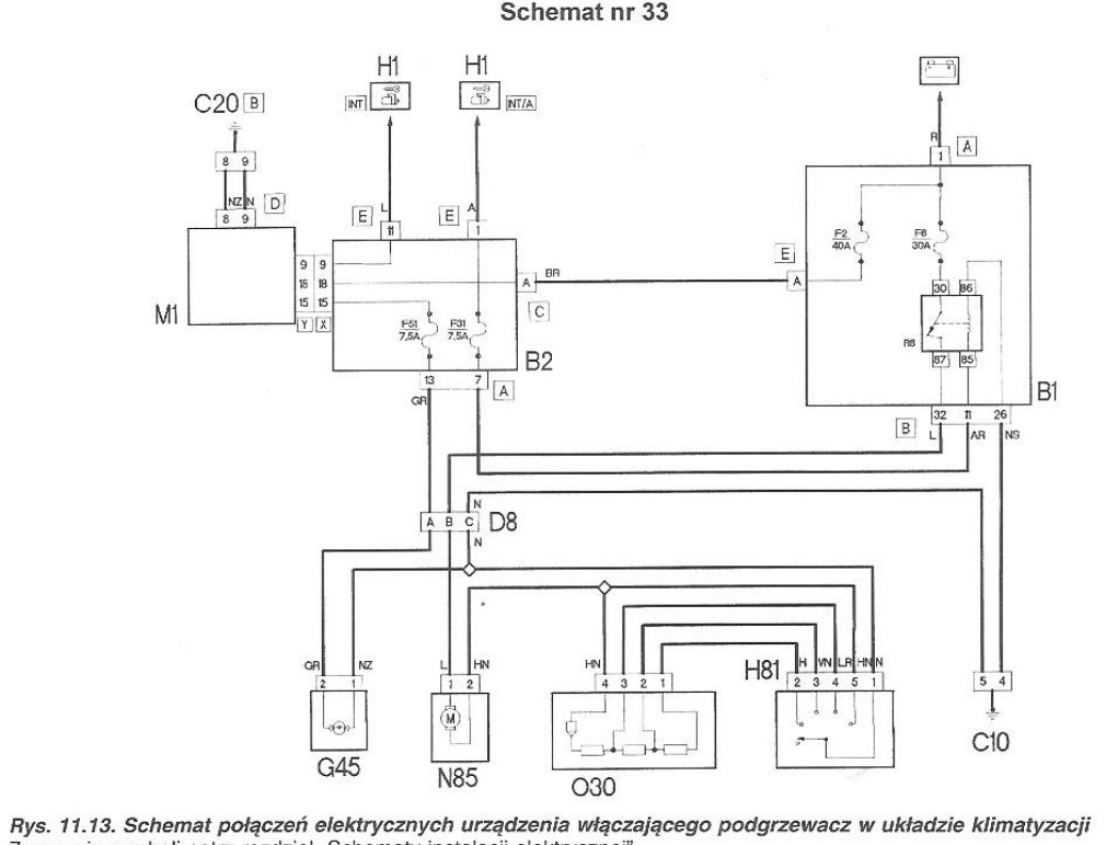
Panowie, potrzebuje schemat elektryczny i podłączeń od klimatyzacji... wymieniłem całą wiązkę i na 90% klima się nie włącza. Oczywiście przycisk podświetla się, ale nie włącza. Bezpieczniki sprawdzone, przekaźniki również. Myślę czy czasem przy dmuchawie ( z tyłu za filtrem kabinowym tak wyżej jest kostka) wtyk nie jest uszkodzony, bo on lipnie wyglądał.
Proszę mi nie pisać ten zółty, czy ten szary czy fioletowy, bo mam swoją starą wiązkę, a w nowej są troszkę inne kolory, dlatego potrzeba schematu. Wszystkie pdf'y które dostałem, mają schemat, ale bez klimy.
_________________
 Moje JakToDymi
|
|
| Góra |
|
 |
|
_marcin00_ |
#585079 Wysłany:
29 Maj 2012, 08:20; Temat postu: Re: Jak włączam klime nie włącza się wentylator. Dlaczego? |
|
 |
| Puntoświr |
 |
Imię: Marcin
Samochód: Fiat Tipo II
Silnik: 1.4 16V 120KM
Paliwo: Benzyna
Wersja: Easy
Województwo: kujawsko-pomorskie [C]
Miejscowość: Toruń Rejestracja: 29 Sty 2010, Posty: 3655 Pomógł: 31
|
|
| Góra |
|
 |
|
tazwaly |
#585121 Wysłany:
29 Maj 2012, 11:10; Temat postu: Re: Jak włączam klime nie włącza się wentylator. Dlaczego? |
|
 |
| Puntoświr |
 |
Samochód: Punto 2012
Silnik: 1.4 8V 77KM
Paliwo: Benzyna + LPG
Wersja: Easy
Województwo: podkarpackie [R]
Miejscowość: SM/RP Rejestracja: 11 Lut 2010, Posty: 363 Pomógł: 1
|
dziękuje tego mi trzeba było P.S. jakbyś mógł podać "źródła" na pw.
_________________
 Moje JakToDymi
|
|
| Góra |
|
 |
|
BogdanK |
#585289 Wysłany:
29 Maj 2012, 23:08; Temat postu: Re: Jak włączam klime nie włącza się wentylator. Dlaczego? |
|
 |
| Puntoświr |
 |
Imię: Bogdan
Samochód: Inny
Silnik: Inny
Paliwo: Benzyna
Województwo: śląskie [S]
Miejscowość: Katowice Rejestracja: 15 Mar 2012, Posty: 2114 Pomógł: 51
|
|
Mi w klimie nie włączał się "1-szy bieg" (wolne obroty) i okazało się, że był niesprawny (zardzewiały) rezystor dmuchawy (umieszczony w chłodnicy).
_________________
 Było: Punto II 3D 1,2 8V 2000r., Renault Thalia 1,5 dCi 2005r. Jest: Kia Venga 1,6 2018r.
|
|
| Góra |
|
 |
|
tazwaly |
#585397 Wysłany:
30 Maj 2012, 09:41; Temat postu: Re: Jak włączam klime nie włącza się wentylator. Dlaczego? |
|
 |
| Puntoświr |
 |
Samochód: Punto 2012
Silnik: 1.4 8V 77KM
Paliwo: Benzyna + LPG
Wersja: Easy
Województwo: podkarpackie [R]
Miejscowość: SM/RP Rejestracja: 11 Lut 2010, Posty: 363 Pomógł: 1
|
rezystor wymieniony dawno, włącznik też. U mnie nie włącza się sama klima- "kompresor", poprawiałem instalacje i niby jest połączenie na kablach, ale nie sprawdzałem w gniazdach. Mam schematy, będę szukał 
_________________
 Moje JakToDymi
|
|
| Góra |
|
 |
|
BogdanK |
#585426 Wysłany:
30 Maj 2012, 12:28; Temat postu: Re: Jak włączam klime nie włącza się wentylator. Dlaczego? |
|
 |
| Puntoświr |
 |
Imię: Bogdan
Samochód: Inny
Silnik: Inny
Paliwo: Benzyna
Województwo: śląskie [S]
Miejscowość: Katowice Rejestracja: 15 Mar 2012, Posty: 2114 Pomógł: 51
|
|
Może masz niesprawny czujnik ciśnienia (u mnie on był m.in. powodem nie włączania się klimy).
_________________
 Było: Punto II 3D 1,2 8V 2000r., Renault Thalia 1,5 dCi 2005r. Jest: Kia Venga 1,6 2018r.
|
|
| Góra |
|
 |
|
tazwaly |
#585704 Wysłany:
31 Maj 2012, 08:13; Temat postu: Re: Jak włączam klime nie włącza się wentylator. Dlaczego? |
|
 |
| Puntoświr |
 |
Samochód: Punto 2012
Silnik: 1.4 8V 77KM
Paliwo: Benzyna + LPG
Wersja: Easy
Województwo: podkarpackie [R]
Miejscowość: SM/RP Rejestracja: 11 Lut 2010, Posty: 363 Pomógł: 1
|
|
tutaj leży wina po stronie kabelkomani. Bo jeżeli wcześniej działało, a po złożeniu deski nie, sprawdzałem po kolei urządzenia. Wydaje mi się, że to ta kostka, która idzie najwyżej od podłogi, przy samym termowentylatorze.
_________________
 Moje JakToDymi
|
|
| Góra |
|
 |
|
Strona 1 z 1
|
[ 21 posty(ów) ] |
|
|
Nie możesz zakładać nowych tematów na tym forum Nie możesz odpowiadać w tematach na tym forum Nie możesz edytować swoich postów na tym forum Nie możesz usuwać swoich postów na tym forum Nie możesz dodawać załączników na tym forum
|
|