|
Obecny czas: 27 Sty 2026, 21:44
|
Zobacz posty bez odpowiedzi | Zobacz aktywne tematy
|
Strona 1 z 1
|
[ 23 posty(ów) ] |
|
| Autor |
Wiadomość |
|
Eternith |
#724638 Wysłany:
05 Kwi 2014, 17:51; Temat postu: Brak świateł mijania |
|
 |
| Sympatyk kropek |
Miejscowość: Częstochowa Rejestracja: 08 Wrz 2007, Posty: 22
|
Dzień dobry, Fiat Grande Punto 1.4 8V Nie mogę włączyć świateł mijania. Nie ważne w jakiej pozycji jest przełącznik zawsze święcą pozycyjne. Mogę włączyć światła drogowe. Wyczyściłem przełącznik zgodnie z -> http://fiatpunto.com.pl/topic37189.html nie pomogło. Jak wyjąłem tą płytkę (wisiała na kabelkach) z przełącznika (czyli nic nie stykało/zwierało) światła pozycyjne dalej się świeciły. Kontrolka od świateł na desce świeci cały czas.
_________________ Fiat Grande Punto 1.4 8V, Dynamic, Szary Underground, 3D
..::Fotki mojego Grande::..
|
|
| Góra |
|
 |
|
|
|
abel |
#724655 Wysłany:
05 Kwi 2014, 20:10; Temat postu: Re: Brak świateł mijania |
|
 |
| Puntoświr |
Samochód: Inny Fiat
Silnik: Inny
Paliwo: Benzyna
Wersja: Emotion
Województwo: warmińsko-mazurskie [N]
Miejscowość: ełk Rejestracja: 12 Cze 2007, Posty: 574 Pomógł: 18
|
Przekaźnik sprawdziles od świateł mijania ? Podmien przekaźnik od św drogowych .będziesz wiedział czy to może być wina przekaźnika. Sprawdź tez żarówki i bezpieczniki od św. Wszystkie elementy sterowania i zabezpieczenia w skrzynce bezpiecznikowej tej pod maska . Autor postu otrzymał pochwałę
|
|
| Góra |
|
 |
|
Eternith |
#724659 Wysłany:
05 Kwi 2014, 20:17; Temat postu: Re: Brak świateł mijania |
|
 |
| Sympatyk kropek |
Miejscowość: Częstochowa Rejestracja: 08 Wrz 2007, Posty: 22
|
|
przekaźniki już zamieniałem. jak podłączam ten przekaźnik od mijania (światła włączone) to słychać i czuć cykanie. więc sterowanie jest.
bezpieczniki sprawdzone. żarówki wyglądają na dobre. zresztą jak włączam drogowe świecą się dwa włókna.
_________________ Fiat Grande Punto 1.4 8V, Dynamic, Szary Underground, 3D
..::Fotki mojego Grande::..
|
|
| Góra |
|
 |
|
abel |
#724718 Wysłany:
06 Kwi 2014, 08:16; Temat postu: Re: Brak świateł mijania |
|
 |
| Puntoświr |
Samochód: Inny Fiat
Silnik: Inny
Paliwo: Benzyna
Wersja: Emotion
Województwo: warmińsko-mazurskie [N]
Miejscowość: ełk Rejestracja: 12 Cze 2007, Posty: 574 Pomógł: 18
|
|
Jak włączają się drogowe te świecą tez włókna od mijania ? To błąd, mijania i drogowe nie mogą palić się razem . jeżeli jesteś pewny że przekaźnik działa to na twoim miejscu bym obrocil skrzynkę bezpiecznikow , zdjął wtyczkę C i sprawdził czy wychądzą napiecia z pinów 11 i 5 gniazda tej wtyczki , jezeli tak jest to zostaja tylko przewody do sprawdzenia .
|
|
| Góra |
|
 |
|
Eternith |
#724895 Wysłany:
07 Kwi 2014, 06:11; Temat postu: Re: Brak świateł mijania |
|
 |
| Sympatyk kropek |
Miejscowość: Częstochowa Rejestracja: 08 Wrz 2007, Posty: 22
|
oki sprawdzę. co jeżeli zasilanie będzie na tych dwóch pinach? a co jeżeli nie będzie? 
_________________ Fiat Grande Punto 1.4 8V, Dynamic, Szary Underground, 3D
..::Fotki mojego Grande::..
|
|
| Góra |
|
 |
|
abel |
#725141 Wysłany:
08 Kwi 2014, 12:15; Temat postu: Re: Brak świateł mijania |
|
 |
| Puntoświr |
Samochód: Inny Fiat
Silnik: Inny
Paliwo: Benzyna
Wersja: Emotion
Województwo: warmińsko-mazurskie [N]
Miejscowość: ełk Rejestracja: 12 Cze 2007, Posty: 574 Pomógł: 18
|
|
jezeli jest napiecie na tych dwoch pinach to trzeba szukac dalej tzn przewody moze sie przetarly lub cos je przegryzlo . ale zeby nie swiecily dwa to troche dziwne i blad moim zdaniem bedzie na przekazniku. Zdejmj ten przekaznik i daj mostek na stykach roboczych w gniezdzie przekaznika z kawalka przewodu i zobacz czy zaswieci . w ten sposob powinny swiecic niezaleznie od pozycji przelacznika
|
|
| Góra |
|
 |
|
Carlos |
#791158 Wysłany:
20 Gru 2015, 14:50; Temat postu: Re: Brak świateł mijania |
|
 |
| Puntomaniak |
Imię: Paweł
Samochód: Grande Punto 5d
Silnik: 1.4 8V 77KM
Paliwo: Benzyna + LPG
Wersja: Dynamic
Województwo: świętokrzyskie [T]
Miejscowość: Kielce Rejestracja: 05 Wrz 2014, Posty: 57
|
|
Witam, odgrzebuję temat ponieważ mam ten sam problem ... W piątek wszystko cacy, światła działają jak należy, w sobotę po zmroku wsiadam, zapalam i jakoś tak ciemno, wysiadam a tam palą się tylko pozycyjne, po włączeniu drogowych te również działają. Nie ważne czy manetka jest na pozycyjnych czy na mijania, świecą tylko pozycyjne. Niestety nie znalazłem w internecie instrukcji obsługi do mojego punto (pierwsza rejestracja kwiecień 2006) i nawet nie wiem które bezpieczniki są odpowiedzialne za światła mijania ... Ktoś pomoże ?
|
|
| Góra |
|
 |
|
abel |
#791176 Wysłany:
20 Gru 2015, 17:36; Temat postu: Re: Brak świateł mijania |
|
 |
| Puntoświr |
Samochód: Inny Fiat
Silnik: Inny
Paliwo: Benzyna
Wersja: Emotion
Województwo: warmińsko-mazurskie [N]
Miejscowość: ełk Rejestracja: 12 Cze 2007, Posty: 574 Pomógł: 18
|
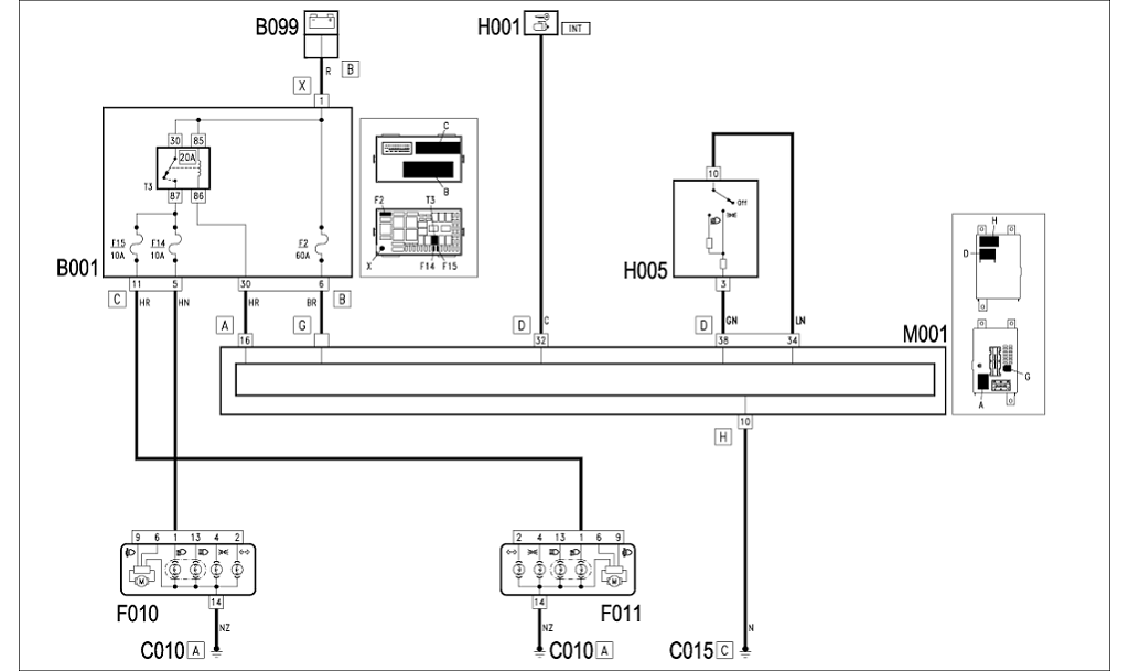
do sprawdzenia przekaznik T3 . Podmien go z tym od św drogowych . bedziesz czuł czy jest ciepły i czy działa gdy bedziesz go wyjmowal ,oczywiscie swiatla mijania w pozycji załącz .dwie zarówki na raz by nie padły ale też to warto sprawdzić . może też zły styk w samym przelączniku tu masz manual topic37189.htmla instrukcje obsługi pobierzesz z tej strony fiata http://aftersales.fiat.com/ELUM/Carouse ... te_number=
| Załączniki: |
sw. mijania.png [ 77.09 KiB | Obejrzany 22650 razy ]
|
|
|
| Góra |
|
 |
|
Carlos |
#791180 Wysłany:
20 Gru 2015, 17:52; Temat postu: Re: Brak świateł mijania |
|
 |
| Puntomaniak |
Imię: Paweł
Samochód: Grande Punto 5d
Silnik: 1.4 8V 77KM
Paliwo: Benzyna + LPG
Wersja: Dynamic
Województwo: świętokrzyskie [T]
Miejscowość: Kielce Rejestracja: 05 Wrz 2014, Posty: 57
|
Dzięki Abel, problem tkwi w tym że na podanej stronie najstarsza instrukcja obsługi jaka jest możliwa do pobrania to czerwiec 2006 i w niej niestety występuje inna skrzynka bezpieczników pod maską ... Sprawdzę wszystko co podałeś, dzięki ! 
|
|
| Góra |
|
 |
|
abel |
#791186 Wysłany:
20 Gru 2015, 18:19; Temat postu: Re: Brak świateł mijania |
|
 |
| Puntoświr |
Samochód: Inny Fiat
Silnik: Inny
Paliwo: Benzyna
Wersja: Emotion
Województwo: warmińsko-mazurskie [N]
Miejscowość: ełk Rejestracja: 12 Cze 2007, Posty: 574 Pomógł: 18
|
|
masz kwadratową skrzynkę ?
|
|
| Góra |
|
 |
|
Carlos |
#791187 Wysłany:
20 Gru 2015, 18:25; Temat postu: Re: Brak świateł mijania |
|
 |
| Puntomaniak |
Imię: Paweł
Samochód: Grande Punto 5d
Silnik: 1.4 8V 77KM
Paliwo: Benzyna + LPG
Wersja: Dynamic
Województwo: świętokrzyskie [T]
Miejscowość: Kielce Rejestracja: 05 Wrz 2014, Posty: 57
|
|
Tak mam kwadratową skrzynkę i wszystkie bezpieczniki są ulokowane w tych samych miejscach, jednak mają zupełnie inne oznaczenia, np. zaznaczone na górze F14 i F15 to u mnie jakoś 36 i 37 ... Chyba, że mam nie zwracać uwagi na numerację na skrzynce tylko kierować się instrukcją ... Rozumiem że przekaźnik T3 jest pierwszym od góry z tych 3 jednakowego rozmiaru przekaźników w rzędzie po prawej stronie ? Który przekaźnik odpowiada za światła drogowe żeby je zamienić miejscami i sprawdzić ?
|
|
| Góra |
|
 |
|
kris84 |
#791205 Wysłany:
20 Gru 2015, 22:10; Temat postu: Re: Brak świateł mijania |
|
 |
| Puntoświr |
Imię: Krzych
Samochód: Grande Punto 3d
Silnik: 1.3 90KM mJTD
Paliwo: ON
Wersja: Sporting
Województwo: śląskie [S]
Miejscowość: Tarnowskie Góry Rejestracja: 06 Lut 2012, Posty: 814 Pomógł: 11
|
Masz nowsza instalacje eletryczna po protu, dlatego sie schemat nie zgadza. Schematy sa z ePER'a ale tam sa tylko te stare niestety, nowa wersja nie byla udostepniona dla szarego zjadacza chleba  Pokombinuj, mniej lub bardziej wszystko jest podobne. Przekazniki jak sa takie same, to niewazne jak je pozamieniasz, jezeli jest ktorys padniety to go znajdziesz.
|
|
| Góra |
|
 |
|
Carlos |
#791242 Wysłany:
21 Gru 2015, 14:56; Temat postu: Re: Brak świateł mijania |
|
 |
| Puntomaniak |
Imię: Paweł
Samochód: Grande Punto 5d
Silnik: 1.4 8V 77KM
Paliwo: Benzyna + LPG
Wersja: Dynamic
Województwo: świętokrzyskie [T]
Miejscowość: Kielce Rejestracja: 05 Wrz 2014, Posty: 57
|
Tak wygląda moja skrzynka z bezpiecznikami :  Co mogę powiedzieć, przy przełączaniu manetki z pozycji świateł wyłączonych na światła mijania słychać takie "cyk" ze skrzynki z bezpiecznikami, dodatkowo mogę jeszcze powiedzieć, że na pozycji włączonych świateł mijania kiedy wyjęte były pierwszy oraz trzeci od dołu duży czarny przekaźnik i wkładałem je na miejsce, to dało się wyczuć że coś tam się dzięje, słychać było właśnie takie "cyk" Ktoś ma jakiś pomysł ? Oczywiście pozamieniałem wszystkie czarne z czarnymi i czerwone z czerwonymi i nadal nie świeci ...
|
|
| Góra |
|
 |
|
abel |
#791248 Wysłany:
21 Gru 2015, 16:31; Temat postu: Re: Brak świateł mijania |
|
 |
| Puntoświr |
Samochód: Inny Fiat
Silnik: Inny
Paliwo: Benzyna
Wersja: Emotion
Województwo: warmińsko-mazurskie [N]
Miejscowość: ełk Rejestracja: 12 Cze 2007, Posty: 574 Pomógł: 18
|
|
masz normalną skrzynkę tuż obok tych przekaźnikow są bezpieczniki czerone 10 A od św . jezeli zamieniłeś je miejscami i dalej brak św mijania a drogowe są to sprawdz te bezpieczniki , możesz je też zamienić miejscami . sprawdź same zarówki oraz stan kabli .kostki przyłączeniowe tych zarówek
| Załączniki: |
skrzynka bezpiecznikow.jpg [ 71.76 KiB | Obejrzany 22591 razy ]
|
|
|
| Góra |
|
 |
|
Carlos |
#791250 Wysłany:
21 Gru 2015, 17:29; Temat postu: Re: Brak świateł mijania |
|
 |
| Puntomaniak |
Imię: Paweł
Samochód: Grande Punto 5d
Silnik: 1.4 8V 77KM
Paliwo: Benzyna + LPG
Wersja: Dynamic
Województwo: świętokrzyskie [T]
Miejscowość: Kielce Rejestracja: 05 Wrz 2014, Posty: 57
|
|
Okej, dziękuję wszystkim za dobre rady, przyczyna jak zwykle okazała się najprostsza - spalone żarówki ... No ale skoro już ustaliliśmy przyczynę to może wiecie co takiego mogło się zdarzyć że jednocześnie spaliły się obydwie żarówki ?
|
|
| Góra |
|
 |
|
look_asss |
#828441 Wysłany:
20 Wrz 2017, 12:20; Temat postu: Re: Brak świateł mijania |
|
 |
| Sympatyk kropek |
 |
Imię: Łukasz
Samochód: Grande Punto 3d
Silnik: 1.9 130KM mJTD
Paliwo: ON
Województwo: śląskie [S]
Miejscowość: Pszczyna Rejestracja: 01 Sie 2011, Posty: 10
|
Witam Mam podobny problem, nie mam świateł mijania. Drogowe i postojowe są ok. Sprawdzałem już bezpieczniki i przekaźniki i wszystko jest ok. Przełącznik rozbieralem i częściej.Żarówki również są dobre. Zauważyłem że, nie mam zasilania na bezpieczniku od świateł mijania (13/14) jeżeli to zmostkujee to światła świecą. Co może być przyczyną braku zasilania na bezpiecznikach...? Ma ktoś jakiś pomysł co jeszcze jest nie tak...? Dzięki za pomoc... 
|
|
| Góra |
|
 |
|
autofan |
#828453 Wysłany:
20 Wrz 2017, 17:13; Temat postu: Re: Brak świateł mijania |
|
 |
| Puntoświr |
Imię: Krzysiek
Samochód: Grande Punto 3d
Silnik: 1.4 8V 77KM
Paliwo: Benzyna
Wersja: Energy
Województwo: pomorskie [G]
Rejestracja: 06 Lis 2007, Posty: 1009 Pomógł: 20
|
|
Sprawdź przekaźnik od tych świateł, można też się pokusić o sprawdzenie FES (MES) czy światła działają (tam jest taka funkcja testowa). Przyczyną może być przełącznik, Twoje czyszczenie niekoniecznie musiało pomóc. Rozumiem, że bezpieczniki sprawdziłeś.
_________________ Fiat Grande Punto 1.4 8V 77km, Energy, 3 dzwiowy, szary jungle.
|
|
| Góra |
|
 |
|
look_asss |
#828457 Wysłany:
20 Wrz 2017, 19:53; Temat postu: Re: Brak świateł mijania |
|
 |
| Sympatyk kropek |
 |
Imię: Łukasz
Samochód: Grande Punto 3d
Silnik: 1.9 130KM mJTD
Paliwo: ON
Województwo: śląskie [S]
Miejscowość: Pszczyna Rejestracja: 01 Sie 2011, Posty: 10
|
|
Przekaźnik jest dobry, sprawdzałem, bezpieczniki też są ok. Zasilanie na bezpiecznikach idzie z stacyjki z przełącznika zespolone...?
|
|
| Góra |
|
 |
|
abel |
#828460 Wysłany:
20 Wrz 2017, 21:50; Temat postu: Re: Brak świateł mijania |
|
 |
| Puntoświr |
Samochód: Inny Fiat
Silnik: Inny
Paliwo: Benzyna
Wersja: Emotion
Województwo: warmińsko-mazurskie [N]
Miejscowość: ełk Rejestracja: 12 Cze 2007, Posty: 574 Pomógł: 18
|
|
nawet gdybys miał przerwany obwod od sterowania swiateł idący do body to po przekreceniu kluczyka św. mijania by sie swieciły. mozesz sprawdzic ten wiekszy bezpiecznik oznaczony F2
| Załączniki: |
Komentarz do pliku: zaznacz na schemacie w ktorych miejscach mostkujesz aby swiatła mijania sie zapaliły
sw. mijania.png [ 77.09 KiB | Obejrzany 21179 razy ]
|
|
|
| Góra |
|
 |
|
kris84 |
#828490 Wysłany:
21 Wrz 2017, 21:52; Temat postu: Re: Brak świateł mijania |
|
 |
| Puntoświr |
Imię: Krzych
Samochód: Grande Punto 3d
Silnik: 1.3 90KM mJTD
Paliwo: ON
Wersja: Sporting
Województwo: śląskie [S]
Miejscowość: Tarnowskie Góry Rejestracja: 06 Lut 2012, Posty: 814 Pomógł: 11
|
|
Ja bym obwinial zamoknieta skrzynke bezpiecznikow. One lubia swirowac wraz z wiekiem. Kazdy element z osobna jest ok ale calosc do kupy lubi nie dzialac.
|
|
| Góra |
|
 |
|
krowka |
#828503 Wysłany:
22 Wrz 2017, 10:28; Temat postu: Re: Brak świateł mijania |
|
 |
| Ekstremista |
 |
Imię: Marek
Samochód: 500X
Silnik: Inny
Paliwo: Benzyna
Wersja: Lounge
Województwo: kujawsko-pomorskie [C]
Miejscowość: Toruń Rejestracja: 13 Cze 2007, Posty: 1614 Pomógł: 9
|
kris84 napisał(a): Ja bym obwinial zamoknieta skrzynke bezpiecznikow. One lubia swirowac wraz z wiekiem. Kazdy element z osobna jest ok ale calosc do kupy lubi nie dzialac. Jeśli skrzynka jest szczelnie zamknięta, o co trzeba się trochę postarać (a nie tylko zatrzasnąć zatrzaski od strony komory), to woda się tam nie dostaje  Po 10 latach mam w niej sucho, nic złego się nie dzieje, więc nieszczelność nie jest regułą i normą w tym modelu.
_________________ FIAT 500X Lounge 2016 brązowy magnetico, 1.4 MultiAir II Turbo 140KM FIAT Grande Punto Emotion 2007 czarny crossover, 1.4 8V 77KM - był od 29.05.2007 do 03.03.2024 FIAT UNO 1993 45 MKII czerwona strzała - był Peugeot 206 Pop Art 2005 1.4 8V 75KM - żonkowóz - był
|
|
| Góra |
|
 |
|
look_asss |
#828682 Wysłany:
27 Wrz 2017, 16:51; Temat postu: Re: Brak świateł mijania |
|
 |
| Sympatyk kropek |
 |
Imię: Łukasz
Samochód: Grande Punto 3d
Silnik: 1.9 130KM mJTD
Paliwo: ON
Województwo: śląskie [S]
Miejscowość: Pszczyna Rejestracja: 01 Sie 2011, Posty: 10
|
Auto wróciło od elektryka. Okazało się że, przewody z wiązki się przetarły i złamaly co skutkowało brakiem zasilana od świateł mijania w skrzynce od bezpieczniki. Dziękuję Wszystkim za pomoc Pozdr
|
|
| Góra |
|
 |
|
kris84 |
#828688 Wysłany:
27 Wrz 2017, 19:04; Temat postu: Re: Brak świateł mijania |
|
 |
| Puntoświr |
Imię: Krzych
Samochód: Grande Punto 3d
Silnik: 1.3 90KM mJTD
Paliwo: ON
Wersja: Sporting
Województwo: śląskie [S]
Miejscowość: Tarnowskie Góry Rejestracja: 06 Lut 2012, Posty: 814 Pomógł: 11
|
|
Napisz jeszcze w ktorym miejscu nastapilo to przetarcie i zlamanie. Moze komus na przyszlosc zaoszczedzi to klopotow.
|
|
| Góra |
|
 |
|
Strona 1 z 1
|
[ 23 posty(ów) ] |
|
|
Nie możesz zakładać nowych tematów na tym forum Nie możesz odpowiadać w tematach na tym forum Nie możesz edytować swoich postów na tym forum Nie możesz usuwać swoich postów na tym forum Nie możesz dodawać załączników na tym forum
|
|