|
Obecny czas: 27 Sty 2026, 22:54
|
Zobacz posty bez odpowiedzi | Zobacz aktywne tematy
|
Strona 1 z 1
|
[ 16 posty(ów) ] |
|
| Autor |
Wiadomość |
|
bil0709 |
#800675 Wysłany:
19 Mar 2016, 19:17; Temat postu: "Problem?" z niefabrycznym radiem. |
|
 |
| Sympatyk kropek |
Imię: Mateusz
Samochód: Grande Punto 5d
Silnik: 1.4 8V 77KM
Paliwo: Benzyna
Wersja: Active
Województwo: podkarpackie [R]
Rejestracja: 11 Mar 2016, Posty: 15
|
|
Cześć, jestem posiadaczem Grande Punto od niedawna, i zastanawia mnie logika kierującą zasilaniem radia.
Mianowicie, w GP wg instrukcji mamy następujące pozycję kluczyka w stacyjce:
1) STOP (w instrukcji jest informacja, że w tej pozycji działają niektóre urządzenia elektryczne w tym radioodtwarzacz); 2) MAR; 3) AVV.
W moim przypadku i radiu Kenwood KDC-4047UG, włącza się ono dopiero w pozycji 2) MAR ( w samochodzie świeci się wtedy większość kontrolek, i dostępne są opcje komputera pokładowego, nawiew, elektryczne szyby itd).
I teraz pytanie czy jest to standardowe zachowanie samochodu w przypadku GP?
Poprzednio tego radia używałem w starym Volvo 440, gdzie pozycje w stacyjce były następujące: 1) 0; 2) I (można było słuchać radia, działał nawiew i szyby); 3) II (pozycja odpowiadająca MAR w GP); 4) pozycja do odpalenie silnika (analogicznie jak AVV w GP).
Radio w przypadku Volvo (jak i również nawiew oraz szyby elektryczne) działało w pozycji I, gdzie nie świeciła się deska rozdzielcza jak choinka w boże narodzenie (aktualnie tak jest w moim GP).
Oprócz działania opisanego powyżej, w volvo radio miałem przez pewien czas podłączone bezpośrednio do akumulatora, (zmiana pinów w kostce) co umożliwiało słuchanie muzyki bez włożonego kluczyka. Radio trzeba było włączać i wyłączać przyciskiem zasilania.
Podobną operację chciałem przeprowadzić w GP (gdyż irytuje mnie konieczność podświetlania całej deski rozdzielczej i mam wrażenie że nie wpływa to zbyt dobrze na kondycje samochodu), jednak nic to nie dało. Radio włącza się dopiero po przekręceniu kluczyka w pozycje MAR, a po całkowitym odcięciu zasilania (przekręcenie w pozycje STOP lub wyjęciu kluczyka) radio traci pamieć.
Podsumowując: A) Czy jest coś nie tak z instalacją elektryczną w moim GP? (Wg instrukcji radioodtwarzacz powinien działać w pozycji STOP, u mnie działa dopiero w pozycji MAR)? B) W przypadku gdyby odpowiedź z punktu A) była taka, że jest to standardowe zachowanie samochodu. Co może powodować, że radio po bezpośrednim podpięciu do zasilania, traci pamieć i nie włącza się bez kluczyka przekręconego w pozycję MAR nie pozwala się uruchomić.
Dodam, że samochód jest z początku 2007 roku.
|
|
| Góra |
|
 |
|
|
|
krzychux750f |
#800690 Wysłany:
19 Mar 2016, 21:23; Temat postu: Re: "Problem?" z niefabrycznym radiem. |
|
 |
| Puntoświr |
 |
Imię: Krzysztof
Samochód: Punto Evo 3d
Silnik: 1.4 16V 135KM
Paliwo: Benzyna + LPG
Wersja: Lounge
Województwo: kujawsko-pomorskie [C]
Miejscowość: Brodnica Rejestracja: 19 Cze 2013, Posty: 287 Pomógł: 3
|
|
| Góra |
|
 |
|
bil0709 |
#800702 Wysłany:
19 Mar 2016, 23:39; Temat postu: Re: "Problem?" z niefabrycznym radiem. |
|
 |
| Sympatyk kropek |
Imię: Mateusz
Samochód: Grande Punto 5d
Silnik: 1.4 8V 77KM
Paliwo: Benzyna
Wersja: Active
Województwo: podkarpackie [R]
Rejestracja: 11 Mar 2016, Posty: 15
|
Dzięki za odpowiedź. Instalacja powinna być oryginalna, gdyż wprawdzie samochod nie miał fabrycznego radia ale był z opcją "przygotowanie pod montaż radia" i wg mnie wygląda też na oryginalną. Co do wskazanych zlaczek w radiu to właśnie ich używałem do zmiany trybu zasilania radia i w poprzednim samochodzie działało  Rozumiem, że aktualnie wskazane przeze mnie działanie instalacji nie jest normalne, tak?
|
|
| Góra |
|
 |
|
krzychux750f |
#800707 Wysłany:
20 Mar 2016, 00:52; Temat postu: Re: "Problem?" z niefabrycznym radiem. |
|
 |
| Puntoświr |
 |
Imię: Krzysztof
Samochód: Punto Evo 3d
Silnik: 1.4 16V 135KM
Paliwo: Benzyna + LPG
Wersja: Lounge
Województwo: kujawsko-pomorskie [C]
Miejscowość: Brodnica Rejestracja: 19 Cze 2013, Posty: 287 Pomógł: 3
|
Ciężko mi powiedzieć, bo nie wiem jak nie oryginalne radio powinno się zachować. Ori radio może grać bez włożonego kluczyka, w radiu jest możliwość ustawienia po jakim czasie w takim przypadku samo ma się wyłączać. Jak się wyłączy można je od razu włączyć bez żadnego pobudzania stacyjką, więc wychodzi na to że radio zawsze ma prąd. Pod TYM linkiem masz manual, na stronie 19 i 20 masz więcej info odnośnie tych konektorków. Autor postu otrzymał pochwałę
_________________ [C] Fiat Punto 1.4 MA 135 Lounge [C] Grande Punto 1.3 mJTD Dynamic
|
|
| Góra |
|
 |
|
bil0709 |
#800719 Wysłany:
20 Mar 2016, 13:19; Temat postu: Re: "Problem?" z niefabrycznym radiem. |
|
 |
| Sympatyk kropek |
Imię: Mateusz
Samochód: Grande Punto 5d
Silnik: 1.4 8V 77KM
Paliwo: Benzyna
Wersja: Active
Województwo: podkarpackie [R]
Rejestracja: 11 Mar 2016, Posty: 15
|
|
Dzięki krzychux750f za zaangażowanie w temat. Przytoczoną przez Ciebie instrukcję znam, i zastosowałem w przypadku poprzedniego samochodu jak i GP.
Może inaczej. W założeniu posiadane przeze mnie radio można podłączyć w dwóch trybach:
I) Sterowanie włączeniem/wyłączeniem radia przez zapłon; II) Radio podłączone bezpośrednio pod akumulator, sterowanie włączeniem/wyłączeniem z panelu radia.
W przypadku wskazanych trybów, korzystamy w zasadzie z następujących pinów kostki ISO dostępnej po stronie samochodu:
4 -> 12V, napięcie dostępne cały czas (zwykle stosowane do trzymania pamięci radia); 7 -> 12V, napięcie dostępne po przekręceniu kluczyka w stacyjce (wykorzystywane do włączania wyłączania radia); 8 -> GND, tak zwana masa.
Podłączenie wskazanych wyżej pinów z kostki samochodu do analogicznych pinów z kostki radia, powinno umożliwić działanie radia w trybie I). Tak się też dzieje w moim przypadku, jednak dopiero po przekręceniu kluczyka w pozycję MAR. W związku z tym nasuwa się pytanie czy napięcie na pinie 7 kostki radia dostępne jest dopiero w pozycji MAR kluczyka ?? Wiem, mógłbym to zmierzyć ale nie dysponuje miernikiem, dlatego liczę na doświadczenie forumowiczów korzystających z niefabrycznego radia w GP.
Druga kwestia. Tak jak udało się zauważyć w poprzednich moich postach nie satysfakcjonuje mnie powyższe rozwiązanie. W związku z czym zgodnie z instrukcją która wskazał też krzychux750f (oraz doświadczeniami z poprzednim samochodem) , podjąłem próbę podłączenia radia w tryb II). Podłączenie takie zrealizowałem poprzez skrosowanie pinów 7 i 4 kostki radia z kostką GP. Spodziewając się, że radio będzie cały czas pod napięciem, a ja będę mógł je włączać/wyłączeć za pomocą przycisku z panelu. Jednak tak się nie stało. Radio dalej możliwe jest do włączenia dopiero po przekręceniu kluczyka w MAR, a ponad to po przekręceniu w STOP/wyjęciu kluczyka traci pamięć. Ktoś spotkał się może z taką przypadłością ?
Z góry dziękuje za poświęcony czas. PS. W pozycji STOP nie działa mi też nawiew, być może jest to normalne.
|
|
| Góra |
|
 |
|
abel |
#800722 Wysłany:
20 Mar 2016, 13:49; Temat postu: Re: "Problem?" z niefabrycznym radiem. |
|
 |
| Puntoświr |
Samochód: Inny Fiat
Silnik: Inny
Paliwo: Benzyna
Wersja: Emotion
Województwo: warmińsko-mazurskie [N]
Miejscowość: ełk Rejestracja: 12 Cze 2007, Posty: 574 Pomógł: 18
|
|
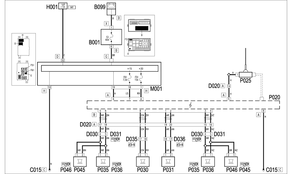
- styk 1 : n.c. (mute)
- styk 2 : n.c. normalnie zamknięty
- styk 3 : n.c. normalnie zamknięty
- styk 4 : zasilanie bezpośrednie.
- styk 5 : zasilanie anteny
- styk 6 : podświetlenie sterowań
- styk 7: zasilanie "poprzez kluczyk" +15
- styk 8 : masa jeszcze schemacik
| Załączniki: |
Komentarz do pliku: moze brak jakiegos bezpiecznika
radio.png [ 98.98 KiB | Obejrzany 4944 razy ]
|
|
|
| Góra |
|
 |
|
bil0709 |
#800742 Wysłany:
20 Mar 2016, 16:34; Temat postu: Re: "Problem?" z niefabrycznym radiem. |
|
 |
| Sympatyk kropek |
Imię: Mateusz
Samochód: Grande Punto 5d
Silnik: 1.4 8V 77KM
Paliwo: Benzyna
Wersja: Active
Województwo: podkarpackie [R]
Rejestracja: 11 Mar 2016, Posty: 15
|
Szczerze mówiąc nie bardzo umiem czytać jeszcze te schematy. Jednak z tego co rozumiem, to za pin 7 odpowiedzialny jest bezpiecznik - F61, za pin 4 - F51, oraz f2 za oba ale ten ostatni jakby był spalony to pewnie połowa elektryki by nie działała. Zainspirowany schematem, chciałem sprawdzić F61, gdyż jakby spalony był F51 to radio nie trzymało by pamięci (jak się mylę to proszę mnie poprawić). Niestety napotkałem problem polegający na tym, iż nie mogę bezpiecznika wyjąć. W volvo miałem specjalne plastikowe cążki do chwytania, tutaj nie widzę nic takiego. W związku z czym proszę o informację w miarę możliwości co by mi nie działało gdyby F61 był spalony. W dokumentacji znalazłem następujące pozycję, lecz nie bardzo rozumiem o co fiatowi chodzi dokładnie (z tego co mam w samochodzie i kojarzy mi się z opisem wstawiam w komentarzach w nawiasach obok opisu z dokumentacji): 1) Zasilanie z + kluczyka podświetlenia zespołu sterowań bocznych ("elektryczne lusterka i szyby??"), podświetlenia zespołu sterowań w kierownicy, zespołu sterowań środkowego (podświetlenie i zarządzanie sterowaniem ASR). 2) Zasilanie z + kluczyka podświetlenia zespołu sterowań w lampie sufitowej ("mam lampkę sufitową, ale prostą bez żadnego sterowania rozbudowanego  "), zespołu sterowań ogrzewania siedzeń przednich (podświetlenie i sterowanie systemu), czujnik deszczu. 3) Zasilanie z + kluczyka centralki sterowania systemu dachu otwieranego elektrycznie, centralki elektronicznej kontroli czujnika ciśnienia w oponach, centralki systemu głośnomówiącego z rozpoznaniem głosu i technologia Bluetooth, sterowania systemu pomocy w parkowaniu. ("Z tego nic nie mam  ") Czy z tego schematu mogę odczytać dane umożliwiające sformułowanie odpowiedzi na moje pytanie z poprzedniego postu ?? "W związku z tym nasuwa się pytanie czy napięcie na pinie 7 kostki radia dostępne jest dopiero w pozycji MAR kluczyka ??"
|
|
| Góra |
|
 |
|
abel |
#800772 Wysłany:
20 Mar 2016, 20:39; Temat postu: Re: "Problem?" z niefabrycznym radiem. |
|
 |
| Puntoświr |
Samochód: Inny Fiat
Silnik: Inny
Paliwo: Benzyna
Wersja: Emotion
Województwo: warmińsko-mazurskie [N]
Miejscowość: ełk Rejestracja: 12 Cze 2007, Posty: 574 Pomógł: 18
|
|
Napięcie stałe 12 V masz na pinie nr 4 (czerwony przewod ) pod 8 masz mase . twoje radio potrzebuje przejściówki bo chyba nie ma tam wejścia iso i może potrzeba przełożenia w inne miejsce .
|
|
| Góra |
|
 |
|
bil0709 |
#800801 Wysłany:
20 Mar 2016, 23:22; Temat postu: Re: "Problem?" z niefabrycznym radiem. |
|
 |
| Sympatyk kropek |
Imię: Mateusz
Samochód: Grande Punto 5d
Silnik: 1.4 8V 77KM
Paliwo: Benzyna
Wersja: Active
Województwo: podkarpackie [R]
Rejestracja: 11 Mar 2016, Posty: 15
|
|
Abel, przejściówkę iso do wtyku radia miałem w zestawie. Sposób w jaki podłączałem radio opisałem we wcześniejszych postach. Problem polega na tym, że przy teoretycznie właściwym podłączeniu bezpośrednio pod zasilanie stałe z kostki ISO samochodu radio nadal nie włącza się z przycisku.
|
|
| Góra |
|
 |
|
abel |
#800814 Wysłany:
21 Mar 2016, 07:09; Temat postu: Re: "Problem?" z niefabrycznym radiem. |
|
 |
| Puntoświr |
Samochód: Inny Fiat
Silnik: Inny
Paliwo: Benzyna
Wersja: Emotion
Województwo: warmińsko-mazurskie [N]
Miejscowość: ełk Rejestracja: 12 Cze 2007, Posty: 574 Pomógł: 18
|
Połącz za kostka ISO dołączona do twego radia tak aby z pinu nr 4 wychodził przewód z pinu nr 4 i nr 7 oba mają mieć napięcie niezależnie od pozycji kluczyka . Wtedy będziesz miał zasilanie i podtrzymanie pamięć radia . Autor postu otrzymał pochwałę
|
|
| Góra |
|
 |
|
bil0709 |
#800816 Wysłany:
22 Mar 2016, 18:12; Temat postu: Re: "Problem?" z niefabrycznym radiem. |
|
 |
| Sympatyk kropek |
Imię: Mateusz
Samochód: Grande Punto 5d
Silnik: 1.4 8V 77KM
Paliwo: Benzyna
Wersja: Active
Województwo: podkarpackie [R]
Rejestracja: 11 Mar 2016, Posty: 15
|
|
Dzięki to faktycznie mogłoby rozwiązać problem.
W takim razie zostaje jeszcze kwestia tego od kiedy na pinie numer 7 kostki ISO samochodu jest dostępne napięcie ?? Dopiero w pozycji MAR ?? Byłbym wdzięczny jakby jakiś posiadacz nieoryginalnego radia w GP podzielił się doświadczeniami z jego podłączenia.
[ Dodano: 22 Mar 2016, 17:12 ]
Nikt nie ma niefabrycznego radia w Grande Punto ?
|
|
| Góra |
|
 |
|
autofan |
#800927 Wysłany:
22 Mar 2016, 19:41; Temat postu: Re: "Problem?" z niefabrycznym radiem. |
|
 |
| Puntoświr |
Imię: Krzysiek
Samochód: Grande Punto 3d
Silnik: 1.4 8V 77KM
Paliwo: Benzyna
Wersja: Energy
Województwo: pomorskie [G]
Rejestracja: 06 Lis 2007, Posty: 1009 Pomógł: 20
|
Ja mam niefabryczne radio. Oryginalnie była instalacja pod radio. Pod nią zostało ono podpięte. Niestety jeśli wybierasz sterowanie po kluczyku to gra dopiero w pozycji Mar. Opcja druga to podpięcie radia tak że gra cały czas i wyłączasz je samodzielnie. Masz dwa zasilania w kostce ISO (kabel czerwony po kluczyku - prąd pojawia się po przekręceniu kluczyka, i z akumulatora - kabel żółty - prąd jest cały czas) W przejściówce łączysz np jakąś łączką kabel czerwony od strony radia z żółtym , ale czerwony nie może być połączony z czerwonym od strony kostki iso. Autor postu otrzymał pochwałę
_________________ Fiat Grande Punto 1.4 8V 77km, Energy, 3 dzwiowy, szary jungle.
|
|
| Góra |
|
 |
|
bil0709 |
#800932 Wysłany:
22 Mar 2016, 20:30; Temat postu: Re: "Problem?" z niefabrycznym radiem. |
|
 |
| Sympatyk kropek |
Imię: Mateusz
Samochód: Grande Punto 5d
Silnik: 1.4 8V 77KM
Paliwo: Benzyna
Wersja: Active
Województwo: podkarpackie [R]
Rejestracja: 11 Mar 2016, Posty: 15
|
Dziękuje wszystkim, temat uznaje za wyczerpany. Mam nadzieje, że na przyszłość ktoś jak będzie miał podobne wątpliwości to rozwieje je właśnie w tym miejscu 
|
|
| Góra |
|
 |
|
MirekCC |
#804999 Wysłany:
08 Maj 2016, 10:07; Temat postu: Re: "Problem?" z niefabrycznym radiem. |
|
 |
| Sympatyk kropek |
Imię: Mirek
Samochód: Grande Punto 3d
Silnik: 1.4 8V 77KM
Paliwo: Benzyna + LPG
Wersja: Energy
Województwo: śląskie [S]
Rejestracja: 21 Kwi 2016, Posty: 9
|
|
Zwykła zamiana przewodów "pluswych" nie załatwi problemu a mostkowanie "plusów" na kostce to też nie jest idealne wyjście z sytuacji. Niestety instalacja GP nie umożliwia słuchania niefabrycznego radia bez przekrecenia kluczyka w pozycję MAR. Poświęciłem trochę czasu na sprawdzenie tego fizycznie miernikiem i ze stacyjki po włożeniu kluczyka na żadnym przewodzie nie pojawia się napięcie, jest ono dopiero w pozycji MAR.
|
|
| Góra |
|
 |
|
rysio100 |
#805113 Wysłany:
10 Maj 2016, 20:10; Temat postu: Re: "Problem?" z niefabrycznym radiem. |
|
 |
| Puntomaniak |
 |
Imię: Jakub
Samochód: Grande Punto 5d
Silnik: 1.4 8V 77KM
Paliwo: Benzyna
Wersja: Active
Województwo: podkarpackie [R]
Rejestracja: 21 Kwi 2012, Posty: 59
|
MirekCC napisał(a): Zwykła zamiana przewodów "pluswych" nie załatwi problemu a mostkowanie "plusów" na kostce to też nie jest idealne wyjście z sytuacji. Niestety instalacja GP nie umożliwia słuchania niefabrycznego radia bez przekrecenia kluczyka w pozycję MAR. Poświęciłem trochę czasu na sprawdzenie tego fizycznie miernikiem i ze stacyjki po włożeniu kluczyka na żadnym przewodzie nie pojawia się napięcie, jest ono dopiero w pozycji MAR. Moje poprzednie radio (od pierwszego właściciela), chyba Kenwood, nie włączał się automatycznie po przekręceniu kluczyka (trzeba było ręcznie to robić), ale można go było włączyć go na STOPie. W obecnym radiu tego nie mam, to znaczy włącza się ono automatycznie i nie działa na stopie. Według mnie to raczej kwestia radia niż instalacji.
_________________ Blu Aviatore by Rysiek:
 http://fiatpunto.com.pl/topic48185.htm
|
|
| Góra |
|
 |
|
KarolGt |
#805121 Wysłany:
10 Maj 2016, 21:30; Temat postu: Re: "Problem?" z niefabrycznym radiem. |
|
 |
| Puntoświr |
Imię: Karol
Samochód: Grande Punto 5d
Silnik: 1.3 90KM mJTD
Paliwo: ON
Województwo: łódzkie [E]
Miejscowość: Sieradz Rejestracja: 12 Lip 2011, Posty: 294 Pomógł: 5
|
Moje fabryczne uruchamia się po stacyjce, lub z przycisku jeśli było wcześniej wyłączone ręcznie. Można je również uruchomić w pozycji zerowej kluczyka. Wniosek taki że napięcie jest zawsze na instalacji. Może kolega mierzył względem masy załączanej po kluczyku i dlatego złe wnioski wyciągnął. Przy odpowiednim podłączeniu instalacji radio nie będzie wiedziało czy kluczyk jest przekręcony. Dostanie jeść to będzie trajkotać 
|
|
| Góra |
|
 |
|
Strona 1 z 1
|
[ 16 posty(ów) ] |
|
|
Nie możesz zakładać nowych tematów na tym forum Nie możesz odpowiadać w tematach na tym forum Nie możesz edytować swoich postów na tym forum Nie możesz usuwać swoich postów na tym forum Nie możesz dodawać załączników na tym forum
|
|