|
Obecny czas: 27 Sty 2026, 21:43
|
Zobacz posty bez odpowiedzi | Zobacz aktywne tematy
|
Strona 1 z 1
|
[ 11 posty(ów) ] |
|
| Autor |
Wiadomość |
|
buddyjoe |
#805980 Wysłany:
23 Maj 2016, 10:43; Temat postu: [WENTYLATOR NAWIEWU]Czasami się nie załączą |
|
 |
| Sympatyk kropek |
Samochód: Grande Punto 5d
Silnik: 1.4 8V 77KM
Paliwo: Benzyna + LPG
Województwo: dolnośląskie [D]
Rejestracja: 06 Lut 2014, Posty: 8
|
|
Witam serdecznie,
Posiadam GP z 2007 Roku 1,4 77KM. Problem z niedziałającym wentylatorem nawiewu pojawia się głównie w gorące dni jak i po odpaleniu samochodu, gdy silnik jest jeszcze ciepły. Zauważyłem, że tymczasowym remedium jest po prostu pieprznięcie z całej siły w wentylator pod schowkiem na miejscu pasażera. Teraz pojawia się moje pytanie, co tam może nie stykać, który element powinienem wymienić ( + ewentualnie jakiś link do aukcji bądź sklepu) i czy jest to do zrobienia na parkingu przed domem? Będę wdzięczny również za schemat bądź zdjęcie modułu wentylatora wraz podłączeniami.
Z góry dzięki za pomoc. pozdrawiam
|
|
| Góra |
|
 |
|
|
|
Jerry1960 |
#806025 Wysłany:
24 Maj 2016, 08:56; Temat postu: Re: [WENTYLATOR NAWIEWU]Czasami się nie załączą |
|
 |
| Puntoświr |
Samochód: Grande Punto 5d
Silnik: 1.4 8V 77KM
Paliwo: Benzyna
Wersja: Active
Województwo: podkarpackie [R]
Rejestracja: 27 Wrz 2011, Posty: 180 Pomógł: 11
|
|
Wg mnie nie łączy ci przy rezystorze dmuchawy. Schyl się dobrze od strony pasażera pod schowkiem zobaczysz zieloną kostkę myślę że tam ci nie łączy .Wymiana rezystora była gdzieś na forum.
|
|
| Góra |
|
 |
|
buddyjoe |
#806029 Wysłany:
24 Maj 2016, 09:23; Temat postu: Re: [WENTYLATOR NAWIEWU]Czasami się nie załączą |
|
 |
| Sympatyk kropek |
Samochód: Grande Punto 5d
Silnik: 1.4 8V 77KM
Paliwo: Benzyna + LPG
Województwo: dolnośląskie [D]
Rejestracja: 06 Lut 2014, Posty: 8
|
|
| Góra |
|
 |
|
Jerry1960 |
#806037 Wysłany:
24 Maj 2016, 09:53; Temat postu: Re: [WENTYLATOR NAWIEWU]Czasami się nie załączą |
|
 |
| Puntoświr |
Samochód: Grande Punto 5d
Silnik: 1.4 8V 77KM
Paliwo: Benzyna
Wersja: Active
Województwo: podkarpackie [R]
Rejestracja: 27 Wrz 2011, Posty: 180 Pomógł: 11
|
|
Tak Jak Ci nie chodzi na biegach 1-3 to uszkodzony rezystor , Jak nie chodzi na 4 to coś nie łączy.
|
|
| Góra |
|
 |
|
buddyjoe |
#806039 Wysłany:
24 Maj 2016, 10:17; Temat postu: Re: [WENTYLATOR NAWIEWU]Czasami się nie załączą |
|
 |
| Sympatyk kropek |
Samochód: Grande Punto 5d
Silnik: 1.4 8V 77KM
Paliwo: Benzyna + LPG
Województwo: dolnośląskie [D]
Rejestracja: 06 Lut 2014, Posty: 8
|
|
No czyli jednak nie o to chodzi, z racji tego, iż wentylator działa 0/1. To znaczy albo w ogóle nie chodzi, albo działa na wszystkich biegach. Kwestia tylko warunków, tak jak napisałem, nie działa głównie jak jest gorąco na zewnątrz lub gdy silnik jest ciepły.
Pozdrawiam
|
|
| Góra |
|
 |
|
abel |
#806044 Wysłany:
24 Maj 2016, 11:33; Temat postu: Re: [WENTYLATOR NAWIEWU]Czasami się nie załączą |
|
 |
| Puntoświr |
Samochód: Inny Fiat
Silnik: Inny
Paliwo: Benzyna
Wersja: Emotion
Województwo: warmińsko-mazurskie [N]
Miejscowość: ełk Rejestracja: 12 Cze 2007, Posty: 574 Pomógł: 18
|
|
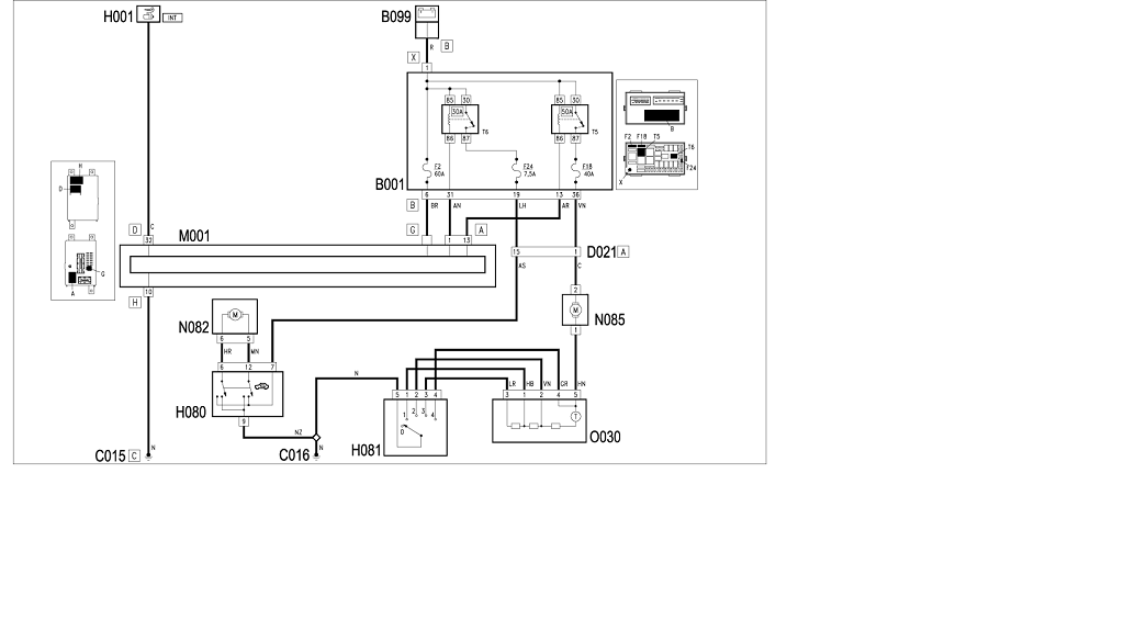
schyl sie i pod schowkiem zobacz stan kostki połaczeniowej. zobacz tę opornika dmuchawy czy nie jest przegrzana i nadtopiona .
| Załączniki: |
nagrzewnica.png [ 49.47 KiB | Obejrzany 8725 razy ]
|
|
|
| Góra |
|
 |
|
Dareks |
#806058 Wysłany:
24 Maj 2016, 16:12; Temat postu: Re: [WENTYLATOR NAWIEWU]Czasami się nie załączą |
|
 |
| Sympatyk kropek |
Miejscowość: Kraków Rejestracja: 21 Maj 2008, Posty: 39
|
możliwe że masz to co miałem ja, czyli styki w regulatorze obrotów przestają kontaktować w różnych momentach- dlatego jak stukniesz w wentylator to zaczyna działać. Sam moduł z wtyczką jest odkręcany od wentylatora ale jest teoretycznie nierozbieralny. Ja kupiłem cały nowy wentylator wraz z tym modułem. Ale tutaj: http://fiatpunto.com.pl/post797475.html#p797475kolega naprawił sam.
_________________ --
Pozdrawiam
Darek
GP 1.3 JTD 90KM '06
|
|
| Góra |
|
 |
|
rufus295 |
#806063 Wysłany:
24 Maj 2016, 17:07; Temat postu: Re: [WENTYLATOR NAWIEWU]Czasami się nie załączą |
|
 |
| Puntoświr |
 |
Imię: Robert
Samochód: Punto Evo 5d
Silnik: 1.4 8V 77KM
Paliwo: Benzyna
Wersja: Estiva Blue&Me
Województwo: łódzkie [E]
Miejscowość: Łódź Rejestracja: 05 Gru 2010, Posty: 641 Pomógł: 3
|
W ubiegłe wakacje , jeżdżąc w upale po górach , przestał mi działać nawiew na 1,2,3. Schyliłem się pod schowek, poruszałem kostkami, nie zagłębiając się od czego są(chyba od wentylatora  ) i wszystko wróciło do normy, i jest do dzisiaj ok. ps. Wczoraj po pracy jak wchodziłem do auta było w środku 52stopnie. Radio zaczeło przerywać, samo się wyłączać. Po włczeniu klimatyzacji i spadku temperatury do 30 wszystko wróciło do normy. Czyli nasze autka nie lubią ani ciepła ani zimna, no i trzeba to szanować, a co.
_________________ Punto Evo 1,4 77KM B&Me, 5d Czarno-czerwony Progressive Mój czarnuch
|
|
| Góra |
|
 |
|
krzysiekpt |
#824486 Wysłany:
09 Cze 2017, 10:22; Temat postu: Re: [WENTYLATOR NAWIEWU]Czasami się nie załączą |
|
 |
| Sympatyk kropek |
Imię: Krzysztof
Samochód: Grande Punto 5d
Silnik: 1.4 8V 77KM
Paliwo: Benzyna
Województwo: śląskie [S]
Miejscowość: Gliwice Rejestracja: 27 Lip 2016, Posty: 10
|
|
Podpinam się do tematu, U mnie problem jest trochę inny wymieniłem już rezystor dmuchawy pochodziło parę miesięcy i przestało. Wymieniłem termik w rezystorze też na trochę to starczyło. Zdemontowałem dmuchawę, była cała w liściach wyczyściłem ją i układ też pomogło na trochę. Dmuchawa działa na 4-tym biegu na reszcie nie. Kolejnego rezystora już kupować nie chcę.
Mam pytanie do osób które demontowały dmuchawę jak wam się kręci w rękach. Mi po demontażu i zakręceniu dmuchawą wykonuje 1-2 obroty potem jakby hamuje mam pytanie czy to jest prawidłowe, czy może przyczyną moich przepaleń rezystora jest dmuchawa.
Dzięki za podpowiedzi gdzie szukać przyczyny.
|
|
| Góra |
|
 |
|
ElCidX |
#824497 Wysłany:
09 Cze 2017, 14:55; Temat postu: Re: [WENTYLATOR NAWIEWU]Czasami się nie załączą |
|
 |
| Puntoświr |
 |
Samochód: Grande Punto 5d
Silnik: 1.4 8V 77KM
Paliwo: Benzyna
Wersja: Dynamic
Województwo: łódzkie [E]
Rejestracja: 24 Paź 2007, Posty: 204
|
|
W ostatnim tygodniu dopadł mnie ten sam problem.
Czyli nawiew/klima przestaje sobie działać najczęściej jak jest za gorąco. Rano działa ok, ale samochód postoi po pracą cały dzień i potem klima nie działa.
Byłem akurat dzisiaj u speca od klimatyzacji i podejrzewa sam wentylator, że może szczotki padły albo i opornik ma problemy. Umówiłem się na wtorek aby zadzwonić i umówić wizytę.
Co do tego czasu mogę samemu zrobić? Ciężko jest wymontować wentylator aby go przeczyścić? GP 1.4 8V, klimatyzacja climatronic, rok produkcji 2005r.
Przy okazji, od strony pasażera na nogach powinna być podobno taka osłona jakaś aby butami nie zawadzać tam kabli, ktoś wie jak się to fachowo nazywa i ile kosztuje.
|
|
| Góra |
|
 |
|
krzysiekpt |
#824511 Wysłany:
09 Cze 2017, 19:03; Temat postu: Re: [WENTYLATOR NAWIEWU]Czasami się nie załączą |
|
 |
| Sympatyk kropek |
Imię: Krzysztof
Samochód: Grande Punto 5d
Silnik: 1.4 8V 77KM
Paliwo: Benzyna
Województwo: śląskie [S]
Miejscowość: Gliwice Rejestracja: 27 Lip 2016, Posty: 10
|
|
Sa 3 wkrety tylko na ulubiony rozmiar klucza 5.5 ja wykrecalem kombinerkami. Najgorzej jest z 3 sruba najglebiej schowana. Dmuchawa wychodzi sama potem odpialem kostki. Montaz lozysk czy szczotek przy cenie dmuchawy nieoplacalny.
|
|
| Góra |
|
 |
|
Strona 1 z 1
|
[ 11 posty(ów) ] |
|
|
Nie możesz zakładać nowych tematów na tym forum Nie możesz odpowiadać w tematach na tym forum Nie możesz edytować swoich postów na tym forum Nie możesz usuwać swoich postów na tym forum Nie możesz dodawać załączników na tym forum
|
|