|
Obecny czas: 27 Sty 2026, 22:57
|
Zobacz posty bez odpowiedzi | Zobacz aktywne tematy
|
Strona 1 z 1
|
[ 4 posty(ów) ] |
|
| Autor |
Wiadomość |
|
Niebieski kropek |
#824087 Wysłany:
28 Maj 2017, 12:04; Temat postu: Bezpiecznik od wentylatora chlodnicy, wentylator nie chodzi |
|
 |
| Sympatyk kropek |
Samochód: Grande Punto 5d
Silnik: 1.3 75KM mJTD
Paliwo: ON
Wersja: Active
Województwo: kujawsko-pomorskie [C]
Rejestracja: 28 Maj 2017, Posty: 6
|
|
Cześć,
Teraz w te upały kropek mi się grzeje i odkryłem że nie działa wentylator chlodnicy. Wyciągnąłem wtyczke z chłodnicy z boku (2 kable czarny i czarno biały) zwarlem je i nic. Wentylator jak nie chodził tak nie chodzi.
Zakładam że może to być bezpiecznik od wentylatora tylko pytanie czy to ten, koło akumulatora, taki duży?
|
|
| Góra |
|
 |
|
|
|
żeliwny |
#824092 Wysłany:
28 Maj 2017, 15:51; Temat postu: Re: Bezpiecznik od wentylatora chlodnicy, wentylator nie cho |
|
 |
| Puntoświr |
Samochód: Grande Punto 5d
Silnik: 1.4 8V 77KM
Paliwo: Benzyna
Województwo: małopolskie [K]
Rejestracja: 13 Gru 2016, Posty: 205
|
|
skrzynka bezpieczników w komorze silnika - F12-13
|
|
| Góra |
|
 |
|
abel |
#824095 Wysłany:
28 Maj 2017, 17:54; Temat postu: Re: Bezpiecznik od wentylatora chlodnicy, wentylator nie cho |
|
 |
| Puntoświr |
Samochód: Inny Fiat
Silnik: Inny
Paliwo: Benzyna
Wersja: Emotion
Województwo: warmińsko-mazurskie [N]
Miejscowość: ełk Rejestracja: 12 Cze 2007, Posty: 574 Pomógł: 18
|
|
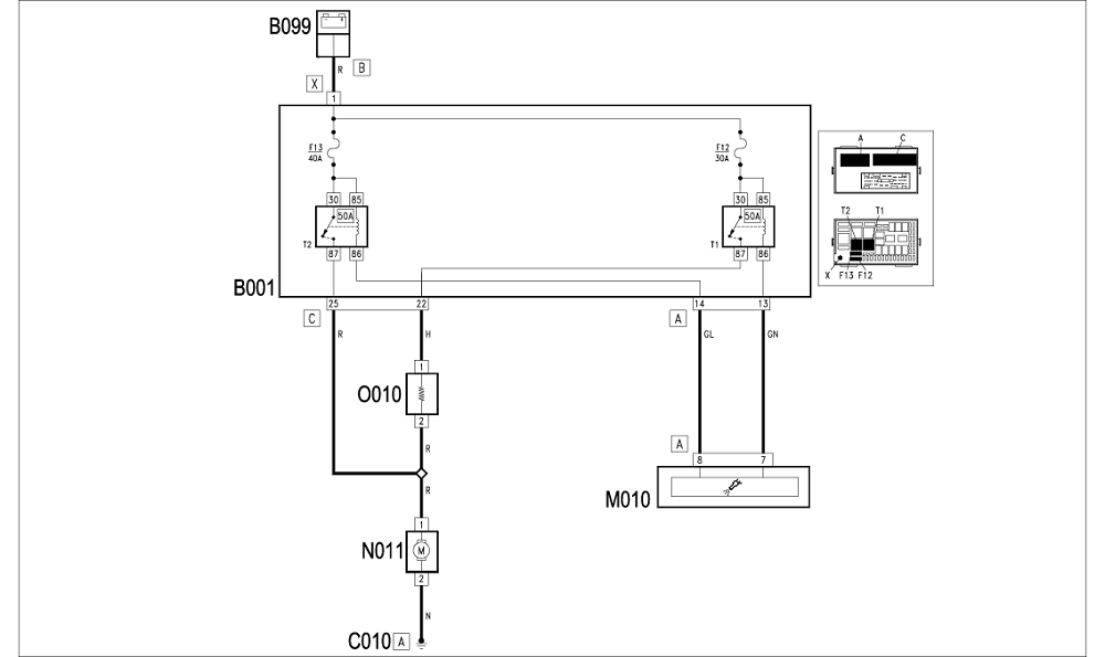
"Przekaźniki T1 i T2 w skrzynce bepzieczników w komorze silnika B1 sterują włączeniem elektrowentylatora N11 na dwie prędkości: jego cewka i obwód mocy zabezpieczony jest bezpiecznikiem F12 i F13 , w skrzynce bezpieczników w komorze silnika B1 .
Oba są wzbudzane sygnałem sterującym - masy - przesyłanym z centralki kontroli silnika M10.
Jeżeli płyn chłodzący silnik osiągnie określony poziom temperatury, centralka M10 przesyła sygnał - ze styku 7 konektora A który wzbudza przekaźnik 1 prędkości elektrowentyltora T1 , który następnie przesyła zasilanie do elektrowentyltora N11 poprzez opornik dodatkowy 010: wentylator kręci się tak pierwszą prędkością (wolno).
Jeżeli płyn chłodzący silnik osiągnie wyższy poziom temperatury, wówczas centralka M10 przesyła sygnał ze styku 8 konektora A, do przekaźnika 2 prędkości elektrowentylatora T2 , który przesyła następnie zasilanie do elektrowentylatora N11 bezpośrednio: wentylator kręci się tak maksymalną prędkością." cytat i schemat zaczerpniete z eLearna
| Załączniki: |
Komentarz do pliku: schemacik
wentylator chlodnicy.png [ 43.37 KiB | Obejrzany 9209 razy ]
|
|
|
| Góra |
|
 |
|
Niebieski kropek |
#824139 Wysłany:
30 Maj 2017, 08:22; Temat postu: Re: Bezpiecznik od wentylatora chlodnicy, wentylator nie cho |
|
 |
| Sympatyk kropek |
Samochód: Grande Punto 5d
Silnik: 1.3 75KM mJTD
Paliwo: ON
Wersja: Active
Województwo: kujawsko-pomorskie [C]
Rejestracja: 28 Maj 2017, Posty: 6
|
|
Dziękuje bardzo za pomoc. Dzięki wam znalazłem i naprawiłem autko, dziś śmigalem już w korkach i się nie zagrzał więc wychodzi na to że działa
|
|
| Góra |
|
 |
|
Strona 1 z 1
|
[ 4 posty(ów) ] |
|
|
Nie możesz zakładać nowych tematów na tym forum Nie możesz odpowiadać w tematach na tym forum Nie możesz edytować swoich postów na tym forum Nie możesz usuwać swoich postów na tym forum Nie możesz dodawać załączników na tym forum
|
|