|
Obecny czas: 27 Sty 2026, 19:14
|
Zobacz posty bez odpowiedzi | Zobacz aktywne tematy
|
Strona 1 z 1
|
[ 5 posty(ów) ] |
|
| Autor |
Wiadomość |
|
pindlu94 |
#827699 Wysłany:
01 Wrz 2017, 10:58; Temat postu: Aktywacja czujnika zmierzchu |
|
 |
| Forumowicz |
Samochód: Grande Punto 3d
Silnik: 1.9 130KM mJTD
Paliwo: ON
Województwo: małopolskie [K]
Rejestracja: 27 Lut 2017, Posty: 2
|
|
Witam, posiadam sensor deszczu w swoim GP JTD 130KM 2005 i słyszałem, że sensor zmierzchu i deszczu znajduje się w jednej obudowie. Jest możliwość aktywowania sensora zmierzchu przez MESa? Czy jest potrzebna zmiana manetki? Mam zamontowane DRL które włączają się po wyłączeniu pozycyjnych, więc czujnik zmierzchu miałby sens w moim przypadku. Patrzyłem na allegro, nie znalazłem ani jednej manetki do GP z pozycją auto, ale do alfy mito owszem (podobno pasuje elektrycznie), tylko dlaczego tam nie ma pozycji od świateł pozycyjnych? :p
| Załączniki: |
Screenshot_2017-09-01-10-52-32-263_pl.allegro.png [ 173.52 KiB | Obejrzany 3517 razy ]
|
|
|
| Góra |
|
 |
|
|
|
kris84 |
#828627 Wysłany:
26 Wrz 2017, 19:22; Temat postu: Re: Aktywacja czujnika zmierzchu |
|
 |
| Puntoświr |
Imię: Krzych
Samochód: Grande Punto 3d
Silnik: 1.3 90KM mJTD
Paliwo: ON
Wersja: Sporting
Województwo: śląskie [S]
Miejscowość: Tarnowskie Góry Rejestracja: 06 Lut 2012, Posty: 814 Pomógł: 11
|
|
Problem w tym, ze zadne Punto nigdy czujnika zmierzchu nie mialo. Wiec nie mozesz aktywowac czegos czego BodyComputer nie obsluguje. No i smiem watpic czy manetki z mito elektrycznie tez pasuja (mechanicznie nie pasuja).
|
|
| Góra |
|
 |
|
lach.andrzejp |
#848949 Wysłany:
24 Lip 2019, 10:33; Temat postu: Re: Aktywacja czujnika zmierzchu |
|
 |
| Puntoświr |
Imię: Andrzej
Samochód: Doblo
Silnik: 1.3 70KM mJTD
Paliwo: ON
Województwo: mazowieckie [W]
Miejscowość: Warszawa Rejestracja: 09 Mar 2019, Posty: 114
|
|
Aktywować można (u mnie w alfaobd wyświetlają się dwa "dusksensory" jeden mogę aktywować, a drugi nie). Pytanie na który pin Body trzeba podać konkretny sygnał z przełącznika, bo nawet jeśli Body to obsługuje to skąd ma wiedzieć, że jest w trybie Auto. Jestem w trakcie poszukiwań informacji, bo się zawziąłem. Schemat od Mito znalazłem teraz muszę znaleźć schemat świateł od Evo, pytanie kolejne czy to działa tylko przy ksenonach czy przy zwykłych lampach też? Najprościej byłoby kupić uniwersalny czujnik zmierzchu i podpiąć go pod przełącznik świateł. Większa frajda ze zrobienia pomimo wysiłku i nerwów.
|
|
| Góra |
|
 |
|
kris84 |
#848950 Wysłany:
24 Lip 2019, 11:05; Temat postu: Re: Aktywacja czujnika zmierzchu |
|
 |
| Puntoświr |
Imię: Krzych
Samochód: Grande Punto 3d
Silnik: 1.3 90KM mJTD
Paliwo: ON
Wersja: Sporting
Województwo: śląskie [S]
Miejscowość: Tarnowskie Góry Rejestracja: 06 Lut 2012, Posty: 814 Pomógł: 11
|
lach.andrzejp napisał(a): Schemat od Mito znalazłem teraz muszę znaleźć schemat świateł od Evo
Jest spora szansa ze Mito i Evo mają dokładnie ten sam schemat, ale sprawdzić musisz na własne ryzyko. BSI są w zasadzie te same w obu tych autach ale to nie znaczy że BSI z EVO w ogóle to obsłuży. To że AlfaOBD można aktywować też jeszcze nic nie znaczy. Wrzuć ten schemat z Mito tutaj, niech jest ku potomności.
|
|
| Góra |
|
 |
|
lach.andrzejp |
#848951 Wysłany:
24 Lip 2019, 11:55; Temat postu: Re: Aktywacja czujnika zmierzchu |
|
 |
| Puntoświr |
Imię: Andrzej
Samochód: Doblo
Silnik: 1.3 70KM mJTD
Paliwo: ON
Województwo: mazowieckie [W]
Miejscowość: Warszawa Rejestracja: 09 Mar 2019, Posty: 114
|
|
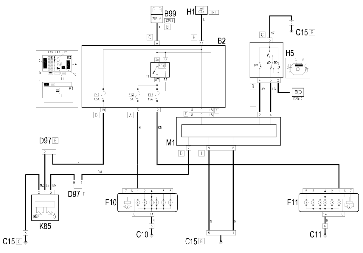
Podejrzewam że w ogóle Bodykomputery niewiele się różnią, wystarczy zmienić tak jak ja u siebie markę (odziwo alfaobd wyświetla mi Lancia). Jak przestawiłem na Fiata, to wyświetliło mi mnóstwo błędów od świateł i przekaźników chyba też, a kierunkowskazy migały tylko 3 a nie 5 razy. Przepraszam za błąd schemat, który znalazłem jest od Stilo
| Załączniki: |
Komentarz do pliku: stilo schemat świateł
schemat świateł stilo.png [ 68.8 KiB | Obejrzany 2955 razy ]
|
|
|
| Góra |
|
 |
|
Strona 1 z 1
|
[ 5 posty(ów) ] |
|
|
Nie możesz zakładać nowych tematów na tym forum Nie możesz odpowiadać w tematach na tym forum Nie możesz edytować swoich postów na tym forum Nie możesz usuwać swoich postów na tym forum Nie możesz dodawać załączników na tym forum
|
|