|
Obecny czas: 27 Sty 2026, 22:53
|
Zobacz posty bez odpowiedzi | Zobacz aktywne tematy
|
Strona 1 z 1
|
[ 14 posty(ów) ] |
|
| Autor |
Wiadomość |
|
majkiel |
#672951 Wysłany:
05 Cze 2013, 22:54; Temat postu: Zamiast rozrusznika słychać terkotanie |
|
 |
| Puntomaniak |
 |
Imię: Krzysztof
Samochód: Grande Punto 3d
Silnik: 1.4 16V 95KM
Paliwo: Benzyna + LPG
Wersja: Sport
Województwo: śląskie [S]
Miejscowość: Gliwice/Knurów Rejestracja: 18 Wrz 2008, Posty: 95
|
Pacjent to Grande Punto 1.4 16V. Do dzisiejszego popołudnia działał bez zarzutów. Po przekręceniu kluczyka w stacyjce, zamiast odgłosu rozrusznika słychać tykanie/terkotanie (trochę za głośne jak na jakiś przekaźnik), podobny efekt miałem kiedyś jak za bardzo rozładowałem akumulator radiem  Pojawiają się też komunikaty "ABS nie do użycia, ESP nie do użycia, ASR nie do użycia, Hill Holder nie do użycia" (te komunikaty pojawiają się np. przy uszkodzeniu albo zabrudzeniu styków przełącznika pod pedałem stop) Na pych auto odpaliło i chodziło normalnie, świecił się co prawda check-engine, ale silnik chodził równo. Napięcie na akumulatorze wynosi ok. 12,5V, więc nie doszło do zwarcia cel. Próbowałem uruchomić auto przy pomocy kabli rozruchowych, ale efekty był ten sam, więc uszkodzenie/niedoładowanie akumulatora raczej bym wyeliminował. Macie jakieś sugestie co to może być?
_________________ -- Pozdrawiam Krzysztof vel Majkiel
Uno 1.0 MPI SX 1997, 148kkm Grande Punto 1.4 16V Sport 2007, 212kkm Fiesta 1.25 2009, 111kkm
|
|
| Góra |
|
 |
|
|
|
abel |
#672976 Wysłany:
06 Cze 2013, 05:57; Temat postu: Re: Zamiast rozrusznika słychać terkotanie |
|
 |
| Puntoświr |
Samochód: Inny Fiat
Silnik: Inny
Paliwo: Benzyna
Wersja: Emotion
Województwo: warmińsko-mazurskie [N]
Miejscowość: ełk Rejestracja: 12 Cze 2007, Posty: 574 Pomógł: 18
|
|
brak masy na silniku . sprawdz kabel ktory idzie z obudowy karoseri na silnik . wez recznie poruszaj nim zobacz bo bardzo mozliwe ze wisi na kilku wloskach .jezeli masa jest ok to sprawdz drugi przewod plusowy moze on gdzies slabo jest przykrecony do rozrusznika . podokrecaj oczysc klemy na akumulatorze .
|
|
| Góra |
|
 |
|
autofan |
#673141 Wysłany:
06 Cze 2013, 18:21; Temat postu: Re: Zamiast rozrusznika słychać terkotanie |
|
 |
| Puntoświr |
Imię: Krzysiek
Samochód: Grande Punto 3d
Silnik: 1.4 8V 77KM
Paliwo: Benzyna
Wersja: Energy
Województwo: pomorskie [G]
Rejestracja: 06 Lis 2007, Posty: 1009 Pomógł: 20
|
Ile lat ma akumulator? Czy jak auto pojezdziło to samo odpaliło? Jeśli tak to akumulator jest już na resztkach sił  Najlepiej to sprawdzić areometrem, czerwone pole oznacza rozładowanie akumulatora.
_________________ Fiat Grande Punto 1.4 8V 77km, Energy, 3 dzwiowy, szary jungle.
|
|
| Góra |
|
 |
|
majkiel |
#673271 Wysłany:
06 Cze 2013, 23:20; Temat postu: Re: Zamiast rozrusznika słychać terkotanie |
|
 |
| Puntomaniak |
 |
Imię: Krzysztof
Samochód: Grande Punto 3d
Silnik: 1.4 16V 95KM
Paliwo: Benzyna + LPG
Wersja: Sport
Województwo: śląskie [S]
Miejscowość: Gliwice/Knurów Rejestracja: 18 Wrz 2008, Posty: 95
|
abel napisał(a): brak masy na silniku . sprawdz kabel ktory idzie z obudowy karoseri na silnik . wez recznie poruszaj nim zobacz bo bardzo mozliwe ze wisi na kilku wloskach .jezeli masa jest ok to sprawdz drugi przewod plusowy moze on gdzies slabo jest przykrecony do rozrusznika . podokrecaj oczysc klemy na akumulatorze . Możesz mi mniej więcej powiedzieć w którym miejscu jest ten kabel? [ Dodano: 06 Cze 2013 22:20 ]autofan napisał(a): Ile lat ma akumulator? Jest z roku 2006, trochę lat więc ma. autofan napisał(a): Czy jak auto pojezdziło to samo odpaliło? Jeśli tak to akumulator jest już na resztkach sił Nie, efekt jest ten sam. Dziś testowo Punto dostał dwa inne, nowsze akumulatory wyjęte z jeżdżących aut (pierwszy z Uno, drugi z Fiesty) autofan napisał(a): Najlepiej to sprawdzić areometrem, czerwone pole oznacza rozładowanie akumulatora. Muszę wykombinować taki wynalazek.
_________________ -- Pozdrawiam Krzysztof vel Majkiel
Uno 1.0 MPI SX 1997, 148kkm Grande Punto 1.4 16V Sport 2007, 212kkm Fiesta 1.25 2009, 111kkm
|
|
| Góra |
|
 |
|
abel |
#673307 Wysłany:
07 Cze 2013, 08:25; Temat postu: Re: Zamiast rozrusznika słychać terkotanie |
|
 |
| Puntoświr |
Samochód: Inny Fiat
Silnik: Inny
Paliwo: Benzyna
Wersja: Emotion
Województwo: warmińsko-mazurskie [N]
Miejscowość: ełk Rejestracja: 12 Cze 2007, Posty: 574 Pomógł: 18
|
|
Przewód który idzie na masę silnika znajdziesz obok akumulatora idź za przewodem w kolorze czarnym który idzie z bieguna minusowego akumulatora on do kręcony jest do karoserii , a z tego punktu dalej połączony jest z silnikiem . Akumulator masz juz wiekowy ,może czas juz na wymianę na nowy .jak będziesz kupował weź większy niż siedzi oryginalnie latem jest dobrze zima może podczas rozruchu informować błędnie o wysokiej temp płynu układu chłodzącego . Rozrusznik ten bierze dużo prądu wiec aktu jest ważny. Warto sprawdzić sam rozrusznik . stan szczotek ,wyczyścić z osadu który z biegiem lat tam się zebrał ,w moim bendix późno puszczał i słyszałem zgrzyt podczas końcowej fazy rozruchu po oczyszczeniu rozrusznika problem znikł. Ale zacznij od podstawienia dobrego pewnego akumulatora no i tego przewodu-
|
|
| Góra |
|
 |
|
fela |
#674254 Wysłany:
11 Cze 2013, 08:24; Temat postu: Re: Zamiast rozrusznika słychać terkotanie |
|
 |
| Sympatyk kropek |
 |
Imię: Piotrek
Samochód: Grande Punto 5d
Silnik: 1.4 8V 77KM
Paliwo: Benzyna
Wersja: Energy
Województwo: mazowieckie [W]
Rejestracja: 09 Cze 2013, Posty: 9
|
Podłącze się, bo mam ten sam problem w moim Granderze 1.4 8v, takie same błędy mi wyskakują, podobno miało być, że aku jest do wymiany, więc wymieniłem, ale to nic nie dało 
|
|
| Góra |
|
 |
|
majkiel |
#674394 Wysłany:
11 Cze 2013, 21:24; Temat postu: Re: Zamiast rozrusznika słychać terkotanie |
|
 |
| Puntomaniak |
 |
Imię: Krzysztof
Samochód: Grande Punto 3d
Silnik: 1.4 16V 95KM
Paliwo: Benzyna + LPG
Wersja: Sport
Województwo: śląskie [S]
Miejscowość: Gliwice/Knurów Rejestracja: 18 Wrz 2008, Posty: 95
|
fela napisał(a): Podłącze się, bo mam ten sam problem w moim Granderze 1.4 8v, takie same błędy mi wyskakują, podobno miało być, że aku jest do wymiany, więc wymieniłem, ale to nic nie dało  Jeśli wyskakują tylko błędy ABS, ESP, Hill Holder - winny jest czujnik nad pedałem hamulca. Delikatnie rozbierz, przeczyść - pomoże. Na forum było to gdzieś poruszane. [ Dodano: 11 Cze 2013 20:24 ]abel napisał(a): Przewód który idzie na masę silnika znajdziesz obok akumulatora idź za przewodem w kolorze czarnym który idzie z bieguna minusowego akumulatora on do kręcony jest do karoserii , a z tego punktu dalej połączony jest z silnikiem . Akumulator masz juz wiekowy ,może czas juz na wymianę na nowy .jak będziesz kupował weź większy niż siedzi oryginalnie latem jest dobrze zima może podczas rozruchu informować błędnie o wysokiej temp płynu układu chłodzącego . Rozrusznik ten bierze dużo prądu wiec aktu jest ważny. Warto sprawdzić sam rozrusznik . stan szczotek ,wyczyścić z osadu który z biegiem lat tam się zebrał ,w moim bendix późno puszczał i słyszałem zgrzyt podczas końcowej fazy rozruchu po oczyszczeniu rozrusznika problem znikł. Ale zacznij od podstawienia dobrego pewnego akumulatora no i tego przewodu- Akumulatory podmieniałem, ładowałem - nic nie pomogło. Kabel masowy sprawdzony, gruby kabel idący do rozrusznika też wygląda OK. Jak dziś poszedłem do auta, to wywalił jeszcze dodatkowe błędy - wspomaganie kierownicy. Czasem zapala się też  albo pomruga 
_________________ -- Pozdrawiam Krzysztof vel Majkiel
Uno 1.0 MPI SX 1997, 148kkm Grande Punto 1.4 16V Sport 2007, 212kkm Fiesta 1.25 2009, 111kkm
|
|
| Góra |
|
 |
|
fela |
#674420 Wysłany:
11 Cze 2013, 22:55; Temat postu: Re: Zamiast rozrusznika słychać terkotanie |
|
 |
| Sympatyk kropek |
 |
Imię: Piotrek
Samochód: Grande Punto 5d
Silnik: 1.4 8V 77KM
Paliwo: Benzyna
Wersja: Energy
Województwo: mazowieckie [W]
Rejestracja: 09 Cze 2013, Posty: 9
|
|
W sumie, to nie dokładnie te same, bo wyskakują - ABS, EBD, wspom. kierownicy. I świecą diody - ta z kłódką, abs, ręczny, kierownica.
|
|
| Góra |
|
 |
|
majkiel |
#674469 Wysłany:
12 Cze 2013, 08:33; Temat postu: Re: Zamiast rozrusznika słychać terkotanie |
|
 |
| Puntomaniak |
 |
Imię: Krzysztof
Samochód: Grande Punto 3d
Silnik: 1.4 16V 95KM
Paliwo: Benzyna + LPG
Wersja: Sport
Województwo: śląskie [S]
Miejscowość: Gliwice/Knurów Rejestracja: 18 Wrz 2008, Posty: 95
|
fela napisał(a): W sumie, to nie dokładnie te same, bo wyskakują - ABS, EBD, wspom. kierownicy. I świecą diody - ta z kłódką, abs, ręczny, kierownica. Na radiu nie widnieje napis CANCHECK ?
_________________ -- Pozdrawiam Krzysztof vel Majkiel
Uno 1.0 MPI SX 1997, 148kkm Grande Punto 1.4 16V Sport 2007, 212kkm Fiesta 1.25 2009, 111kkm
|
|
| Góra |
|
 |
|
fela |
#674507 Wysłany:
12 Cze 2013, 17:38; Temat postu: Re: Zamiast rozrusznika słychać terkotanie |
|
 |
| Sympatyk kropek |
 |
Imię: Piotrek
Samochód: Grande Punto 5d
Silnik: 1.4 8V 77KM
Paliwo: Benzyna
Wersja: Energy
Województwo: mazowieckie [W]
Rejestracja: 09 Cze 2013, Posty: 9
|
|
Nie, radio działa normalnie.
EDIT: autko u elektromechanika, na wieczór ma mi dać znać co się dzieje.
EDIT2: problemem była jakaś złączka, przez co były problemy z ogólnym napięciem. koszt wymiany 80zł
|
|
| Góra |
|
 |
|
matis14a |
#816513 Wysłany:
16 Gru 2016, 13:07; Temat postu: Re: Zamiast rozrusznika słychać terkotanie |
|
 |
| Forumowicz |
Samochód: Grande Punto 3d
Silnik: 1.2 16V 86KM
Paliwo: Benzyna
Województwo: małopolskie [K]
Rejestracja: 16 Gru 2016, Posty: 2
|
|
Witam, odkopie troche temat, posiadam Grande Punto z 2007 i mam maly problem z rozrusznikiem, mianowicie stary przestal krecic, strasznie wiec zmienilem na nowy, problem w tym ze mi sie troche spieszylo i nie zworcilem uwagi na jeden szczegol, mianowicie moje punto posiada rozrusznik bez kabla po stacyjce co jest dziwne troche dla mnie ale podobno tak jest i tyle, natomiast po zlozeniu wszystkiego, chcialem odpalic auto i zonk, w ogole nic sie nie dzieje, kompletna cisza.
Stwierdzilem ze cos jest zle podlaczone albo nie konktaktuje no i znalazlem jeden luzny przewod ktory nie mam pojecia gdzie powinien isc, nigdzie w sumie nie pasuje, wydaje mi sie ze to masa ale nie jest on polaczony z rozrusznikiem tylko wchodzi do wiazki za rozrusznikiem a tak jak napsialem spieszylo mi sie jak wyciagalem go i nie zwrocilem uwagi gdzie byl przykrecony.
W zalaczniku dodalem zdjecie tego kabla (czerwone kolko) oraz automatu.
Z gory wielkie dzieki za odpowiedzi i pozdrawiam serdecznie
| Załączniki: |
15591860_1227156510702654_924490358_n.jpg [ 33.45 KiB | Obejrzany 5882 razy ]
|
15577475_1227156477369324_2013701198_n.jpg [ 74.26 KiB | Obejrzany 5882 razy ]
|
|
|
| Góra |
|
 |
|
abel |
#816528 Wysłany:
16 Gru 2016, 18:09; Temat postu: Re: Zamiast rozrusznika słychać terkotanie |
|
 |
| Puntoświr |
Samochód: Inny Fiat
Silnik: Inny
Paliwo: Benzyna
Wersja: Emotion
Województwo: warmińsko-mazurskie [N]
Miejscowość: ełk Rejestracja: 12 Cze 2007, Posty: 574 Pomógł: 18
|
|
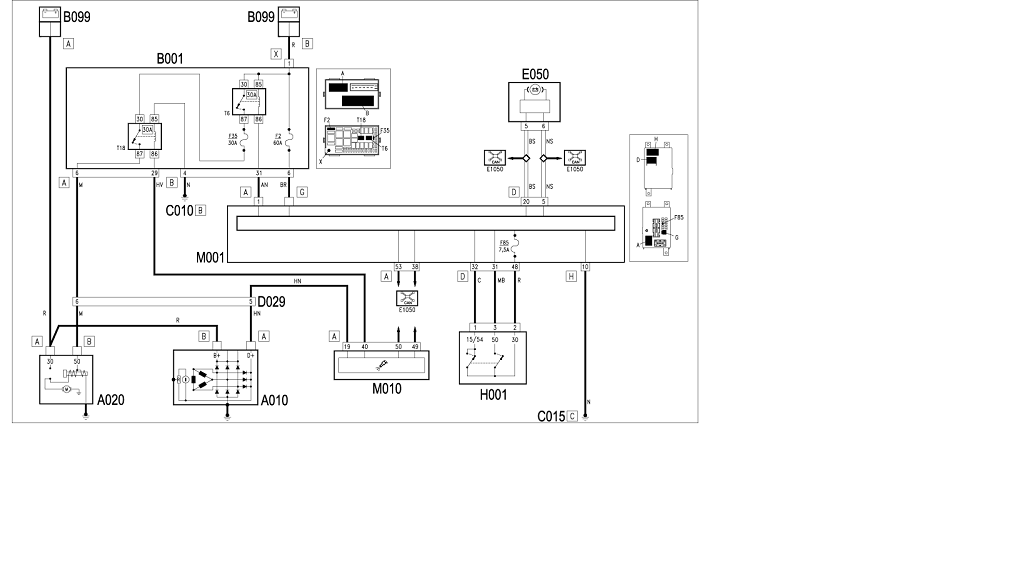
Ten przewód jest do sterowania włączenia rozrusznika . Masą jest obudowa rozrusznika . Na jednej śrubie masz przewody które idą na alternator i skrzynkę bezpieczników na droga śrubę ten przewód z dużym oczkiem
| Załączniki: |
rozruch i ładowanie.png [ 58.67 KiB | Obejrzany 5860 razy ]
|
|
|
| Góra |
|
 |
|
matis14a |
#816539 Wysłany:
17 Gru 2016, 01:29; Temat postu: Re: Zamiast rozrusznika słychać terkotanie |
|
 |
| Forumowicz |
Samochód: Grande Punto 3d
Silnik: 1.2 16V 86KM
Paliwo: Benzyna
Województwo: małopolskie [K]
Rejestracja: 16 Gru 2016, Posty: 2
|
|
czyli przewod czerwony od baterii idzie na gorna srube od automatu a ten czarny z duzym oczkiem a dolna? Dobrze rozumiem? hmmm ale bylo by to troszke dziwne dla mnie bo jak wyciagalem stary to w ogole nie ruszalem dolnej sruby w automacie bo wyszedl mi caly rozrusznik bez problemu....
|
|
| Góra |
|
 |
|
abel |
#816580 Wysłany:
17 Gru 2016, 22:57; Temat postu: Re: Zamiast rozrusznika słychać terkotanie |
|
 |
| Puntoświr |
Samochód: Inny Fiat
Silnik: Inny
Paliwo: Benzyna
Wersja: Emotion
Województwo: warmińsko-mazurskie [N]
Miejscowość: ełk Rejestracja: 12 Cze 2007, Posty: 574 Pomógł: 18
|
|
Załóż na górna śrubę . Trzy lata temu czyscilem rozrusznik i coś sobie przypominam . Na górnej śrubie powinno być dwie nakrętki ten cienki kabelek idzie pod te pierwszą nakretke zaraz za blaszką i nie dotyka tej śruby , następnie jest izolowany czarny plastyk i nakrętka . Dopiero po tym idą te grube przewody . Tak że przewody cienki i grube są od siebie odizolowane .odkrecisz nakretke i będziesz widział o co chodzi . Sory że poprzedni mój post wprowadził w błąd
|
|
| Góra |
|
 |
|
Strona 1 z 1
|
[ 14 posty(ów) ] |
|
|
Nie możesz zakładać nowych tematów na tym forum Nie możesz odpowiadać w tematach na tym forum Nie możesz edytować swoich postów na tym forum Nie możesz usuwać swoich postów na tym forum Nie możesz dodawać załączników na tym forum
|
|