|
Obecny czas: 27 Sty 2026, 23:08
|
Zobacz posty bez odpowiedzi | Zobacz aktywne tematy
|
Strona 1 z 1
|
[ 2 posty(ów) ] |
|
| Autor |
Wiadomość |
|
AndrzejElektryk |
#845379 Wysłany:
18 Sty 2019, 19:01; Temat postu: Grande Punto 1.3 JTD Praca bez kluczyka |
|
 |
| Forumowicz |
Imię: Andrzej
Samochód: Punto Evo 3d
Silnik: 1.9 80KM JTD
Paliwo: ON
Wersja: Team
Województwo: zachodniopomorskie [Z]
Rejestracja: 18 Sty 2019, Posty: 1
|
Witam wszystkich bardzo serdecznie jest to mój pierwszy post Słuchajcie sprawa jest dość skomplikowana na lawecie dojechał do mnie fiat grande punto 1.3 kompletnie nie szło odpalić kontrolki świeciły brak reakcji na kluczyk więc wykasowałem immo z komputera i wszystko ok zapala na dotyk ale niestety po wyjęciu klucza auto dalej chodzi.... prosił bym o konkretną poradę stacyjka jest dobra jestem w stanie zapłacić za poradę tak abym jutro kupił ewentualnie co trzeba zamontował słyszałem coś o nastawniku pompy wydaje mi się że to bzdura....przekaźnik zapłonu się skleił ????
|
|
| Góra |
|
 |
|
|
|
radex324 |
#845380 Wysłany:
18 Sty 2019, 19:46; Temat postu: Re: Grande Punto 1.3 JTD Praca bez kluczyka |
|
 |
| Puntoświr |
 |
Imię: Radek
Samochód: Grande Punto 3d
Silnik: Inny
Paliwo: Benzyna + LPG
Wersja: Dynamic
Województwo: śląskie [S]
Rejestracja: 19 Sie 2017, Posty: 697 Pomógł: 2
|
|
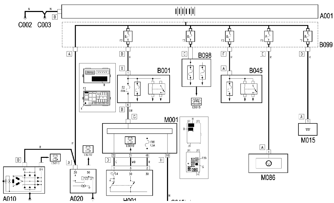
Powinno pomóc
| Załączniki: |
Screenshot_161.png [ 68.45 KiB | Obejrzany 1283 razy ]
|
Screenshot_159.png [ 39.08 KiB | Obejrzany 1284 razy ]
|
Screenshot_160.png [ 63.11 KiB | Obejrzany 1284 razy ]
|
|
|
| Góra |
|
 |
|
Strona 1 z 1
|
[ 2 posty(ów) ] |
|
|
Nie możesz zakładać nowych tematów na tym forum Nie możesz odpowiadać w tematach na tym forum Nie możesz edytować swoich postów na tym forum Nie możesz usuwać swoich postów na tym forum Nie możesz dodawać załączników na tym forum
|
|