Jak powszechnie wiadomo światła drogowe w Punto mkI dzielą się na dwa rodzaje. H4 w wersjach S, SX oraz H1+H1 w pozostałych. Chcąc przerobić instalację H4 na H1+H1 należy też przerobić światła drogowe ( w H4 jak włączymy drogowe gaśnie mijania co jest w H1+H1 niedopuszczalne )
A więc żeby to zrobić należy:
Przełącznik zespolony działa w ten sposób, że sygnał do świateł mijania jest puszczony przez stycznik świateł drogowych który normalnie jest w stanie 0. Płynie wtedy przez dwa styczniki ( mijania i drogowe ) prąd zasilający tylko światła mijania.
Kiedy włączymy wajchę od siebie stycznik drogowych przechodzi w stan 1 i przerzuca prąd który dotychczas zasilał mijania na przewód od drogowych. W ten sposób mamy albo światła mijania albo drogowe.
Ale wymyśliłem sposób jak sobie z tym poradzic. Należy Zamontować "mostek" na styczniku świateł drogowych który będzie omijał tenże stycznik. W ten sposób będą świecące razem mijania+drogowe. Zalecam na końcu zamontujować przekaźniki żeby nie było mowy o żadnym przegrzaniu/przeciążeniu układu + lepsze oświetlenie

Mam nadzieję że komuś to w przyszłości pomoże
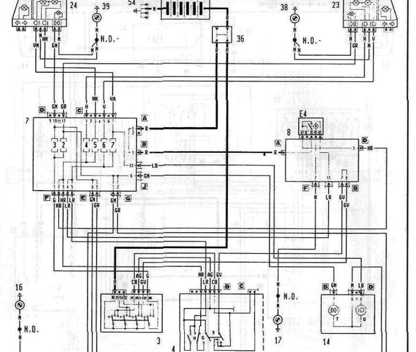
P.S. Załączam schemat, można sobie prześledzić drogi w przełączniku zespolonym ( 4 - przełącznik zespolony; H-przycisk drogowych; G-stycznik drogowych; F-stycznik mijania)
Załącznik:
schematxxxx.JPG [ 96.64 KiB | Obejrzany 15213 razy ]
P.S.2 Kostka do lampy H1+H1 pasuje z Fiata Brava/Bravo
by cams/aquil_