|
Obecny czas: 12 Sty 2026, 07:18
|
Zobacz posty bez odpowiedzi | Zobacz aktywne tematy
|
Strona 1 z 1
|
[ 4 posty(ów) ] |
|
| Autor |
Wiadomość |
|
Adam_333 |
#849029 Wysłany:
31 Lip 2019, 00:28; Temat postu: Sterownie z kierownicy radiem |
|
 |
| Sympatyk kropek |
Imię: Adam
Samochód: Punto II 5d
Silnik: 1.2 8V 60KM
Paliwo: Benzyna + LPG
Województwo: podkarpackie [R]
Rejestracja: 27 Mar 2017, Posty: 5
|
|
Witam, ostatnio zakupiłem Grande Punto bez radia. Szybko dokupilem oryginalne radio blaupunkt. Wszytko ładnie gra, tylko niestety brakuje mi sterowania z kierownicy. Powinien być jeszcze jeden kabel ale prawdopodobnie go niemam. Co należało by dołożyć aby takie sterowanie z kierownicy zadziałało?
|
|
| Góra |
|
 |
|
|
|
lach.andrzejp |
#849062 Wysłany:
01 Sie 2019, 21:58; Temat postu: Re: Sterownie z kierownicy radiem |
|
 |
| Puntoświr |
Imię: Andrzej
Samochód: Doblo
Silnik: 1.3 70KM mJTD
Paliwo: ON
Województwo: mazowieckie [W]
Miejscowość: Warszawa Rejestracja: 09 Mar 2019, Posty: 114
|
|
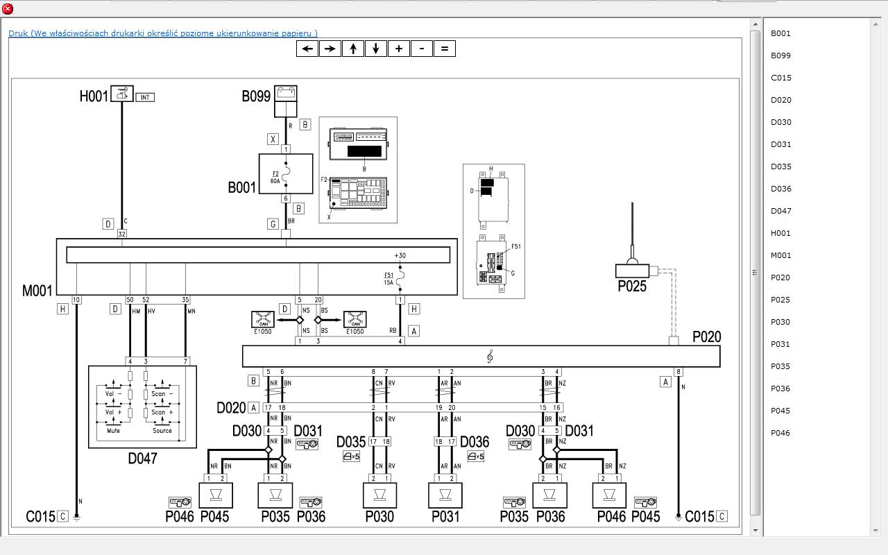
Proszę bardzo. Może od razu pełną opcje z blue&me (Komendy głosowe). Ja mam u siebie i polecam. Jak miałem samsunga A5 to mi nawet czytało smsy. P026 lampka z mikrofonem chyba z niebieską kropką P143 złącze USB i AUX M162 centralka blue%me
| Załączniki: |
Komentarz do pliku: zestaw głośnomówiący i port USB
zestaw głośnomówiacy grande.jpg [ 102.85 KiB | Obejrzany 2044 razy ]
|
Komentarz do pliku: schemat radia i sterowania z kierownicy
schemat multifunkcji grande.jpg [ 116.76 KiB | Obejrzany 2044 razy ]
|
|
|
| Góra |
|
 |
|
Adam_333 |
#849063 Wysłany:
02 Sie 2019, 06:25; Temat postu: Re: Sterownie z kierownicy radiem |
|
 |
| Sympatyk kropek |
Imię: Adam
Samochód: Punto II 5d
Silnik: 1.2 8V 60KM
Paliwo: Benzyna + LPG
Województwo: podkarpackie [R]
Rejestracja: 27 Mar 2017, Posty: 5
|
|
Czyli co musiałbym dokupić aby to było?
|
|
| Góra |
|
 |
|
lach.andrzejp |
#849081 Wysłany:
02 Sie 2019, 22:43; Temat postu: Re: Sterownie z kierownicy radiem |
|
 |
| Puntoświr |
Imię: Andrzej
Samochód: Doblo
Silnik: 1.3 70KM mJTD
Paliwo: ON
Województwo: mazowieckie [W]
Miejscowość: Warszawa Rejestracja: 09 Mar 2019, Posty: 114
|
|
centralka blue&me lampka z mikrofonem przyciski na kierownicę złącze USB i AUX adaptery mini ISO piny różne, wtyki i przewody - wiązkę od jakiegoś dawcy
|
|
| Góra |
|
 |
|
Strona 1 z 1
|
[ 4 posty(ów) ] |
|
|
Nie możesz zakładać nowych tematów na tym forum Nie możesz odpowiadać w tematach na tym forum Nie możesz edytować swoich postów na tym forum Nie możesz usuwać swoich postów na tym forum Nie możesz dodawać załączników na tym forum
|
|