|
Obecny czas: 13 Sty 2026, 10:28
|
Zobacz posty bez odpowiedzi | Zobacz aktywne tematy
|
Strona 1 z 1
|
[ 12 posty(ów) ] |
|
| Autor |
Wiadomość |
|
rzepuncja |
#857469 Wysłany:
18 Lis 2021, 19:59; Temat postu: przełącznik świateł nie wyłącza świateł |
|
 |
| Puntomaniak |
Imię: Piotr
Samochód: Grande Punto 5d
Silnik: 1.2 8V 65KM
Paliwo: Benzyna
Województwo: podkarpackie [R]
Rejestracja: 11 Lis 2015, Posty: 76
|
Witam, Dziś zauważyłem, że po skończonej jezdzie chcąc zgasić swiatła (czyli przekręcić pokrętło przełącznika na zero "O") światła dale się świeciły (chodzi o światła mijania i pozycyjne). Tak jakby pokrętło nagle odmówiło posłuszeństwa. Po zgaszeniu zapłonu światła gasną więc akumulatora nie wyładują ale po ponownym załączeniu zapłonu światła nadal świecą niezależnie od pozycji pokrętła. Stąd moje pytanko, czy ktoś z Was miał już taką przypadlość? Znalazłem na forum podobny temat ( topic37189.html), z tym ze tam swiatło migało bo były styki zanieczyszczone a czy ktoś wie co może być przyczyną ze światła cały czas się świecą niezależnie od pokrętła?
|
|
| Góra |
|
 |
|
|
|
Jachaś |
#857471 Wysłany:
18 Lis 2021, 22:12; Temat postu: Re: przełącznik świateł nie wyłącza świateł |
|
 |
| Moderator |
 |
Samochód: Punto 2012
Silnik: 1.2 8V 69KM
Paliwo: Benzyna
Wersja: Easy
Województwo: świętokrzyskie [T]
Rejestracja: 21 Sty 2019, Posty: 878 Pomógł: 47
|
Chwała ci że poszukałeś rozwiązania bo dziś każdy czeka na gotowca  .Na początek możesz spróbować wyczyścić jak w poradniku. Na pewno nie zaszkodzi a możliwe że pomoże, bo nikt nie powiedział że u każdego ma być taki sam objaw  . Jeżeli nie pomoże, to raczej przełączniki pod kierownicą do wymiany bo gdzieś robi zwarcie które body odczytuje jako włączenie świateł (w dużym uproszczeniu, pozycja 0, pozycyjne, mijania sterownik widzi jako "obwód otwarty, "mały prąd", "duży prąd" i zależnie od tego jaki sygnał odbierze, włącza odpowiednie światła lub je wyłącza)
_________________ Moje Punto Easy Sport MY2012
|
|
| Góra |
|
 |
|
MarianKoniuszko |
#857472 Wysłany:
18 Lis 2021, 23:12; Temat postu: Re: przełącznik świateł nie wyłącza świateł |
|
 |
| Puntoświr |
 |
Imię: Artur
Samochód: Grande Punto 5d
Silnik: 1.4 16V 95KM
Paliwo: Benzyna
Wersja: Dynamic
Województwo: zachodniopomorskie [Z]
Miejscowość: Szczecin Rejestracja: 08 Maj 2016, Posty: 368 Pomógł: 8
|
Tak jak już kolega Jachaś napisał - albo gdzieś robi zwarcie, albo coś się zawiesiło w pozycji "światła mijania". Innej możliwości raczej nie ma. Przepraszam za off-top, ale muszę zapytać: po co w ogóle gasić światła po skończonej jeździe  Przecież to jest jedna z lepszych rzeczy w Fiatach, że światła mijania gasną po wyłączeniu zapłonu. Żadnych pikawek, żadnych przypominajek i żadnych rozładowanych akumulatorów. U siebie jak włączyłem światła mijania wyjeżdżając z salonu w 2009, tak po dziś dzień praktycznie nie ruszyłem tego pokrętła (no dobra, raz się zdarzyło, jak wymieniałem manetki pod tempomat  )
_________________ Grande Punto 1.4 16V Starjet Dynamic Blue&Me 2009r. + ESP/ASR/Hill Holder, światła przeciwmgielne, podłokietnik Dołożone: tylne czujniki parkowania, tempomat, lotka, nakładki progowe, lusterko fotochromatyczne, oświetlenie Submarine
|
|
| Góra |
|
 |
|
rzepuncja |
#857502 Wysłany:
22 Lis 2021, 08:25; Temat postu: Re: przełącznik świateł nie wyłącza świateł |
|
 |
| Puntomaniak |
Imię: Piotr
Samochód: Grande Punto 5d
Silnik: 1.2 8V 65KM
Paliwo: Benzyna
Województwo: podkarpackie [R]
Rejestracja: 11 Lis 2015, Posty: 76
|
Panowie więc tak, podczas rozbierania przełącznika (co nie jest takie łatwe jak w tej instrukcji, bo m.in. zatrzaski są bardzo mocno zaciśnięte i nie idzie zdjąć tej 2 osłony przełącznika) jak juz dostałem się do płytki elektrycznej to niestety pomyliło mi się, i myślałem, że pomiędzy płytką a kabelkami w miejscu łączenia ten element plastikowy to rozbieralna wtyczna wiec kombinerkami chcąc ją wyjąć z płytki, oderwałem ją na stałe  tak więc dołożyłem sobie sam pracy bo teraz na dodatek musze przylutować z powrotem płytkę do kabelków. Ale wracając do sedna.... teraz gdy nie ma płytki i kabelki są oderwane to tym samym jest obwód otwarty a światła jak świeciły tak świecą więc wychodzi na to, że zwarcie jest gdzieś głębiej niż przełącznik  chyba, że to jakoś inaczej działa, sam już nie wiem... P.S. Światła mijania powinno się móc wyłączyć np. stojąc na parkingu czekając na kogoś, po co mają świecić niepotrzebnie? W dodatku nie da się włączyc samych postojowych i uruchamianie silnika przy włączonych światłach mijania tez niepotrzebnie dodatkowo męczy akumulator.
|
|
| Góra |
|
 |
|
Jachaś |
#857503 Wysłany:
22 Lis 2021, 19:30; Temat postu: Re: przełącznik świateł nie wyłącza świateł |
|
 |
| Moderator |
 |
Samochód: Punto 2012
Silnik: 1.2 8V 69KM
Paliwo: Benzyna
Wersja: Easy
Województwo: świętokrzyskie [T]
Rejestracja: 21 Sty 2019, Posty: 878 Pomógł: 47
|
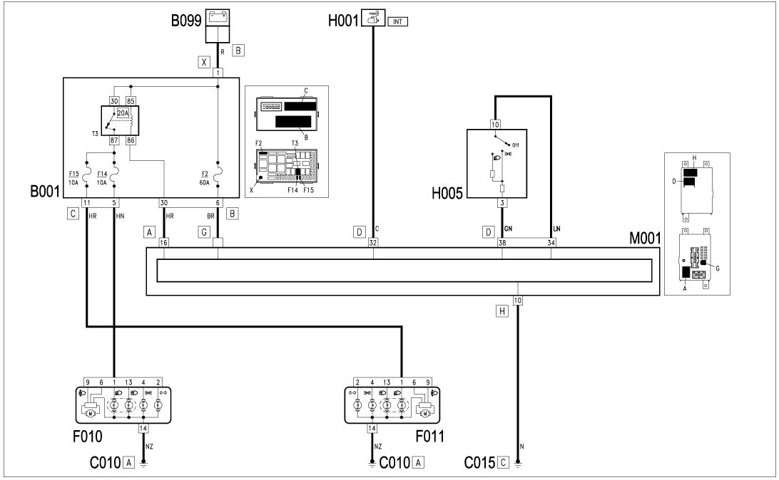
Musiałbyś wypiąć całkiem manetki żeby mieć pewność że to nie manetki "krzaczą". Jak po wypięciu dalej by się świeciły to albo wiązka ma gdzieś zwarcie, bodycomputer walnięty, ewentualnie przekaźnik skleił" (tylko nie pamiętam czy był tam przekaźnik zewnętrzny, czy w bodycomputer, jak ktoś wie to niech da znać). Sprawdzę schemat jeszcze raz jak wrócę do domu [ Dodano: 22 Lis 2021, 19:30 ]rzepuncja, łap schematy instalacji świateł mijania  . Widzę że w schemacie jest jeden przekaźnik T3 pod maską, więc ewentualnie jak mimo rozłączenia manetki będą świecić, to trzeba by się bliżej przyjrzeć przekaźnikowi 
| Załączniki: |
Światła mijania.png [ 50.31 KiB | Obejrzany 8544 razy ]
|

Skrzynka Bezpieczników.png [ 26.92 KiB | Obejrzany 8544 razy ]
|
_________________ Moje Punto Easy Sport MY2012
|
|
| Góra |
|
 |
|
rzepuncja |
#857510 Wysłany:
22 Lis 2021, 21:50; Temat postu: Re: przełącznik świateł nie wyłącza świateł |
|
 |
| Puntomaniak |
Imię: Piotr
Samochód: Grande Punto 5d
Silnik: 1.2 8V 65KM
Paliwo: Benzyna
Województwo: podkarpackie [R]
Rejestracja: 11 Lis 2015, Posty: 76
|
Dzięki za schemat, przyda się, ale już chyba znalazłem winowajcę  Dziś po pracy odciąłem zieloną "wtyczkę" która została po oderwaniu płytki i się okazało, że czarny przewód był urwany na wysokości kulki manetki, tak więc najprawdopodobniej to jest przyczyną. Dam znać jak wszystko naprawię, lecz wcześniej mam pytanko... czy da rade zdemontować tą manetkę bez odkręcania całej kierownicy? Wiem, że pewnie cieżko będzie mi zlutować bez odkręcania wszystkiego ale mimo wszystko na poczatku chciałbym zobaczyc tylko co sie kryje z boku tam gdzie ta kulka manetki. Wiecie czy da rade tak zrobić?
|
|
| Góra |
|
 |
|
Jachaś |
#857512 Wysłany:
22 Lis 2021, 22:19; Temat postu: Re: przełącznik świateł nie wyłącza świateł |
|
 |
| Moderator |
 |
Samochód: Punto 2012
Silnik: 1.2 8V 69KM
Paliwo: Benzyna
Wersja: Easy
Województwo: świętokrzyskie [T]
Rejestracja: 21 Sty 2019, Posty: 878 Pomógł: 47
|
rzepuncja napisał(a): czy da rade zdemontować tą manetkę bez odkręcania całej kierownicy Zdemontować? No pewnie! Tylko może być gorzej z ponownym montażem A poważnie, to na 99,999999% się nie da bo będziesz musiał się dostać do obudowy na środku i zdjąć pokrywę, a tego bez wyciągnięcia kierownicy będzie ciężko(żeby nie powiedzieć niemożliwe  ), nie mówiąc już o kompletnym braku komfortu pracy. Nie jest to trudne (na forum jest nawet jak to zrobić żeby nie przebijać otworów w kierownicy  , a po wyjęciu poduszki masz tylko jedną śrubę do wykręcenia (+ obudowę wokół kierownicy)
_________________ Moje Punto Easy Sport MY2012
|
|
| Góra |
|
 |
|
rzepuncja |
#857516 Wysłany:
23 Lis 2021, 10:31; Temat postu: Re: przełącznik świateł nie wyłącza świateł |
|
 |
| Puntomaniak |
Imię: Piotr
Samochód: Grande Punto 5d
Silnik: 1.2 8V 65KM
Paliwo: Benzyna
Województwo: podkarpackie [R]
Rejestracja: 11 Lis 2015, Posty: 76
|
Dobra, w takim razie wezmę się za to na czasie, poszukałem kilka informacji na forum, nawet filmik na yt jest także spoko, w dodatku zdejmę cały przełącznik zespolony i na spokojnie w domu wszystko zlutuje, zamiast się męczyć w aucie w mroźne dni Mam jeszcze tylko małe pytanko, czy kabelek który bedę wlutowywał może być nieco grubszy? Urwany kabelek chce zastąpic nowym, ewentualnie dolutować to tej pozostałej końcówki urwanej ale mam nieco grubszy, czy z punktu widzenia elektroniki to będzie jakoś przeszkadzać, czy raczej nie? 
|
|
| Góra |
|
 |
|
Jachaś |
#857517 Wysłany:
23 Lis 2021, 10:47; Temat postu: Re: przełącznik świateł nie wyłącza świateł |
|
 |
| Moderator |
 |
Samochód: Punto 2012
Silnik: 1.2 8V 69KM
Paliwo: Benzyna
Wersja: Easy
Województwo: świętokrzyskie [T]
Rejestracja: 21 Sty 2019, Posty: 878 Pomógł: 47
|
W tym przypadku może, choć nie musi, bo grubszy kabel może wpłynąć na rezystancję i sterownik przez zmienioną rezystancję może nie włączyć świateł (teoretycznie, ale wydaje mi się że nie powinno być problemu  ) Więc jak dobrze polutujeaz to powinno być dobrze [ Dodano: 23 Lis 2021, 10:47 ]Daj też znać jak poszło 
_________________ Moje Punto Easy Sport MY2012
|
|
| Góra |
|
 |
|
rzepuncja |
#857519 Wysłany:
23 Lis 2021, 12:03; Temat postu: Re: przełącznik świateł nie wyłącza świateł |
|
 |
| Puntomaniak |
Imię: Piotr
Samochód: Grande Punto 5d
Silnik: 1.2 8V 65KM
Paliwo: Benzyna
Województwo: podkarpackie [R]
Rejestracja: 11 Lis 2015, Posty: 76
|
Grubość przewodu tego co chce dac jest ok. 2x większa od oryginału więc wydaje mi się, że nie powinno być problemu, co innego jakby wlutować o wiele grubszy to wtedy tak (tak mi się przynajmniej zdaje)  Podobną sytuację miałem gdy łączyłem przewód w przelotce bagażnika (urwał się od tylnej wycieraczki) to też dawałem ten sam grubszy i wszystko hula do dziś (odpukać w razie W). Dam znać jak skończę, może nawet porobie i udostępnie kilka dodatkowych zdjęć 
|
|
| Góra |
|
 |
|
Jachaś |
#857522 Wysłany:
23 Lis 2021, 17:27; Temat postu: Re: przełącznik świateł nie wyłącza świateł |
|
 |
| Moderator |
 |
Samochód: Punto 2012
Silnik: 1.2 8V 69KM
Paliwo: Benzyna
Wersja: Easy
Województwo: świętokrzyskie [T]
Rejestracja: 21 Sty 2019, Posty: 878 Pomógł: 47
|
rzepuncja napisał(a): Grubość przewodu tego co chce dac jest ok. 2x większa od oryginału więc wydaje mi się, że nie powinno być problemu rzepuncja napisał(a): przewód w przelotce bagażnika (urwał się od tylnej wycieraczki) to też dawałem ten sam grubszy i wszystko hula do dziś (odpukać w razie W) Tylko że manetka od świateł, a wycieraczka tylna działają na całkiem innej zasadzie, bo wycieraczka po prostu potrzebuje prądu (więc grubszy kabel nie przeszkadza, mniejszy może) a manetka ma w sobie określone rezystancje do sterowania światłami. Sygnał świateł mijania i pozycyjnych idzie po jednym kablu, sterownik wie które masz wybrane na manetce, na podstawie spadku napięcia które powoduję rezystancje w manetce, a tu grubość przewodu może mieć już znaczenie
_________________ Moje Punto Easy Sport MY2012
|
|
| Góra |
|
 |
|
rzepuncja |
#857586 Wysłany:
28 Lis 2021, 16:51; Temat postu: Re: przełącznik świateł nie wyłącza świateł |
|
 |
| Puntomaniak |
Imię: Piotr
Samochód: Grande Punto 5d
Silnik: 1.2 8V 65KM
Paliwo: Benzyna
Województwo: podkarpackie [R]
Rejestracja: 11 Lis 2015, Posty: 76
|
Witam, a więc zabrałem się za to na weekendzie i wszystko sie udało Faktycznie tak jak ludzie piszą, odłączenie poduszki powietrznej od kierownicy wymaga cierpliwości i trzeba sie troche pomęczyć, ale w końcu się uda. Odkręcenie osłon, kierownicy i samego przełącznika bez problemów. W przełączniku zlutowałem wszystko, dałem kabelek nieco grubszy i póki co wszystko działa  Warto pamiętać, żeby podczas przykręcania dwóch połowek przełącznika zespolonego lewą manetkę od świateł dać w pozycję w lewo lub prawo, nie na środku, bo czop z 2 połówki obudowy (ten od mechanizmu odbijania kierunkowskazów) nie może wpaść w taki trójkątny odlany otwór, tylko musi być "nad" nim aby mógł sie swobodnie ślizgać po powierzchni. Jest to istotne bo przez nieuwagę można wszystko ładnie skręcić, zamontować w samochodzie a wszystko na nic bo manetką od kierunkowskazów nie ruszy, i wszystko trzeba od nowa rozkręcać  Dzięki za wszystkie odpowiedzi, temat uważam za zakończony 
|
|
| Góra |
|
 |
|
Strona 1 z 1
|
[ 12 posty(ów) ] |
|
|
Nie możesz zakładać nowych tematów na tym forum Nie możesz odpowiadać w tematach na tym forum Nie możesz edytować swoich postów na tym forum Nie możesz usuwać swoich postów na tym forum Nie możesz dodawać załączników na tym forum
|
|