|
Obecny czas: 13 Sty 2026, 03:15
|
Zobacz posty bez odpowiedzi | Zobacz aktywne tematy
|
Strona 1 z 1
|
[ 4 posty(ów) ] |
|
| Autor |
Wiadomość |
|
Zalewacky |
#863990 Wysłany:
27 Wrz 2025, 18:59; Temat postu: Moduł parkowania |
|
 |
| Sympatyk kropek |
Imię: Robert
Samochód: Grande Punto 5d
Silnik: 1.4 16V 95KM
Paliwo: Benzyna
Wersja: Emotion
Województwo: podlaskie [B]
Rejestracja: 18 Mar 2018, Posty: 24
|
|
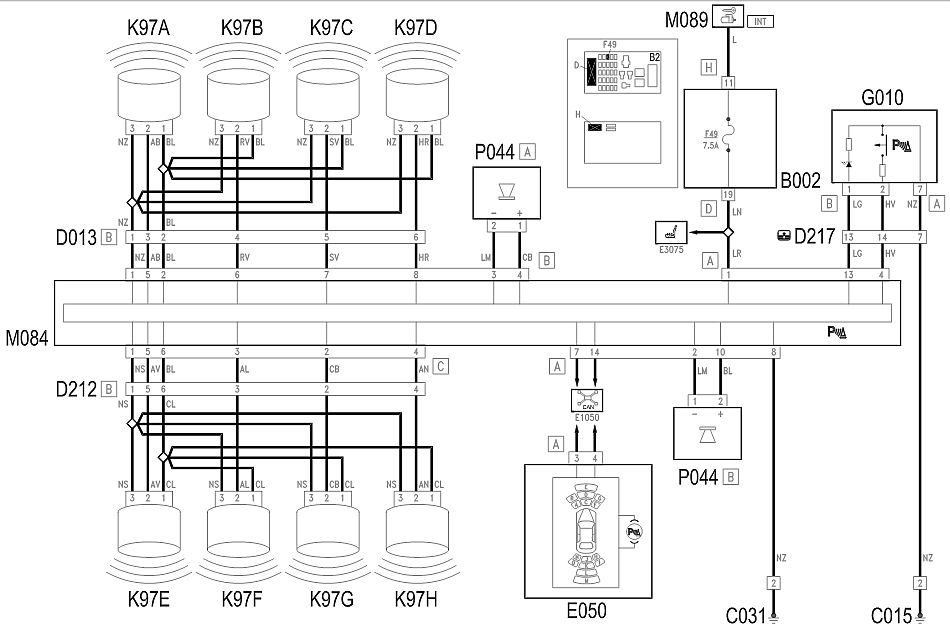
Dzień dobry, W Grande Punto w module parkowania są trzy wyjścia. Wyjście A to zasilanie i sterowanie, wyjście B to połączenie z czujnikami zbliżania w tylnym zderzaku, a czy wyjście C to połączenie z czujnikami zbliżania w przednim zderzaku ? Nie znalazłem w eLearn żadnej wersji GP z takimi czujnikami. Starszy brat Bravo jest dostępny w takiej opcji, ale używa innej centralki. Czy ktoś na forum wie w jakim aucie/modelu (Fiat, Lancia, Jeep, Alfa) centralka z GP była w pełni wykorzystana ? Może macie dostęp do schematu elektrycznego tego auta? Jeśli temat na forum już się przewinął uprzejmie proszę o przekierowanie mnie do niego Z góry dziękuję
| Załączniki: |
Centralka.jpg [ 94.65 KiB | Obejrzany 874 razy ]
|
|
|
| Góra |
|
 |
|
|
|
pmxoo7pI |
#863993 Wysłany:
28 Wrz 2025, 00:40; Temat postu: Re: Moduł parkowania |
|
 |
| Puntoświr |
 |
Samochód: Grande Punto 5d
Silnik: 1.4 8V 77KM
Paliwo: Benzyna + LPG
Wersja: Dynamic
Województwo: dolnośląskie [D]
Rejestracja: 21 Lut 2023, Posty: 871 Pomógł: 17
|
To ja mam za was Google używać (wyszukiwanie po obrazach)?  OK... Na podstawie fotki ogólnej centralki (z 2 wtyczkami) wyskakują opcje z 3 złączami wykorzystanymi... Załącznik:
JA_mam_za_was_uzywac_Google_images.jpg [ 287.31 KiB | Obejrzany 868 razy ]
Sprawdzamy w ePER numer części z Allegro itp. Przykładowo Alfa 159. https://eper.fiatforum.com/en/Drawings/Detail/R/R/159/X3/555/1/0/5/0/SubSubGroup/60693882Dalej można sprawdzić oficjalny eLearn, czy któryś z tych modeli jest za darmo (czy trzeba hasło/login). Przykładowa Alfa 159 jest, schemat (złącze "C" tu akurat obsługuje przód, a "B" tył, ale to kosmetyka). https://aftersales.fiat.com/elearnsections/main.aspx?nodeID=939011668&languageID=2&markID=2&modelID=939000000&valID=939000000&prodID=939000001&modelName=Alfa%20-%20140%20-%20Alfa%20159&langDesc=English§ionName=Impianto%20Elettrico&validityName=1.9%20JTD%2016VZałącznik:
image-28046138276977596_Alfa159_czujniki_przod_tyl.jpg [ 78.58 KiB | Obejrzany 868 razy ]
Tylko to jest inna centralka, a nie, że "centralka z Grande" jest gdzieś w pełni wykorzystana (na 3 wtyczki)... Dla porównania nasza bieda (tylko tył), Grande. https://aftersales.fiat.com/elearnsections/main.aspx?nodeID=199008428&languageID=2&markID=1&modelID=199000000&valID=199000001&prodID=199000000&modelName=Fiat%20-%20199%20-%20Grande%20Punto&langDesc=English§ionName=Impianto%20Elettrico&validityName=1.4%208vOtwórz ten moduł jak się da i zobacz, czy w ogóle (wersja w Grande) tam cokolwiek jest za złączem "C" (czy jest taka sama elektronika na płytce jak przy złączu "B", czy może nie wlutowali scalaków na przykład, albo się okaże, że przód jest wyłączony programowo, nic nie zrobisz, musiałbyś przeszczepiać moduł właśnie z Alfy, czy Lancii). Autor postu otrzymał pochwałę
_________________
Mini-poradnik PDF dla nowych posiadaczy Fiatów, typowe wady modelu Grande/EVO.
|
|
| Góra |
|
 |
|
Jachaś |
#863997 Wysłany:
30 Wrz 2025, 00:11; Temat postu: Re: Moduł parkowania |
|
 |
| Moderator |
 |
Samochód: Punto 2012
Silnik: 1.2 8V 69KM
Paliwo: Benzyna
Wersja: Easy
Województwo: świętokrzyskie [T]
Rejestracja: 21 Sty 2019, Posty: 878 Pomógł: 47
|
|
To jest sterownik czujników parkowania produkcji valeo z lat +- 2005-2015 (wtedy występował w fabrycznie produkowanych modelach). Montowano to praktycznie w każdej marce europejskiej (FCA,PSA,VAG,itd.)
W każdym "hardware" (obudowa sterownika, złącza, płytka drukowana,itd.) są takie same, różnią się oprogramowaniem (każda marka ma nieco inną "strategię" działania systemu + każda ma nieco inaczej działającą magistralę CAN) i podejrzewam że jest też różnica w ilości elektroniki na płytce w zależności od wersji (czujniki tył, czujniki przód + tył , czujniki przód + tył + boki), soft do każdej wersji też pewnie będzie nieco inny.
Wiązkę do zderzaka przód musiałbyś zrobić customową (bo nigdy w punto nie było czujników przód) i znaleść sterownik czujników parkowania z najbardziej zbliżonego konstrukcyjnie auta (co pozwalałoby sądzić, że magistrala CAN w obu autach jest na tyle zbliżona, że sterownik będzie prawidłowo działał) Takimi autami wydaje mi się że powinny być Bravo 2 i Giulietta z pierwszych roczników ( choć w przypadku punto, są modele "przed liftem elektryki" i "po lifcie elektryki", a który z 2 byłby bardziej kompatybilny z ww. autami to jeszcze większa niewiadoma.
Nie wiem też czy nie byłby potrzebny buzzer do tych czujników. Z tego co kojarzę, w punto oryginale czujniki korzystają z głośnika w zegarach, w VAG-u są zewnętrze buzzery, 1 lub 2, zależy czy czujniki są tylko tył, czy przód i tył. Jak jest w giulieccie/bravo? Nie wiem
Albo przecierasz szlaki (ale tanio nie będzie i pochłonie sporo czasu) albo odpuszczasz.
_________________ Moje Punto Easy Sport MY2012
|
|
| Góra |
|
 |
|
maciekt8 |
#864098 Wysłany:
06 Gru 2025, 10:13; Temat postu: Re: Moduł parkowania |
|
 |
| Puntoświr |
Imię: Maciek
Samochód: Grande Punto 3d
Silnik: 1.4 16V 120KM
Paliwo: Benzyna + LPG
Wersja: Sport
Województwo: mazowieckie [W]
Miejscowość: Żyrardów Rejestracja: 08 Lis 2014, Posty: 225 Pomógł: 6
|
|
Dadam że moduł z alfy mito do grande się nie nadaje. Montowałem ori czujniki i kupiłem właśnie od alfy komplet z wtyczkami czujnikami itp. No i osiowanie poszło ale moduł zapałał awarie i nic nie działało. Po zakupie centralki od fiata grande wszystko działa.
_________________ la nostra passione cars
|
|
| Góra |
|
 |
|
Strona 1 z 1
|
[ 4 posty(ów) ] |
|
|
Nie możesz zakładać nowych tematów na tym forum Nie możesz odpowiadać w tematach na tym forum Nie możesz edytować swoich postów na tym forum Nie możesz usuwać swoich postów na tym forum Nie możesz dodawać załączników na tym forum
|
|