|
Obecny czas: 14 Sty 2026, 00:00
|
Zobacz posty bez odpowiedzi | Zobacz aktywne tematy
|
Strona 1 z 1
|
[ 11 posty(ów) ] |
|
| Autor |
Wiadomość |
|
piotrekzz |
#814242 Wysłany:
02 Lis 2016, 21:56; Temat postu: Problem z ogrzewaniem tylnej szyby... |
|
 |
| Forumowicz |
Imię: Piotr
Samochód: Grande Punto 5d
Silnik: 1.4 8V 77KM
Paliwo: Benzyna
Wersja: Estiva Blue&Me
Województwo: małopolskie [K]
Rejestracja: 02 Lis 2016, Posty: 4
|
Hej Koledzy, jestem tutaj nowy, nie znalazłem nic podobnego, dlatego piszę. Jestem posiadaczem Grande od 2010 roku - rocznik 2009 kupione w lutym 2010 od nowości. Ostatnio mechanik wymienił mi zamek klapy bagażnika gdyż po otworzeniu z pilota, nie rozłączał alarmu, oraz po zostawieniu nie zamkniętej klapy bagażnika i chęci zamknięcia z pilota nie sygnalizował zostawionej klapy, teraz wszystko ok z zamkniem, ale chyba coś spartolił albo coś się wcześniej zepsuło tylko nie używałem ogrzewania tylnej szyby w lecie. Mianowicie: Ogrzewanie lusterek działa obu. Ogrzewanie tylnej szyby nie. Bezpiecznik w komorze silnika wyminiłem, 30A, numer 20, chociaż był dobry, ale dla przezorności wymieniłem. Po ściągnięciu tylnego plastiku, stwierdziłem co następuje: - po odłączeniu konektorów od tylnej szyby, tylna szyba ma oporność rzędu 1,1 - 1,2 om, piszy piszczałka na mierniku, - po załączeniu ogrzewania tylnej szyby, gdy są odłączone konektory od tylnej szyby, gdy je mierze to jest na nich napięcie 12V, - sprawdzam mase, czyli konektor do tylnego silnika wycieraczki jest masa, zamek klapy jest masa, - gdy podłączam konektory do tylnej szyby, i mierze napięcie, znika, jest 0V.. i szyba nie grzeje... Macie może jakieś pomysły koledzy... co zrobić?? Mała pomoc mile widziana 
|
|
| Góra |
|
 |
|
|
|
abel |
#814259 Wysłany:
03 Lis 2016, 07:17; Temat postu: Re: Problem z ogrzewaniem tylnej szyby... |
|
 |
| Puntoświr |
Samochód: Inny Fiat
Silnik: Inny
Paliwo: Benzyna
Wersja: Emotion
Województwo: warmińsko-mazurskie [N]
Miejscowość: ełk Rejestracja: 12 Cze 2007, Posty: 574 Pomógł: 18
|
|
Jak odlaczyles konektory od ogrzewania szyby trzeba było podłączyć żarówkę 55W , i byś miał pewność czy są całe przewody . Możliwe że przewód się przełamał w przelotce miedzy buda a klapa bagażnika . Zamiast mierzyć napięcie trzeba było zmierzyć prąd który bierze " szyba "
|
|
| Góra |
|
 |
|
piotrekzz |
#814260 Wysłany:
03 Lis 2016, 08:02; Temat postu: Re: Problem z ogrzewaniem tylnej szyby... |
|
 |
| Forumowicz |
Imię: Piotr
Samochód: Grande Punto 5d
Silnik: 1.4 8V 77KM
Paliwo: Benzyna
Wersja: Estiva Blue&Me
Województwo: małopolskie [K]
Rejestracja: 02 Lis 2016, Posty: 4
|
|
Hej,
O żarówce normalnej nie pomyślałem, ale podłączyłem diodę led i świeciła - ma mniejszy pobór prądu itp, hmmm ale jak by był przewód przetarty to by moim zdaniem caly czas nie działało a nie tylko gdy przylacze do szyby... A tak sobie pomyślałem może przekaźnik od ogrzewania tylnej szyby i lusterek się uszkodzil i przy obciążeniu rozłacza... tylko który to jest?
|
|
| Góra |
|
 |
|
abel |
#814280 Wysłany:
03 Lis 2016, 14:28; Temat postu: Re: Problem z ogrzewaniem tylnej szyby... |
|
 |
| Puntoświr |
Samochód: Inny Fiat
Silnik: Inny
Paliwo: Benzyna
Wersja: Emotion
Województwo: warmińsko-mazurskie [N]
Miejscowość: ełk Rejestracja: 12 Cze 2007, Posty: 574 Pomógł: 18
|
|
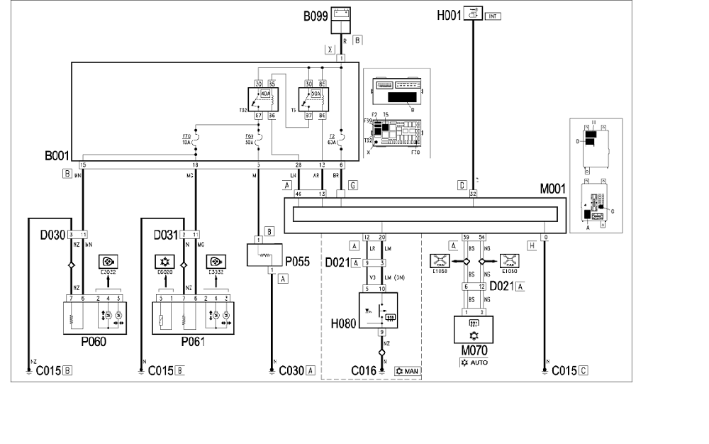
skąd pewnosc że nie grzeje ? jak podłączałes do szyby konektory to miales właczone ogrzewanie tej szyby i czy zaiskrzyło podczas podłączania . tam biegnie dośc duży prąd, bezpiecznik F69 30 A duzy obok przekaźnika T32 . jeśli przewód sie połamał i wisi na kilku cienkich włoskach to może byc mało aby tak duzy prąd popłynął
| Załączniki: |
Komentarz do pliku: schemacik
ogrzewanie tylnej szyby plus lusterka.png [ 85.86 KiB | Obejrzany 11860 razy ]
|
|
|
| Góra |
|
 |
|
Złośnik |
#814284 Wysłany:
03 Lis 2016, 17:19; Temat postu: Re: Problem z ogrzewaniem tylnej szyby... |
|
 |
| Puntoświr |
 |
Imię: Krzysztof
Samochód: Grande Punto 3d
Silnik: 1.9 130KM mJTD
Paliwo: ON
Wersja: Sport
Województwo: śląskie [S]
Rejestracja: 12 Mar 2016, Posty: 414 Pomógł: 3
|
|
Przerabiałem. Na 150% wiązka w gumowej przelotce jest trafiona. Dokłanie to dwa gruba przewody.
|
|
| Góra |
|
 |
|
piotrekzz |
#814300 Wysłany:
03 Lis 2016, 20:46; Temat postu: Re: Problem z ogrzewaniem tylnej szyby... |
|
 |
| Forumowicz |
Imię: Piotr
Samochód: Grande Punto 5d
Silnik: 1.4 8V 77KM
Paliwo: Benzyna
Wersja: Estiva Blue&Me
Województwo: małopolskie [K]
Rejestracja: 02 Lis 2016, Posty: 4
|
|
Hej,
odpowiadając koledze: abel -
podłączałem szybę gdy ogrzewanie była wyłączone, po czym ponownie je włączełm i wtedy napięcia nie było, jeśli chodzi o konektory to wyglądają na dobre, tak samo blaszki przy szybie są dobrze zamontowane.
Jeśli chodzi o bezpiecznik to mój bezpiecznik, według książki do ogrzewania tylnej szyby to numer 20, jak na załączniku, to który tutaj będzie ten przekaźnik o którym mówiłeś?
a do kolegi: Złośnik - hmm przewód? też tak miałeś? ale jak by był przetarty to by w ogóle nie działała, tak mi się wydaje... a powiedz mi ściągnąłeś tą gumową osłonę? i tutaj? czy pod plastikiem w środku?
| Załączniki: |
Bez tytułu.jpg [ 42.58 KiB | Obejrzany 11823 razy ]
|
|
|
| Góra |
|
 |
|
Złośnik |
#814323 Wysłany:
03 Lis 2016, 23:59; Temat postu: Re: Problem z ogrzewaniem tylnej szyby... |
|
 |
| Puntoświr |
 |
Imię: Krzysztof
Samochód: Grande Punto 3d
Silnik: 1.9 130KM mJTD
Paliwo: ON
Wersja: Sport
Województwo: śląskie [S]
Rejestracja: 12 Mar 2016, Posty: 414 Pomógł: 3
|
Tak, ściągałem tą gumową osłonę. Były złamane oba przewody. Ty sprawdź najpierw bezpiecznik. Jest 30A. Bezpiecznik F69  Przekaźnik T32 
Ostatnio edytowany przez Złośnik, 04 Lis 2016, 00:15, edytowano w sumie 1 raz
|
|
| Góra |
|
 |
|
piotrekzz |
#814324 Wysłany:
04 Lis 2016, 00:02; Temat postu: Re: Problem z ogrzewaniem tylnej szyby... |
|
 |
| Forumowicz |
Imię: Piotr
Samochód: Grande Punto 5d
Silnik: 1.4 8V 77KM
Paliwo: Benzyna
Wersja: Estiva Blue&Me
Województwo: małopolskie [K]
Rejestracja: 02 Lis 2016, Posty: 4
|
|
Hej,
są dwa bezpieczniki: jeden do szyby, drugi do lusterek - oba dobre, na wyrost wymieniłem ten do szyby na nowy. Jeśli chodzi o przekaźnik to nie wiem który to jest - może być zgrzany i przy dużym prądzie rozłączać szybę... może... jeśli chodzi o gumę w sobotę sprawdzę co i jak to będę wiedział, hmm ściągałeś i nową nakładałeś czy tą samą? Przecinałeś aby ściągnąć?
|
|
| Góra |
|
 |
|
Złośnik |
#814326 Wysłany:
04 Lis 2016, 00:17; Temat postu: Re: Problem z ogrzewaniem tylnej szyby... |
|
 |
| Puntoświr |
 |
Imię: Krzysztof
Samochód: Grande Punto 3d
Silnik: 1.9 130KM mJTD
Paliwo: ON
Wersja: Sport
Województwo: śląskie [S]
Rejestracja: 12 Mar 2016, Posty: 414 Pomógł: 3
|
|
Nie, tą samą. Najlepiej jak weźmiesz i psikniesz do środka wd40. Będzie lepiej ślizgać się po przewodach.
|
|
| Góra |
|
 |
|
abel |
#814352 Wysłany:
04 Lis 2016, 12:10; Temat postu: Re: Problem z ogrzewaniem tylnej szyby... |
|
 |
| Puntoświr |
Samochód: Inny Fiat
Silnik: Inny
Paliwo: Benzyna
Wersja: Emotion
Województwo: warmińsko-mazurskie [N]
Miejscowość: ełk Rejestracja: 12 Cze 2007, Posty: 574 Pomógł: 18
|
|
w moim przypadku winowajcą był ulamany twardy przewod od spryskiwania tylnej szyby
| Załączniki: |
Komentarz do pliku: tak mogą wyglądać przewody do klapy bagaznika w tzw przelotce .
20131017_084110.jpg [ 255.49 KiB | Obejrzany 11769 razy ]
|
|
|
| Góra |
|
 |
|
Złośnik |
#814357 Wysłany:
04 Lis 2016, 14:15; Temat postu: Re: Problem z ogrzewaniem tylnej szyby... |
|
 |
| Puntoświr |
 |
Imię: Krzysztof
Samochód: Grande Punto 3d
Silnik: 1.9 130KM mJTD
Paliwo: ON
Wersja: Sport
Województwo: śląskie [S]
Rejestracja: 12 Mar 2016, Posty: 414 Pomógł: 3
|
|
Gruby brązowy i gruby czarny - to jest zasilanie ogrzewania szyby.
|
|
| Góra |
|
 |
|
Strona 1 z 1
|
[ 11 posty(ów) ] |
|
|
Nie możesz zakładać nowych tematów na tym forum Nie możesz odpowiadać w tematach na tym forum Nie możesz edytować swoich postów na tym forum Nie możesz usuwać swoich postów na tym forum Nie możesz dodawać załączników na tym forum
|
|