You Tube • eLearn • FAQ •  Szukaj •  Zarejestruj się •  Zaloguj się 



Obecny czas: 13 Sty 2026, 19:53

Wszystkie czasy w strefie UTC + 1 godzina (czas letni)




Napisz nowy temat Odpowiedz  [ 6 posty(ów) ] 
Autor Wiadomość
 
 Post #833597 Wysłany: 29 Sty 2018, 15:32; 
 Temat postu: Spryskiwacze
Offline
Sympatyk kropek

Imię: Kamil
Samochód: Grande Punto 5d
Silnik: 1.4 8V 77KM
Paliwo: Benzyna
Województwo: śląskie [S]
Rejestracja: 07 Lis 2017,
Posty: 13
Dziś zauważyłem że nie działają mi spryskiwacze...
Dopiero co uporałem się z naprawą przełącznika zespolonego (urwany kabelek w przełączniku świateł) a tu taki psikus i nie słychać w ogóle pompki.
Bezpiecznik sprawdziłem i wydaje się być ok.
Boje się że to coś w przełączniku co z lekka mnie dziwi bo prawej manetki nie dotykałem. Wizja kolejnej wojny z poduszką która nie chce opuścić kierownicy mnie przeraża...
Miał ktoś podobny problem?
Może wsadzić w miejsce bezpiecznika przewody od multimetru i sprawdzić czy idzie prąd? (na co go ustawić żeby nic tam nie popalić)

[ Dodano: 29 Sty 2018, 14:32 ]

halo halo jest tu kto? :P

_________________
GP 1.4 8v
2008r.


Góra
 Profil  
 

 
 Post #833638 Wysłany: 29 Sty 2018, 15:46; 
 Temat postu: Re: Spryskiwacze
Offline
Puntoświr
Awatar użytkownika

Imię: Karol
Samochód: Grande Punto 3d
Silnik: 1.4 16V 120KM
Paliwo: Benzyna
Wersja: Sport
Województwo: pomorskie [G]
Miejscowość: Gdańsk
Rejestracja: 08 Sie 2016,
Posty: 316
Pomógł: 4
A tył działa?

[ Dodano: 29 Sty 2018, 15:39 ]

CZYLI NIE DZIAŁA BO NAPISAŁEŚ SPRYSKIWACZE :) Przepraszam nie doczytałam.

[ Dodano: 29 Sty 2018, 15:46 ]

Podczas pomiaru nic nie spalisz. Ustaw zakres pomiaru do 20V tak jak do badania ładowania i będzie ok.


Góra
 Profil  
 
 
 Post #833643 Wysłany: 29 Sty 2018, 18:33; 
 Temat postu: Re: Spryskiwacze
Offline
Puntoświr

Samochód: Inny Fiat
Silnik: Inny
Paliwo: Benzyna
Wersja: Emotion
Województwo: warmińsko-mazurskie [N]
Miejscowość: ełk
Rejestracja: 12 Cze 2007,
Posty: 574
Pomógł: 18
jezeli tak ustawisz mltimetr to go uszkodzisz .Gdy wepniesz koncowki od miernika w miejsce nozek bezpiecznika to bedziesz mierzył prad a nie napiecie . jezeli nie wyjmowałes prawej manetki i dobrze złozyłes przełacznik i prawa strona chodzi płynnie tak jak przed rozbiorką to sprawdz lepiej ten bezpiecznik F42 20A w body ma byc sprawny a nie wydawac sie ze jest ok


Góra
 Profil  
 
 
 Post #833646 Wysłany: 29 Sty 2018, 19:17; 
 Temat postu: Re: Spryskiwacze
Offline
Sympatyk kropek

Imię: Kamil
Samochód: Grande Punto 5d
Silnik: 1.4 8V 77KM
Paliwo: Benzyna
Województwo: śląskie [S]
Rejestracja: 07 Lis 2017,
Posty: 13
zamieniłem bezpiecznik F42 z F77 i dalej cisza.
F77 jest od siłowników drzwi i działaja więc bezpiecznik mogę porzucić.
Chciałbym wykluczyć manetkę przed zamówieniem nowej pompki więc da radę sprawdzić czy podaje napięcie na poziomie bezpieczników?

_________________
GP 1.4 8v
2008r.


Góra
 Profil  
 
 
 Post #833663 Wysłany: 30 Sty 2018, 00:20; 
 Temat postu: Re: Spryskiwacze
Offline
Puntoświr
Awatar użytkownika

Samochód: Punto II 3d
Silnik: 1.2 8V 60KM
Paliwo: Benzyna
Województwo: śląskie [S]
Rejestracja: 07 Sie 2017,
Posty: 158
Pomógł: 3
Nie jestem elektrykiem ale chyba wsadziłbym zamiast bezpiecznika jakąś zworke troszke większą tak aby móc przyłożyć plusową sondę z miernika i ujemną do karoserii jako mase i wówczas miernik powinien pokazać czy jest jakieś napięcie i wówczas chyba się nie spali prawda ?

_________________
Image


Góra
 Profil  
 
 
 Post #833668 Wysłany: 30 Sty 2018, 11:19; 
 Temat postu: Re: Spryskiwacze
Offline
Puntoświr

Samochód: Inny Fiat
Silnik: Inny
Paliwo: Benzyna
Wersja: Emotion
Województwo: warmińsko-mazurskie [N]
Miejscowość: ełk
Rejestracja: 12 Cze 2007,
Posty: 574
Pomógł: 18
sterowanie silnikiem od pompki spryskiwacza jest koodyfikowane opornosciowo na body . czyli z manetki ma popłynąc przy danym napieciu okreslony prąd aby body załaczył pompe spryskiwacza .
jezeli chcesz wykluczyc pompke to zdejmnij z niej wtyczke i sprawdz czy dochodzi do niej napiecie gdy jest uruchamiany spryskiwacz jezeli tak to nastepnie sprawdz samą pompke podajac na styki gniazdka pompki 12v.


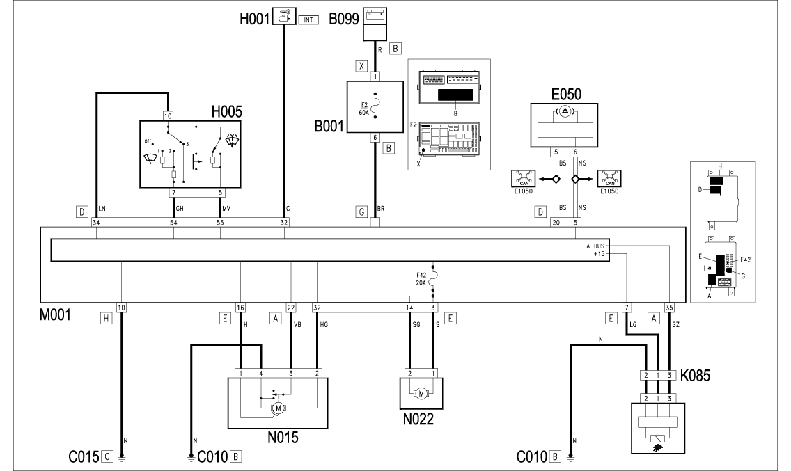
Załączniki:
Komentarz do pliku: na przyklad sterowanie szyby przedniej

Góra
 Profil  
 
Wyświetl posty z poprzednich:  Sortuj według  
Napisz nowy temat Odpowiedz  [ 6 posty(ów) ] 


Wszystkie czasy w strefie UTC + 1 godzina (czas letni)


Nie możesz zakładać nowych tematów na tym forum
Nie możesz odpowiadać w tematach na tym forum
Nie możesz edytować swoich postów na tym forum
Nie możesz usuwać swoich postów na tym forum
Nie możesz dodawać załączników na tym forum

Szukaj:
Skocz do:  
Powered by phpBB © 2000 - 2025 phpBB Group
Style based on FI Subsilver by phpBBservice.nl
Forum Fiata Punto © 2006 - 2025
Tłumaczenie: phpbbhelp.pl
phpBB SEO