You Tube • eLearn • FAQ •  Szukaj •  Zarejestruj się •  Zaloguj się 



Obecny czas: 27 Sty 2026, 20:31

Wszystkie czasy w strefie UTC + 1 godzina (czas letni)




Napisz nowy temat Odpowiedz  [ 2 posty(ów) ] 
Autor Wiadomość
 
 Post #827316 Wysłany: 22 Sie 2017, 10:18; 
 Temat postu: Nie działa ładowarka/ zapalniczka - Grande Punto 1.4
Offline
Sympatyk kropek

Imię: Adrian
Samochód: Grande Punto 3d
Silnik: 1.4 8V 77KM
Paliwo: Benzyna + LPG
Województwo: pomorskie [G]
Rejestracja: 15 Kwi 2016,
Posty: 9
Dzień dobry,
od pewnego czasu nie działa mi zapalniczka samochodowa w moim GP, zastanawiam się od czego rozpocząć diagnozę.
Jakieś bezpieczniki? Znalazłem w jakiś starych tematach, że to raczej nie jest kwestia bezpiecznika aczkolwiek nie znalazłem tematu który by całkowicie rozwiewał ten problem.
Dlatego też zakładam nowy.
Proszę o wsparcie. :)


Góra
 Profil  
 

 
 Post #827323 Wysłany: 22 Sie 2017, 10:51; 
 Temat postu: Re: Nie działa ładowarka/ zapalniczka - Grande Punto 1.4
Offline
Puntoświr

Samochód: Inny Fiat
Silnik: Inny
Paliwo: Benzyna
Wersja: Emotion
Województwo: warmińsko-mazurskie [N]
Miejscowość: ełk
Rejestracja: 12 Cze 2007,
Posty: 574
Pomógł: 18
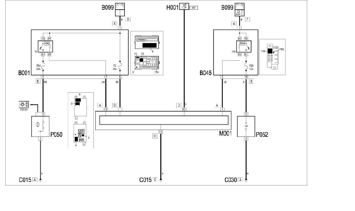
bezpiecznik F54 20A


Załączniki:
Komentarz do pliku: prosze schemacik

Góra
 Profil  
 
Wyświetl posty z poprzednich:  Sortuj według  
Napisz nowy temat Odpowiedz  [ 2 posty(ów) ] 


Wszystkie czasy w strefie UTC + 1 godzina (czas letni)


Nie możesz zakładać nowych tematów na tym forum
Nie możesz odpowiadać w tematach na tym forum
Nie możesz edytować swoich postów na tym forum
Nie możesz usuwać swoich postów na tym forum
Nie możesz dodawać załączników na tym forum

Szukaj:
Skocz do:  
Powered by phpBB © 2000 - 2025 phpBB Group
Style based on FI Subsilver by phpBBservice.nl
Forum Fiata Punto © 2006 - 2025
Tłumaczenie: phpbbhelp.pl
phpBB SEO