|
Obecny czas: 27 Sty 2026, 19:12
|
Zobacz posty bez odpowiedzi | Zobacz aktywne tematy
|
Strona 1 z 1
|
[ 10 posty(ów) ] |
|
| Autor |
Wiadomość |
|
GrandeNerro |
#821136 Wysłany:
22 Mar 2017, 07:06; Temat postu: centralny zamek - awaria |
|
 |
| Forumowicz |
Imię: Rafał
Samochód: Grande Punto 5d
Silnik: 1.4 8V 77KM
Paliwo: Benzyna
Wersja: Active
Województwo: małopolskie [K]
Rejestracja: 12 Lip 2016, Posty: 3
|
|
Witam! Mam problem z otwarciem auta z centralnego zamku. Kierunkowskazy migają taka jak ma byc,tyle razy przy otwarciu i zamknięciu drzwi ale drzwi się nie otwierają.Bagażnika też nie da sie otworzyć a sygnalizacja kierunkowskazami jest. Wymieniłem nowe baterie w kluczyku i jest ten sam problem.
Może ktoś miał podobny przypadek?Co to może być za usterka? Proszę o ewentualną pomoc.
|
|
| Góra |
|
 |
|
|
|
Marass |
#821447 Wysłany:
31 Mar 2017, 11:03; Temat postu: Re: centralny zamek - awaria |
|
 |
| Sympatyk kropek |
Imię: Maras
Samochód: Punto II 3d
Silnik: 1.2 8V 60KM
Paliwo: Benzyna
Województwo: małopolskie [K]
Rejestracja: 06 Paź 2016, Posty: 10 Pomógł: 1
|
Czyli problem leży po stronie sterownika samego zamka i tam może być przerwa w dostawie prądu skoro kierunki reagują. Możliwe że styki wymagają czyszczenia. Od tego bym zaczął. Autor postu otrzymał pochwałę
|
|
| Góra |
|
 |
|
abel |
#821459 Wysłany:
31 Mar 2017, 16:04; Temat postu: Re: centralny zamek - awaria |
|
 |
| Puntoświr |
Samochód: Inny Fiat
Silnik: Inny
Paliwo: Benzyna
Wersja: Emotion
Województwo: warmińsko-mazurskie [N]
Miejscowość: ełk Rejestracja: 12 Cze 2007, Posty: 574 Pomógł: 18
|
czy jak otwierasz drzwi po stronie kierowcy za pomocą kluczyka to pozostałe drzwi tez sie otworzą i czy za pomocą przycisku na kokpicie mozesz otworzyc klape bagaznika ? Autor postu otrzymał pochwałę
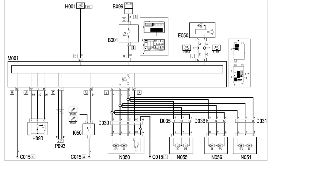
| Załączniki: |
Komentarz do pliku: sprawdz bezpiecznik F77 na body comp
centralny zamek.png [ 97.53 KiB | Obejrzany 9223 razy ]
|
|
|
| Góra |
|
 |
|
GrandeNerro |
#821565 Wysłany:
03 Kwi 2017, 20:35; Temat postu: Re: centralny zamek - awaria |
|
 |
| Forumowicz |
Imię: Rafał
Samochód: Grande Punto 5d
Silnik: 1.4 8V 77KM
Paliwo: Benzyna
Wersja: Active
Województwo: małopolskie [K]
Rejestracja: 12 Lip 2016, Posty: 3
|
|
czy jak otwierasz drzwi po stronie kierowcy za pomocą kluczyka to pozostałe drzwi tez sie otworzą i czy za pomocą przycisku na kokpicie mozesz otworzyc klape bagaznika ?
Tylko otwierają się drzwi gdzie wsadzę kluczyk.Tak samo od pasażera.Tylnie drzwi wogóle.Gdy otworzę kluczykiem,przycisk od bagażnika nie działa. Dopiero gdy włożę kluczyk do stacyjki i przekręcę na pozycje MAR wtedy mogę otworzyć.Otwierać,zamykać także się da przyciskiem z wnętrza na kokpicie. Nieraz jest tak ze zamykanie i otwieranie z pliota dziala.Rowniez otwieranie klapy bagaznika z pilota dziala. Jest tez cos takiego np. Zamkne normalnie z pilota,ide za jakis czas i juz nie otworze z pilota.
[ Dodano: 03 Kwi 2017, 20:35 ]
Czyli problem leży po stronie sterownika samego zamka i tam może być przerwa w dostawie prądu skoro kierunki reagują. Możliwe że styki wymagają czyszczenia. Od tego bym zaczął.
DZIĘKI WIELKIE za sugestie. Mam trochę wolnego czasu przed robota w tym tygodniu to się spróbuję z tym pobawić.
Dzieje się tez coś takiego jak odpowiedziałem koledze Abel który tez zabrał głos w tym temacie.
|
|
| Góra |
|
 |
|
Prochu |
#838104 Wysłany:
25 Maj 2018, 19:32; Temat postu: Re: centralny zamek - awaria |
|
 |
| Forumowicz |
Imię: Adam
Samochód: Grande Punto 5d
Silnik: 1.4 16V 120KM
Paliwo: Benzyna
Wersja: Sport
Województwo: łódzkie [E]
Rejestracja: 25 Maj 2018, Posty: 1
|
Witam. Podczepię się pod temat, aby nie robić zbędnie kolejnego wątku. Zakupiłem żonie jej pierwszy samochód i padło na Grande Punto 5d. Problem został zdiagnozowany dopiero po paru dniach od zakupu auta i jest to zamek kierowcy. Problem leży typowo po stronie zamka drzwi kierowcy. Po zamknięciu drzwi z pilota zamykają się drzwi co słychać przez dźwięk ryglowania, jednak co się okazało, po pociągnięciu klamki od drzwi kierowcy one się otwierają.... i rozryglowują resztę drzwi. Jedyna opcja na dzień dzisiejszy to zamykanie auta z klucza zamkiem w klamce. Chciałbym to oczywiście naprawić i teraz pytanie czy kupić jakiś używany zamek, nowy zamek, może mam go wyjąć i coś tam się odłączyło? Nie wiem a nie lubię w ciemno szukać bez zebrania jakiś podstawowych informacji. Może miał ktoś podobny problem? Doradźcie coś 
|
|
| Góra |
|
 |
|
piotrek0212 |
#847359 Wysłany:
23 Kwi 2019, 11:44; Temat postu: Re: centralny zamek - awaria |
|
 |
| Forumowicz |
Imię: Piotr
Samochód: Punto Evo 5d
Silnik: 1.2 8V 69KM
Paliwo: Benzyna
Wersja: Estiva Blue&Me
Województwo: mazowieckie [W]
Rejestracja: 23 Kwi 2019, Posty: 1
|
Prochu napisał(a): Witam. Podczepię się pod temat, aby nie robić zbędnie kolejnego wątku. Zakupiłem żonie jej pierwszy samochód i padło na Grande Punto 5d. Problem został zdiagnozowany dopiero po paru dniach od zakupu auta i jest to zamek kierowcy. Problem leży typowo po stronie zamka drzwi kierowcy. Po zamknięciu drzwi z pilota zamykają się drzwi co słychać przez dźwięk ryglowania, jednak co się okazało, po pociągnięciu klamki od drzwi kierowcy one się otwierają.... i rozryglowują resztę drzwi. Jedyna opcja na dzień dzisiejszy to zamykanie auta z klucza zamkiem w klamce. Chciałbym to oczywiście naprawić i teraz pytanie czy kupić jakiś używany zamek, nowy zamek, może mam go wyjąć i coś tam się odłączyło? Nie wiem a nie lubię w ciemno szukać bez zebrania jakiś podstawowych informacji. Może miał ktoś podobny problem? Doradźcie coś  Cześć @Prochu chciałem się zapytać czy jakoś rozwiązałeś ten problem? Ostatnio i mnie przytrafiło się coś podobnego. Gdy zamykam samochód z pilota, słychać we wszystkich drzwiach jak zamyka się rygiel. Gdy nieraz pociągnę za klamkę kierowcy (od zewnątrz), wszystkie drzwi się automatycznie otwierają. Początkowo myślałem, że problem dotyczy przeplotki miedzy drzwiami, a budą auta. Po sprawdzeniu kable wyglądają jednak na całe i nie przetarte.
|
|
| Góra |
|
 |
|
Taisho |
#850125 Wysłany:
07 Paź 2019, 16:08; Temat postu: Re: centralny zamek - awaria |
|
 |
| Puntoświr |
 |
Imię: Marcin
Samochód: Grande Punto 5d
Silnik: 1.4 8V 77KM
Paliwo: Benzyna
Wersja: Dynamic
Województwo: małopolskie [K]
Miejscowość: Las Rejestracja: 12 Lis 2009, Posty: 316 Pomógł: 2
|
|
Witam. Mam też z tym problem. Ale u mnie zerwane kable dwa miedzy drzwiami a kostka do kabiny. Trzeba zalutowac , ale za krótkie kable i wyciągnąć się ich też nie da. Jakie muszę kable dosztukowac i przedłużyć istniejące? Nie znam się na elektryce dlatego pytam jakie to kabelki muszę kupić i przedłużyć aby zalutowac do kabli wystających z kostki ?
_________________ FIAT GRANDE PUNTO 1,4 8V DYNAMIC CZERWONY SKA
topic19004.html
|
|
| Góra |
|
 |
|
kris84 |
#850204 Wysłany:
12 Paź 2019, 23:59; Temat postu: Re: centralny zamek - awaria |
|
 |
| Puntoświr |
Imię: Krzych
Samochód: Grande Punto 3d
Silnik: 1.3 90KM mJTD
Paliwo: ON
Wersja: Sporting
Województwo: śląskie [S]
Miejscowość: Tarnowskie Góry Rejestracja: 06 Lut 2012, Posty: 814 Pomógł: 11
|
|
Zwykłe miedziane przewody elektryczne 0,75mm2 lub 0,50mm2, dokup też porządne koszulki termokurczliwe z klejem i porządnie po lutowaniu to zaizoluj.
|
|
| Góra |
|
 |
|
Rzari |
#855573 Wysłany:
11 Mar 2021, 21:22; Temat postu: Re: centralny zamek - awaria |
|
 |
| Forumowicz |
Imię: Mariusz
Samochód: Punto II FL 3d
Silnik: 1.3 75KM mJTD
Paliwo: ON
Wersja: Van
Województwo: dolnośląskie [D]
Rejestracja: 11 Mar 2021, Posty: 1
|
|
Cześć, żeby nie zakładać nowego tematu postanowiłem ten odświeżyć. Miałem słaba baterie w pilicie i musiałem bardzo blisko auta podejść aby otworzyc/zamknąć auto. Wymieniłem baterie i nagle mam problem z centralnym zamkiem, mianowicie kierunki migają po naciśnięciu przycisku ale w dziwny sposób, raz dłużej następnie dwa razy normalnie a centralny zamek umarł. Jakaś podpowiedź czy te piloty trzeba jakoś kodować ponownie? Ciężko co kolwiek znaleźć i jedyne rady to albo aso albo inny centralny załóż z tego co czytałem. Edit: Jest to Punto 2 z 2008 roku
|
|
| Góra |
|
 |
|
fleszer |
#855595 Wysłany:
15 Mar 2021, 14:20; Temat postu: Re: centralny zamek - awaria |
|
 |
| Forumowicz |
Imię: Marcin
Samochód: Grande Punto 5d
Silnik: 1.4 8V 77KM
Paliwo: Benzyna + LPG
Wersja: Van
Województwo: pomorskie [G]
Rejestracja: 15 Mar 2021, Posty: 2
|
|
trzeba go prawdopodobnie zaprogramować ponownie
|
|
| Góra |
|
 |
|
Strona 1 z 1
|
[ 10 posty(ów) ] |
|
|
Nie możesz zakładać nowych tematów na tym forum Nie możesz odpowiadać w tematach na tym forum Nie możesz edytować swoich postów na tym forum Nie możesz usuwać swoich postów na tym forum Nie możesz dodawać załączników na tym forum
|
|