|
Obecny czas: 12 Sty 2026, 15:43
|
Zobacz posty bez odpowiedzi | Zobacz aktywne tematy
| Autor |
Wiadomość |
|
tomangelo |
#861221 Wysłany:
23 Lis 2023, 18:53; Temat postu: Re: Wszystko o klimatyzacji w GP cz.1 |
|
 |
| Puntomaniak |
Samochód: Punto II FL 3d
Silnik: 1.2 8V 60KM
Paliwo: Benzyna
Województwo: łódzkie [E]
Rejestracja: 07 Maj 2020, Posty: 82 Pomógł: 6
|
|
Albo to mit powstały w oparciu o to, że większość lodówek/zamrażarek dziś nie działa poniżej +4 stopni, albo faktycznie jest takie ograniczenie, ale w układach z tym nowym środkiem. Na starym R134a jeszcze nie słyszałem by klima miała nie działać poniżej jakiejś temperatury.
|
|
| Góra |
|
 |
|
|
|
pmxoo7pI |
#861222 Wysłany:
23 Lis 2023, 19:00; Temat postu: Re: Wszystko o klimatyzacji w GP cz.1 |
|
 |
| Puntoświr |
 |
Samochód: Grande Punto 5d
Silnik: 1.4 8V 77KM
Paliwo: Benzyna + LPG
Wersja: Dynamic
Województwo: dolnośląskie [D]
Rejestracja: 21 Lut 2023, Posty: 871 Pomógł: 17
|
|
Z tego co wiem, to całe auto ma tylko 2 czujniki temperatury: powietrza (kolektor) i na termostacie. Trzeci ewentualnie w lusterku, ale on podobno służy tylko jako ciekawostka dla kierowcy (informacja nie jest dalej przetwarzana i żadne funkcje samochodu nie zależą od niej). Klimę manualną można chyba mieć bez czujnika w lusterku, fabrycznie? Czy klima = czujnik? Więc skąd samochód wie jaka jest temperatura zewnętrzna? W trakcie jazdy pewnie może być powietrze zasysane zimne, ale co, działanie klimy będzie zależne od prędkości pojazdu i MAP sensora (dwufunkcyjny jak ktoś z czytających jeszcze nie wie)? Ewentualnie może kompresor ma jakiś bimetal wewnątrz (czy termostat, podobny jak ten od płynu), że faktycznie coś odcina? Klimę manualną obsługuje ECU na podstawie czujnika ciśnienia i tyle, cały obwód. Jak wyżej. To może być klasyczna bajka internetowa. Takie bzdety wypisują ludzie, co nic nie robią osobiście, ale potrafią jak baby plotkować na kilkanaście stron o wymianie oleju (jaki, jaka procedura, jak często).
_________________
Mini-poradnik PDF dla nowych posiadaczy Fiatów, typowe wady modelu Grande/EVO.
|
|
| Góra |
|
 |
|
żeliwny |
#861564 Wysłany:
21 Sty 2024, 17:38; Temat postu: Re: Wszystko o klimatyzacji w GP cz.1 |
|
 |
| Puntoświr |
Samochód: Grande Punto 5d
Silnik: 1.4 8V 77KM
Paliwo: Benzyna
Województwo: małopolskie [K]
Rejestracja: 13 Gru 2016, Posty: 205
|
No ale bajką nie jest, że nawet kupując pełną wersję MES nie da się sprawdzić ciśnienia czynnika w 1,4 8V. W innych nie wiem, może się da... A przecież ECU (czy tam BSM) MUSI WIEDZIEĆ jakie jest P w instalacji, żeby uruchomić zawór. No chyba, że jest mu wszystko jedno. 
|
|
| Góra |
|
 |
|
pmxoo7pI |
#861566 Wysłany:
21 Sty 2024, 18:14; Temat postu: Re: Wszystko o klimatyzacji w GP cz.1 |
|
 |
| Puntoświr |
 |
Samochód: Grande Punto 5d
Silnik: 1.4 8V 77KM
Paliwo: Benzyna + LPG
Wersja: Dynamic
Województwo: dolnośląskie [D]
Rejestracja: 21 Lut 2023, Posty: 871 Pomógł: 17
|
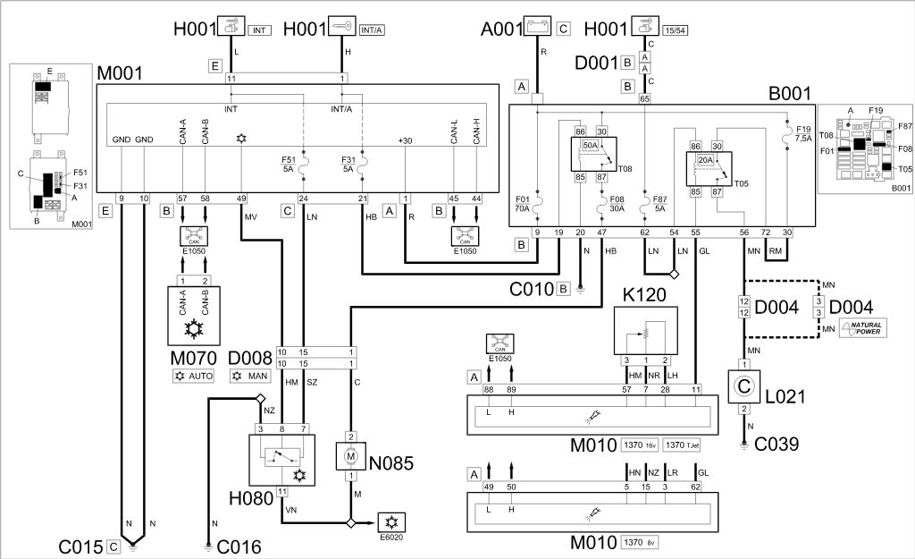
Pytanie czysto programistyczne, co ECU robi z tym sygnałem. Teoretycznie tam jest (klima manualna) przetwornik ciśnienia, czyli mierzyć wartość może. Ale może to być traktowane tylko jako próg minimalny do uruchomienia. Stąd po OBD2 nie ma wartości (ta wersja klimy + model samochodu + ECU nie przewidują, "nie, bo nie"). Może moc obliczeniowa mikrokontrolera (i przetworniki analogowo-cyfrowe) jest używana na konkrety (proces spalania), a nie bzdety. K120: https://4cardata.info/elearn/199/2/199000000/199000001/199000000/199001446Albo jest to celowo pominięte dla amatorów/hobbystów. Coś musieli zostawić przecież dla zawodowców i ASO. Dlatego FES/MES ma mniejsze możliwości niż np. Examiner. Ten może np. programować ECU bez rozwalania obudowy i lutowania czegokolwiek wewnątrz. Examinerem można by kraść samochody.
_________________
Mini-poradnik PDF dla nowych posiadaczy Fiatów, typowe wady modelu Grande/EVO.
Ostatnio edytowany przez pmxoo7pI, 21 Sty 2024, 18:26, edytowano w sumie 1 raz
|
|
| Góra |
|
 |
|
żeliwny |
#861568 Wysłany:
21 Sty 2024, 18:26; Temat postu: Re: Wszystko o klimatyzacji w GP cz.1 |
|
 |
| Puntoświr |
Samochód: Grande Punto 5d
Silnik: 1.4 8V 77KM
Paliwo: Benzyna
Województwo: małopolskie [K]
Rejestracja: 13 Gru 2016, Posty: 205
|
pmxoo7pI napisał(a): Teoretycznie tam jest (klima manualna) przetwornik ciśnienia, czyli mierzyć wartość może. Ale może to być traktowane tylko jako próg minimalny do uruchomienia. Mogliby chociaż wrzucić na deskę jakaś kontrolkę, która mrugałaby do kierowcy, że ciśnienie czynnika spadło poniżej progu przyzwoitości. No ale po co, niech się kierowca całe lato zastanawia, czy padła sprężarka, czy może przewód się rozszczelnił albo przerdzewiała chłodnica, a może czynnik ukradli nocą na parkingu. 
|
|
| Góra |
|
 |
|
pmxoo7pI |
#861569 Wysłany:
21 Sty 2024, 18:29; Temat postu: Re: Wszystko o klimatyzacji w GP cz.1 |
|
 |
| Puntoświr |
 |
Samochód: Grande Punto 5d
Silnik: 1.4 8V 77KM
Paliwo: Benzyna + LPG
Wersja: Dynamic
Województwo: dolnośląskie [D]
Rejestracja: 21 Lut 2023, Posty: 871 Pomógł: 17
|
|
| Góra |
|
 |
|
żeliwny |
#861570 Wysłany:
21 Sty 2024, 19:09; Temat postu: Re: Wszystko o klimatyzacji w GP cz.1 |
|
 |
| Puntoświr |
Samochód: Grande Punto 5d
Silnik: 1.4 8V 77KM
Paliwo: Benzyna
Województwo: małopolskie [K]
Rejestracja: 13 Gru 2016, Posty: 205
|
Wykonanie byłoby banalne, gdyby czujnik P czynnika działał w trybie 0-1, czyli ON albo OFF. Wtedy wystarczy dioda LED, rezystor, ładna oprawka diody na desce, kilka metrów przewodu OMY, lutownica i wiertarka. Ale nie wiem, czy ten czujnik działa ON-OFF, czy liniowo 
|
|
| Góra |
|
 |
|
ipIV |
#861573 Wysłany:
21 Sty 2024, 22:22; Temat postu: Re: Wszystko o klimatyzacji w GP cz.1 |
|
 |
| Admin ds. technicznych forum. |
 |
Imię: Michał
Samochód: Punto II 3d
Silnik: 1.8 16V 130KM
Paliwo: Benzyna
Wersja: HGT
Województwo: śląskie [S]
Miejscowość: SL/SK/SZ/SZA Rejestracja: 21 Cze 2006, Posty: 13086 Pomógł: 54
|
pmxoo7pI napisał(a): Trzeci ewentualnie w lusterku, ale on podobno służy tylko jako ciekawostka dla kierowcy Jak się zepsuje i odczyt to np. -40, to klimatyzacja automatyczna nastawiona LO grzeje na maxa  Także klima automatyczna z niego korzysta. To miałem okazję zaobserwować, ale nie pamiętam w czym.... czy to był fiat, opel czy ford.
_________________ Focus 1.0 Ecoboost 92kW & Punto Evo 1,4 16V MA 99kW@138kW & Punto II HGT Abarth 1,8 16V 96kW & Fiesta VII FL 1,0 12V Ecoboost 74kW Inne pod moją opieką: Tipo 1,4 16V 70kW Były: Punto II 5d 1,8 16V 96kW & Punto II 1,2 8V 44kW & Fiesta V 1,25 55kW
<- Ford Focus mk4 FL Trend 1,0 Ecoboost 2022 r. 
<- Fiat Punto II HGT 1,8 16V 2001 r.
<- Ford Fiesta VII FL 1,0 Ecoboost 2017 r.
<- Fiat Tipo 1,4 16V 2017 r.
<- Fiat Punto II 5d 1,8 16V 2002 r.
<- Fiat Punto Evo 1,4 MA Turbo 2010 r.
<- Ford Fiesta V 1,2 16V 2001 r.
<- Fiat Punto II 1,2 8V 2002 r. AM, B, BE, C, CE, T
|
|
| Góra |
|
 |
|
pmxoo7pI |
#863691 Wysłany:
04 Paź 2025, 15:37; Temat postu: Re: Wszystko o klimatyzacji w GP cz.1 |
|
 |
| Puntoświr |
 |
Samochód: Grande Punto 5d
Silnik: 1.4 8V 77KM
Paliwo: Benzyna + LPG
Wersja: Dynamic
Województwo: dolnośląskie [D]
Rejestracja: 21 Lut 2023, Posty: 871 Pomógł: 17
|
Odnośnie "czujnika" ( przetwornika) ciśnienia, to uważać na eLearn np. przy wymianie uszkodzonej wtyczki. Póki klima działa (i/lub wtyk się całkiem nie rozpadł), to sprawdzamy gdzie co jest na pinach (plus, masa, sygnał). Bo jest namieszane... Opis działania (błąd): https://aftersales.fiat.com/elearnsections/main.aspx?nodeID=199000630&languageID=2&markID=1&modelID=199000000&valID=199000001&prodID=199000000&modelName=Fiat%20-%20199%20-%20Grande%20Punto&langDesc=English§ionName=Descrizioni&validityName=1.4%208v&isExaminer=Załącznik:
To_CHYBA_jest_NIEprawidlowe.jpg [ 139.06 KiB | Obejrzany 1489 razy ]
Rozmieszczenie pinów we wtyczce inne (TEŻ ŹLE): https://aftersales.fiat.com/elearnsections/main.aspx?nodeID=199009130&languageID=2&markID=1&modelID=199000000&valID=199000001&prodID=199000000&modelName=Fiat%20-%20199%20-%20Grande%20Punto&langDesc=English§ionName=Impianto%20Elettrico&validityName=1.4%208v&isExaminer=Załącznik:
TO_chyba_jest_OK.png [ 51.46 KiB | Obejrzany 1489 razy ]
Czyli pomieszali wszystko. Ale raczej opcja druga (z opisu wtyczki) jest bliższa prawdy (EDIT: też źle). Wtyczkę wymieniałem, ale nie pamiętam jak (a klima wstaje). Schemat jakby co (różne roczniki mają inne kolory żył, poza tym powinno być tak samo). Do przetwornika ciężko znaleźć dane, kartę katalogową ( datasheet). https://aftersales.fiat.com/elearnsections/main.aspx?nodeID=199008588&languageID=2&markID=1&modelID=199000000&valID=199000001&prodID=199000000&modelName=Fiat%20-%20199%20-%20Grande%20Punto&langDesc=English§ionName=Impianto%20Elettrico&validityName=1.4%208vZałącznik:
Uruchomienie_klimy_od_10-2008_r.jpg [ 77.49 KiB | Obejrzany 1489 razy ]
Uważać, bo możecie mieć "naprawiane" wiązki innymi kolorami żył (a łączenie będzie np. w podszybiu, albo bliżej ECU). Załącznik:
Wiring_Color_Code_eLearn.jpg [ 190.26 KiB | Obejrzany 1489 razy ]
Pod "czujnikiem" powinien być zaworek (jak wentylek w kołach, możliwe, że nawet taki sam, gwint 5,1-5,2 mm - NIE mylić z M5!), więc teoretycznie czujnik jest do wymiany na napełnionym układzie, dużo czynnika nie ucieknie (chyba). ============================== [ Dodano: 15 Wrz 2025, 14:27 ]========================= Wskazanie przetwornika jest, ale w AlfaOBD pod Windows (Android też). Autor FES/MES poleciał w ciula i nie dał podglądu w Grande (a np. w Punto 2 jest). Załącznik:
Grande_cisnienie_klimy_tylko_w_AlfaOBD_Windows.jpg [ 119.47 KiB | Obejrzany 721 razy ]
O ile to prawda. Trzeba zweryfikować manometrem. A ten wykres to zdechła klima, już mi nie chłodzi. Czynnika ubyło i tylko oscyluje 7-14 bar. Załącznik:
LinearPressureSwitch_AlfaOBD_Windows.jpg [ 109.93 KiB | Obejrzany 721 razy ]
-------------------------------------------------------------------------------------------------------------Oba obrazki z eLearn są źle. Opis działania klimy (czujnik/przetwornik) oraz opis wtyczki. Załącznik:
00a_eLearn_bledny_opis_czujnika.jpg [ 141.09 KiB | Obejrzany 673 razy ]
Załącznik:
00b_eLearn_bledny_opis_wtyczki.jpg [ 128.5 KiB | Obejrzany 673 razy ]
Prawidłowe rozmieszczenie pinów. Oba typy czujników (bo są minimum dwa popularne "do Fiatów Punto") działają tak samo. Pomylenie nie powinno spalić czujnika (sprawdzałem), tylko będą bzdurne wskazania i brak reakcji na ciśnienie. Będzie ciągle 4,5V albo 1,2V "na wyjściu". Załącznik:
01_Prawidlowy_PinOut.jpg [ 85.48 KiB | Obejrzany 673 razy ]
Czujnik można dokupić...po wyglądzie (i "z Fiata", "do Fiata"). Może być też np. z Opla (GM 9131721), działają tak samo. Załącznik:
02_dwa_typy_Zoom.jpg [ 170.25 KiB | Obejrzany 673 razy ]
Załącznik:
03_dwa_typy_czujnikow.jpg [ 207.99 KiB | Obejrzany 673 razy ]
Adaptery samoróbki, w handlu raczej takich nie ma (nie znalazłem). Na upartego szło by to wyciosać ze śruby M10x1,25. Załącznik:
04_adaptery_customowe.jpg [ 122.87 KiB | Obejrzany 673 razy ]
Oscyloskop zabawka totalna (NIE polecam), ale przenośny, tylko to go ratuje (może uzasadnić zakup). Załącznik:
05_oscyloskop.jpg [ 111.52 KiB | Obejrzany 673 razy ]
Test od 0 do 7 bar. Czujniki startują z różnych poziomów (być może to będzie różnica 1 bara), ale dalej idą praktycznie równo. Załącznik:
06_test_0-7_bar.jpg [ 95.36 KiB | Obejrzany 673 razy ]
Działanie klimy NIE polega na precyzji pomiarów, tylko chodzi o progi (uruchomienie i dalej który bieg wentylatora włączyć). Załącznik:
07_test_0-7_bar_Zoom.jpg [ 105.79 KiB | Obejrzany 673 razy ]
Odłączenie czujnika robi taki błąd (treść błędu głupia, że "ciśnienie wysokie", za to objaśnienie ma sens, zwarcie sygnału lub przerwa). Załącznik:
08_Przetwornik_odlaczony.png [ 122.61 KiB | Obejrzany 673 razy ]
Test z kompresorka 7 bar oraz odłączenie jednego z typów przetworników (ten z mniejszą "gruchą", 51768498), AlfaOBD. Załącznik:
09_test_7bar_zoom.jpg [ 98.07 KiB | Obejrzany 673 razy ]
Przez Windows to samo (7 bar, czyli wskazanie jako "8"). Załącznik:
10_Test_7bar_czyli_8.png [ 31.94 KiB | Obejrzany 673 razy ]
Ale co tam w zdychającej klimie słychać? Słabo, czynnik jeszcze bardziej ucieka... Załącznik:
11_gaz_ucieka_dalej_5_bar.jpg [ 48.55 KiB | Obejrzany 673 razy ]
No ale czy to prawda, co na to prawdziwy manometr (na złączu "H")? Prawda, wskazania się zgadzają (z różnicą 1 bar). Załącznik:
12_Faktycznie_tyle_jest_(minus_1_bar).jpg [ 146.35 KiB | Obejrzany 673 razy ]
Dla majsterkowiczów obrazek, wymiary złącza (w celu dorobienia adaptera). Liczy się gwint i otworek wewnętrzny (aby zmieścił dzyndzel wystający z wnętrza czujnika) i tyle. Rowek na o-ring można sobie darować i złożyć to np. na klej do gwintów. Załącznik:
13_Sensor_side_nipple_sketch.jpg [ 79.49 KiB | Obejrzany 673 razy ]
_________________
Mini-poradnik PDF dla nowych posiadaczy Fiatów, typowe wady modelu Grande/EVO.
|
|
| Góra |
|
 |
|
Nie możesz zakładać nowych tematów na tym forum Nie możesz odpowiadać w tematach na tym forum Nie możesz edytować swoich postów na tym forum Nie możesz usuwać swoich postów na tym forum Nie możesz dodawać załączników na tym forum
|
|