|
Obecny czas: 12 Sty 2026, 04:05
|
Zobacz posty bez odpowiedzi | Zobacz aktywne tematy
|
Strona 1 z 1
|
[ 17 posty(ów) ] |
|
| Autor |
Wiadomość |
|
fizzmann |
#845644 Wysłany:
30 Sty 2019, 14:11; Temat postu: Instalacja przeciwmgielnych przednich. |
|
 |
| Sympatyk kropek |
Imię: Łukasz
Samochód: Punto 2012
Silnik: 1.4 8V 77KM
Paliwo: Benzyna
Wersja: Lounge
Województwo: dolnośląskie [D]
Rejestracja: 27 Lis 2018, Posty: 9
|
|
Witam,
Czytałem kilka tematów na ten temat, ale nic konkretnie nie ma do Punto my2012.
Potrzebuje opisu skrzynki przekaźników w komorze silnika nie mogę nigdzie znaleźć pasującego do mojej.
Obecnie mam fabryczny przycisk, wszystkie piny były w wiązce do BC. Aktywowałem Przeciwmgielne w MESie, i teraz ładnie zapala mi się kontrolka na desce.
Problem jest od strony silnika, w skrzynce brakuje F30 i przekaźnika T14 oraz pinów w tych gniazdkach, nie znalazłem tez wiązki do halogenów.
zamówiłem na allegro taką skrzynkę z wszystkimi przekaźnikami także na spokojnie sobie przerobie, kable do halo tez kupiłem w zestawie.
Pozdrawiam.
| Załączniki: |
20190129_173755.jpg [ 58.96 KiB | Obejrzany 24360 razy ]
|
20190125_122541.jpg [ 111.11 KiB | Obejrzany 24360 razy ]
|
|
|
| Góra |
|
 |
|
|
|
KUBAS_95 |
#845670 Wysłany:
31 Sty 2019, 17:59; Temat postu: Re: Instalacja przeciwmgielnych przednich. |
|
 |
| Mr.Cleaner |
 |
Imię: Kuba
Samochód: Inny
Silnik: Inny
Paliwo: Benzyna
Województwo: łódzkie [E]
Miejscowość: Rawa Mazowiecka Rejestracja: 14 Paź 2015, Posty: 1092 Pomógł: 1
|
|
poszukaj na włoskim forum Punto Evo/Punto MY2012. Swojego czasu znalazłem tam kilka cennych informacji nie tylko co do halogenów ale i tempomatu.
_________________ Było: Seicento MY2004 Acutal Blue Cocktail 1.1 54KM Punto MY2012 2014 Easy Grigio Intellettuale 1.2 69KM http://fiatpunto.com.pl/topic53327.html Grande Punto 2007 Dynamic Grigio Pessimo Umore 1.4 77KM http://fiatpunto.com.pl/topic61115.html
Jest: Opel Astra J SportsTourer 2014 Cosmo+ 1.4 16V Turbo 120KM Suzuki Grand Vitara FT 2004 2.0 16V 128KM
|
|
| Góra |
|
 |
|
fizzmann |
#845672 Wysłany:
31 Sty 2019, 19:10; Temat postu: Re: Instalacja przeciwmgielnych przednich. |
|
 |
| Sympatyk kropek |
Imię: Łukasz
Samochód: Punto 2012
Silnik: 1.4 8V 77KM
Paliwo: Benzyna
Wersja: Lounge
Województwo: dolnośląskie [D]
Rejestracja: 27 Lis 2018, Posty: 9
|
|
Szukam... i znaleźć nie mogę....
Aktywowałem jeszcze doświetlanie zakrętów, ale nie mogę doszukać się sygnału z BodyCompa, z opisów od GP wypada na PIN 3 w złączu BC, niestety nie u mnie. domyślam się że pewnie dwa halogeny mają chyba osobne wyzwolenia, tylko gdzie?
W ostateczności pod kontrolkę się podepnę...
|
|
| Góra |
|
 |
|
autofan |
#845674 Wysłany:
31 Sty 2019, 21:30; Temat postu: Re: Instalacja przeciwmgielnych przednich. |
|
 |
| Puntoświr |
Imię: Krzysiek
Samochód: Grande Punto 3d
Silnik: 1.4 8V 77KM
Paliwo: Benzyna
Wersja: Energy
Województwo: pomorskie [G]
Rejestracja: 06 Lis 2007, Posty: 1009 Pomógł: 20
|
|
Ze schematów do GP (2005-08) wynika, że aby dołożyć halogeny to należy podpiąć się do skrzynki bezpieczników w komorze silnika, połączenie między BC a tą skrzynką już jest, podobnie jak między licznikiem. Niestety ale w moim elearn mam tylko do tej najstarszej wersji GP schematy. Jeśli nie możesz znaleźć w necie elerna ze schematami spróbuj poprosić w ASO o wydruk tej strony z połączeniami halogenów i będziesz miał wszystko jasne. Wiem też że magiki elektroniki mają jakieś programy z bazą schematów do różnych aut. Opcja podpięcia się pod kontrolkę jest błędna a w praktyce możliwe że nie wykonalna bo dzieje się to za pomocą sygnałów linii CAN.
_________________ Fiat Grande Punto 1.4 8V 77km, Energy, 3 dzwiowy, szary jungle.
|
|
| Góra |
|
 |
|
KUBAS_95 |
#845676 Wysłany:
31 Sty 2019, 23:37; Temat postu: Re: Instalacja przeciwmgielnych przednich. |
|
 |
| Mr.Cleaner |
 |
Imię: Kuba
Samochód: Inny
Silnik: Inny
Paliwo: Benzyna
Województwo: łódzkie [E]
Miejscowość: Rawa Mazowiecka Rejestracja: 14 Paź 2015, Posty: 1092 Pomógł: 1
|
Do doświetlania potrzebny jest moduł z tego co wiem. Schemat z GP może się różnić, lepiej celować w Evo/P2012. Co do ASO, nie do końca chcą dawać schematy, bo to dla nich dane wrażliwe i przynajmniej w okolicy Łodzi, jest z tym duży problem. Ja już nie pamiętam dokładnie który bezpiecznik i przekaźnik odpowiada za halogeny. topic52942-25.htmltu masz co nie co o przeciwmgłowych, sam tutaj pisałem i w oparciu o dane z tego posta je dołożyłem, wiedziałem czego szukać. Oby i Tobie pomogło.
_________________ Było: Seicento MY2004 Acutal Blue Cocktail 1.1 54KM Punto MY2012 2014 Easy Grigio Intellettuale 1.2 69KM http://fiatpunto.com.pl/topic53327.html Grande Punto 2007 Dynamic Grigio Pessimo Umore 1.4 77KM http://fiatpunto.com.pl/topic61115.html
Jest: Opel Astra J SportsTourer 2014 Cosmo+ 1.4 16V Turbo 120KM Suzuki Grand Vitara FT 2004 2.0 16V 128KM
|
|
| Góra |
|
 |
|
fizzmann |
#845689 Wysłany:
03 Lut 2019, 10:04; Temat postu: Re: Instalacja przeciwmgielnych przednich. |
|
 |
| Sympatyk kropek |
Imię: Łukasz
Samochód: Punto 2012
Silnik: 1.4 8V 77KM
Paliwo: Benzyna
Wersja: Lounge
Województwo: dolnośląskie [D]
Rejestracja: 27 Lis 2018, Posty: 9
|
no i doszedłem do połowy prac  Pin 4 z BC ze złącza a załącza halogen prawy, działa to przy aktywowanej opcji corner light (działa na kierunkowskaz i na ruch kierownicy w prawo), jak narzazie wyłączyłem tą funkcję i podpiąłem oba halogeny pod to wejście wzbudzenia. może ktoś ma schemat od BSI po 2014 roku, nie mogę znaleźć działającej auto-daty albo jakiegoś eLearna. Pozdrawiam [ Dodano: 01 Lut 2019, 17:40 ]Cytuj: Do doświetlania potrzebny jest moduł z tego co wiem. Wynika na to, że u mnie nie wystarczy aktywacja tej funkcji przez AlfaOBD w MESie nie ma tej opcji. i pin 4 z BC steruje prawym halo. [ Dodano: 03 Lut 2019, 09:04 ]Kod: Nadwozie (BCM) Body Computer Delphi (199) MY09 ISO Code: 40 83 51 08 F1 Znalezione błędy: B1027 - Czujnik temp. powietrza zewnętrznego B1032 - Poziom płynu hamulcowego U0001 - C-CAN B1053 - Polecenie wyłącznika bezwładnościowego do węzła sterowania silnika (FIS) B1010 - Styk pedału hamulca B1008 - Kierunkowskazy (prawe) B1022 - Światła pozycyjne przednie lub lewe U1739 - Czujnik akumulatora (IBS) U1701 - Sterowanie silnika (NCM) B1047 - Linia szeregowa LIN U1706 - Węzeł układu hamulcowego (NFR) B1007 - Kierunkowskazy (lewe) B1025 - Sterowanie świateł drogowych U1702 - Elektryczna przekładnia kierownicza (NGE) B1024 - Przekaźnik świateł p/mgłowych (prawe) po odpięciu wtyczki gniazda B w BC wywalało takie błędy, widocznie przekaźnik lewy jest w innej kości ale bez schematu ani rusz
|
|
| Góra |
|
 |
|
KUBAS_95 |
#845719 Wysłany:
03 Lut 2019, 11:17; Temat postu: Re: Instalacja przeciwmgielnych przednich. |
|
 |
| Mr.Cleaner |
 |
Imię: Kuba
Samochód: Inny
Silnik: Inny
Paliwo: Benzyna
Województwo: łódzkie [E]
Miejscowość: Rawa Mazowiecka Rejestracja: 14 Paź 2015, Posty: 1092 Pomógł: 1
|
|
Ja nie mam w ogóle bladego pojęcia gdzie to może być, bo u mnie wiązka od zderzaka do body była razem z przekaźnikiem i bezpiecznikami, natomiast nie było przewodu od body do przełącznika w desce rozdzielczej, wystarczyło ten przewód dołożyć i hula. Doświetlania nie potrzebuję prawdę mówiąc. A dołożenie tego przewodu zrobił elektryk w ASO za 150zł i cały problem miałem z głowy.
_________________ Było: Seicento MY2004 Acutal Blue Cocktail 1.1 54KM Punto MY2012 2014 Easy Grigio Intellettuale 1.2 69KM http://fiatpunto.com.pl/topic53327.html Grande Punto 2007 Dynamic Grigio Pessimo Umore 1.4 77KM http://fiatpunto.com.pl/topic61115.html
Jest: Opel Astra J SportsTourer 2014 Cosmo+ 1.4 16V Turbo 120KM Suzuki Grand Vitara FT 2004 2.0 16V 128KM
|
|
| Góra |
|
 |
|
fizzmann |
#845721 Wysłany:
03 Lut 2019, 12:47; Temat postu: Re: Instalacja przeciwmgielnych przednich. |
|
 |
| Sympatyk kropek |
Imię: Łukasz
Samochód: Punto 2012
Silnik: 1.4 8V 77KM
Paliwo: Benzyna
Wersja: Lounge
Województwo: dolnośląskie [D]
Rejestracja: 27 Lis 2018, Posty: 9
|
|
no jak narazie szukam schematu instalacji i znalazłem w autodacie jest opis w Punto2012 są dwa przekaźniki lewy i prawy ;> prawy mam zajęty tylko nie wiem przez co ;>
|
|
| Góra |
|
 |
|
lach.andrzejp |
#846648 Wysłany:
01 Sie 2019, 15:16; Temat postu: Re: Instalacja przeciwmgielnych przednich. |
|
 |
| Puntoświr |
Imię: Andrzej
Samochód: Doblo
Silnik: 1.3 70KM mJTD
Paliwo: ON
Województwo: mazowieckie [W]
Miejscowość: Warszawa Rejestracja: 09 Mar 2019, Posty: 114
|
|
Zaczekaj do poniedziałku wyślę ci bo jestem w trakcie. Zgadza się sterownik cornering jest w body. Są dwa przekaźniki sterowane osobno. W skrzynce ezpiecznikow pod maską t14 patrząc od przodu po prawej na dole. Reszta w poniedzialek Drugi przekaźnik jest oznaczony jako J41 ale nie wiem gdzie od jest, może w osobnej obudowie. Nie mam jak sprawdzić. Może pomoże ktoś kto ma doświetlanie zakrętów
[ Dodano: 18 Mar 2019, 16:44 ]
W body M001 B4 sterowanie prawego halogenu B46 sterowanie lewego halogenu
[ Dodano: 01 Sie 2019, 14:16 ]
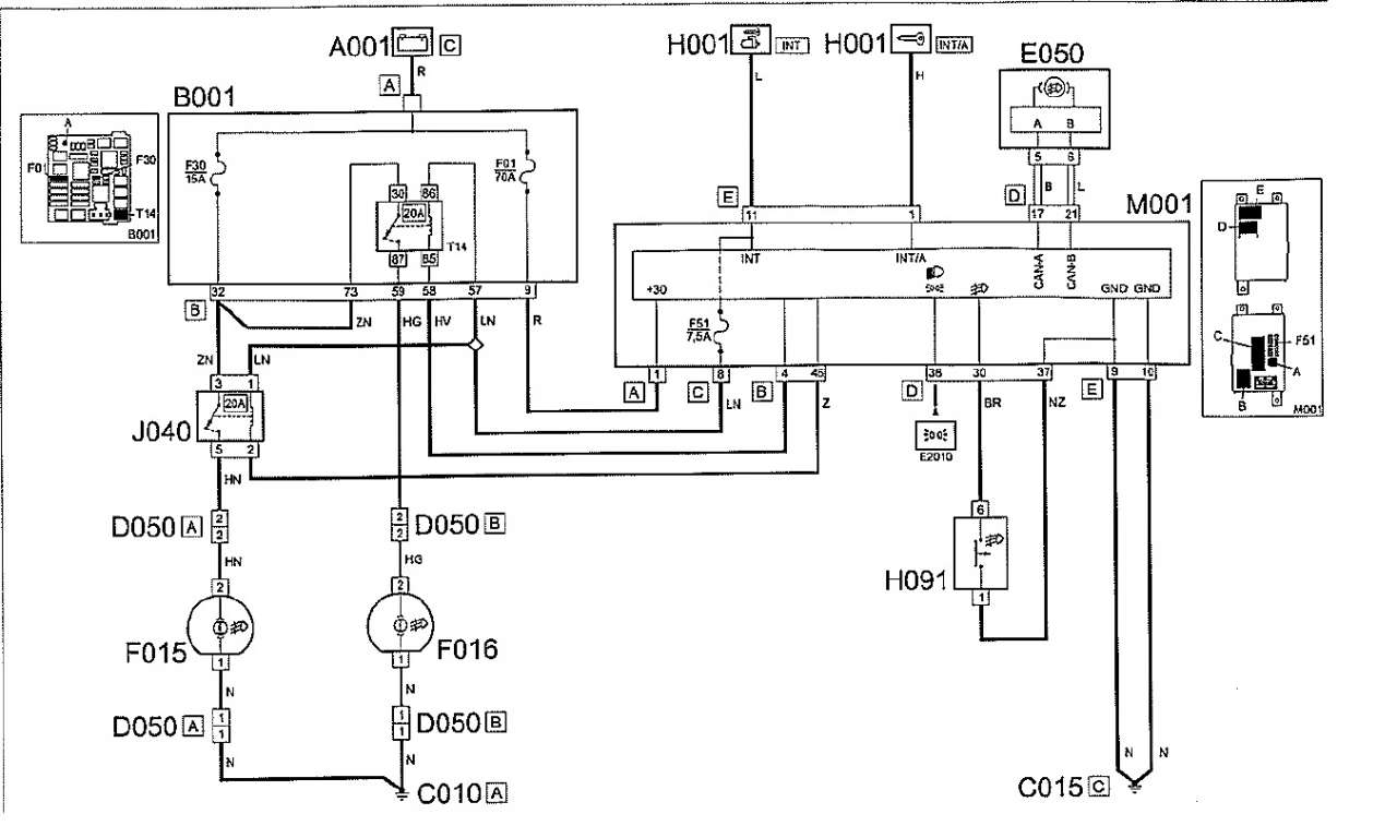
Skończyłem montaż halogenów i działają. Tak jak u kolegi Fizzmann po aktywacji świateł p/mgielnych zaczyna działać kontrolka w liczniku. Wyskakuje błąd brak przekaźnika prawego halogenu. Położyłem jak na schemacie trzy przewody sterujące dwoma osobnymi przekaźnikami - t14 jest w skrzynce, a J40 poza (na niemieckim forum znalazłem,że obok akumulatora - taki sam jak do wiatraka w chłodnicy). Pin 8 we wtyczce B jest wykorzystany i wystarczy się wczepić w przewód. Podłączyłem bezpiecznik tak jak na schemacie do przekaźników. Przekaźnik J40 wziąłem z seicento z komory silnika bo tam jest z podstawką. Wszystko ładnie działa. Chciałem mieć cornering więc go aktywowałem, ale nic to nie dało - nie reaguje na ruch kierownicą. Na swoim przypadku stwierdziłem, że trzeba było spiąć halogeny na jednym przekaźniku przynajmniej wszystko byłoby w skrzynce. Jeśli ktoś ma u siebie cornering czy jest w stanie napisać czy po wyjęciu przekaźników wyświetla błędy osobne dla lewego i prawego halogenu? Ewentualnie czy jest szansa na podesłanie zrzutu ustawień konfiguracji Body Komputera?
| Załączniki: |
Komentarz do pliku: Schemat halogenów Punto 2012
IMG_20190318_164204.jpg [ 63.91 KiB | Obejrzany 23749 razy ]
|
Komentarz do pliku: Przekaźnik i bezpiecznik halogenów
20160227_223707.jpg [ 108.78 KiB | Obejrzany 23794 razy ]
|
|
|
| Góra |
|
 |
|
kris84 |
#849979 Wysłany:
27 Wrz 2019, 20:01; Temat postu: Re: Instalacja przeciwmgielnych przednich. |
|
 |
| Puntoświr |
Imię: Krzych
Samochód: Grande Punto 3d
Silnik: 1.3 90KM mJTD
Paliwo: ON
Wersja: Sporting
Województwo: śląskie [S]
Miejscowość: Tarnowskie Góry Rejestracja: 06 Lut 2012, Posty: 814 Pomógł: 11
|
|
Cornering moze byc zwiazny z zastosowanym w aucie silnikiem wspomagania kierownicy. Na przykladzie GP, wiem ze w zaleznosci od tego czy auto ma ESP/ASR czy tez nie, te silniki są rózne. W tych biedniejszych wersjach elektronika nie pdoaje na linie CAN informacji o kacie skretu i tutaj moze byc zgrzyt. Nie mniej, to tylko moje domysly bazujace na doswiadczeniu z GP.
|
|
| Góra |
|
 |
|
lach.andrzejp |
#850015 Wysłany:
29 Wrz 2019, 19:23; Temat postu: Re: Instalacja przeciwmgielnych przednich. |
|
 |
| Puntoświr |
Imię: Andrzej
Samochód: Doblo
Silnik: 1.3 70KM mJTD
Paliwo: ON
Województwo: mazowieckie [W]
Miejscowość: Warszawa Rejestracja: 09 Mar 2019, Posty: 114
|
|
Kąt skrętu u mnie da się odczytac. Może trzeba aktywować front fog light strategy. Widziałem to w alfaobd ale nic nie dało. Najlepiej dorwać autko co ma cornerig i odczytać ustawienia
|
|
| Góra |
|
 |
|
zensuperman |
#853710 Wysłany:
16 Sie 2020, 12:45; Temat postu: Re: Instalacja przeciwmgielnych przednich. |
|
 |
| Puntomaniak |
Imię: Zenek
Samochód: Punto Evo 5d
Silnik: 1.4 8V 77KM
Paliwo: Benzyna
Wersja: Active
Województwo: mazowieckie [W]
Rejestracja: 13 Paź 2017, Posty: 52
|
|
Odgrzeję temat. Czy komuś udało się aktywować Doświetlanie zakrętów?. Ja dorobiłem instalację aktywowałem MESem światła przeciwmgłowe. Przeciwgłowe działają dobrze. Później poprzez AlfaOBD udało mi się włączyć w menu samochodu "światła cornerring", ale przestawianie na "ON" czy "OFF" nic nie daje , nie włącza halogenu, ani przy skręcie, ani przy kierunku. Schemat instalacji uzyskałem od ASO, żadnego dodatkowego modułu na nie ma. Jeśli komuś działa doświetlanie zakrętów niech się podzieli tą informacją, jak to zrobił.
|
|
| Góra |
|
 |
|
kris84 |
#853711 Wysłany:
16 Sie 2020, 13:03; Temat postu: Re: Instalacja przeciwmgielnych przednich. |
|
 |
| Puntoświr |
Imię: Krzych
Samochód: Grande Punto 3d
Silnik: 1.3 90KM mJTD
Paliwo: ON
Wersja: Sporting
Województwo: śląskie [S]
Miejscowość: Tarnowskie Góry Rejestracja: 06 Lut 2012, Posty: 814 Pomógł: 11
|
|
Wrzuć ten schemat, popatrzymy co i jak jest podłączone.
|
|
| Góra |
|
 |
|
zensuperman |
#853724 Wysłany:
23 Sie 2020, 22:23; Temat postu: Re: Instalacja przeciwmgielnych przednich. |
|
 |
| Puntomaniak |
Imię: Zenek
Samochód: Punto Evo 5d
Silnik: 1.4 8V 77KM
Paliwo: Benzyna
Wersja: Active
Województwo: mazowieckie [W]
Rejestracja: 13 Paź 2017, Posty: 52
|
|
schemat wszyscy mają ten sam.
[ Dodano: 17 Sie 2020, 23:10 ]
przeanalizowałem numery VIN z doświetlaniem zakrętów w ePER. Body Computer jest taki sam, ale różnica jest w Wałku Kolumny Kier. Elektr. czyli popularnie zwanym "wspomaganiem kierownicy". Istnieją modele wspomagania 097 - ze światłami przeciwmgłowymi i !097 - bez świateł przeciwmgłowych. We Wspomaganiu kierownicy jest dodatkowy czujnik skrętu który chyba aktywuje Doświetlanie zakrętów. Cała zagadka się chyba rozwiązała. Wspomagania, które działają z Cornering Lights to: 51863959, 51888054, 51892262, 51892280, 51927085
[ Dodano: 23 Sie 2020, 22:23 ]
W związku iż nie będę wymieniał wspomagania tylko po to aby działało doświetlanie zakrętów, zredukuję przeciwmgielne do 1 przekaźnika. Chcę go wstawić w oryginalne miejsce przekaźnika T14. Czy wie ktoś jakie konektory pasują do skrzynki bezpieczników/przekaźników Fiata??? Standardowe wsuwki J 6,3 i J 4,8 nie pasują do Fiatowskiej skrzynki. Próbowałem wypiąć konektory z sąsiedniego gniazda aby zobaczyć jak wyglądają , ale mi się nie udało. Jak ktoś wie jakie to konektory niech napisze, ewentualnie zdjęcie wrzuci.
| Załączniki: |
fog_punto.jpg [ 86.73 KiB | Obejrzany 20739 razy ]
|
|
|
| Góra |
|
 |
|
lach.andrzejp |
#853791 Wysłany:
25 Sie 2020, 22:41; Temat postu: Re: Instalacja przeciwmgielnych przednich. |
|
 |
| Puntoświr |
Imię: Andrzej
Samochód: Doblo
Silnik: 1.3 70KM mJTD
Paliwo: ON
Województwo: mazowieckie [W]
Miejscowość: Warszawa Rejestracja: 09 Mar 2019, Posty: 114
|
|
Ja użyłem ze skrzynki bezpieczników od Seicento bo akurat miałem. W Seicento są przekaźniki w podstawce przy lewym amortyzatorze ale jak jesteś w stanie poczekać do wtorku za tydzień to mogę ci coś takiego wysłać. W Evo skrzynka w komorze silnika jest bardzo wredna do modyfikowania.
|
|
| Góra |
|
 |
|
zensuperman |
#853840 Wysłany:
31 Sie 2020, 18:53; Temat postu: Re: Instalacja przeciwmgielnych przednich. |
|
 |
| Puntomaniak |
Imię: Zenek
Samochód: Punto Evo 5d
Silnik: 1.4 8V 77KM
Paliwo: Benzyna
Wersja: Active
Województwo: mazowieckie [W]
Rejestracja: 13 Paź 2017, Posty: 52
|
|
Jestem zainteresowany, szczegóły pisz na priv.
|
|
| Góra |
|
 |
|
puntoevodynamic |
#853844 Wysłany:
01 Wrz 2020, 09:52; Temat postu: Re: Instalacja przeciwmgielnych przednich. |
|
 |
| Puntoświr |
Imię: Krzysiek
Samochód: Punto Evo 5d
Silnik: Inny
Paliwo: ON
Wersja: Dynamic
Województwo: mazowieckie [W]
Rejestracja: 15 Wrz 2014, Posty: 205 Pomógł: 7
|
|
Szanowni Koledzy mam Punto Evo w wersji z doświetlaniem zakrętów. Ponadto posiadam wymontowane wspomaganie z tą opcją bo zamieniałem na wersję ASR i ESP. Możemy się spotkać na próby. W przypadku zainteresowania proszę o info na priv.
_________________ MOJE PUNTO EVO: doposażony o klimatyzację automatyczną z grzałką PTC, tylne szyby elektryczne, tylne hamulce tarczowe, czujnik deszczu, ASR, ESP, HH, boczne poduszki powietrzne i kurtyny, Pwr 115, 3 KM, Tq 255,2 Nm http://fiatpunto.com.pl/topic54732.html
|
|
| Góra |
|
 |
|
Strona 1 z 1
|
[ 17 posty(ów) ] |
|
|
Nie możesz zakładać nowych tematów na tym forum Nie możesz odpowiadać w tematach na tym forum Nie możesz edytować swoich postów na tym forum Nie możesz usuwać swoich postów na tym forum Nie możesz dodawać załączników na tym forum
|
|