|
Obecny czas: 10 Sty 2026, 05:55
|
Zobacz posty bez odpowiedzi | Zobacz aktywne tematy
|
Strona 1 z 1
|
[ 7 posty(ów) ] |
|
| Autor |
Wiadomość |
|
ziutek997 |
#583548 Wysłany:
23 Maj 2012, 22:08; Temat postu: Schematy elektryczne |
|
 |
| Puntoświr |
 |
Imię: Paweł
Samochód: Punto Evo 3d
Silnik: 1.2 8V 69KM
Paliwo: Benzyna + LPG
Województwo: śląskie [S]
Miejscowość: Gliwice Rejestracja: 27 Lut 2012, Posty: 502 Pomógł: 2
|
Witam Może ktoś z forumowych kolegów/koleżanek dysponuje schematami do Punto 2 FL?? Nie jest mi w tym momencie potrzebne nic konkretnego, ale nie wiadomo kiedy może się przydać, dlatego proponuję, że jeśli ktoś ma jakieś schematy to niech je zamieszcza w tym temacie. Jeżeli znajdą się jakieś schematy może warto też pomyśleć nad przyklejeniem tego tematu.
|
|
| Góra |
|
 |
|
|
|
Qbass |
#583572 Wysłany:
23 Maj 2012, 23:02; Temat postu: Re: Schematy elektryczne |
|
 |
| Puntoświr |
 |
Imię: Jakub
Samochód: Inny Fiat
Silnik: 1.4 16V 120KM
Paliwo: Benzyna
Wersja: Easy
Województwo: kujawsko-pomorskie [C]
Miejscowość: Toruń Rejestracja: 06 Cze 2010, Posty: 573 Pomógł: 8
|
|
| Góra |
|
 |
|
ziutek997 |
#583586 Wysłany:
23 Maj 2012, 23:31; Temat postu: Re: Schematy elektryczne |
|
 |
| Puntoświr |
 |
Imię: Paweł
Samochód: Punto Evo 3d
Silnik: 1.2 8V 69KM
Paliwo: Benzyna + LPG
Województwo: śląskie [S]
Miejscowość: Gliwice Rejestracja: 27 Lut 2012, Posty: 502 Pomógł: 2
|
|
Trafiłem na schematy elektryczne do 1.2 i 1.3mj ale opisy są chyba po hiszpańsku czy coś w tym stylu... Jutro postaram się coś z tego zamieścić.
|
|
| Góra |
|
 |
|
Qbass |
#584190 Wysłany:
28 Maj 2012, 17:05; Temat postu: Re: Schematy elektryczne |
|
 |
| Puntoświr |
 |
Imię: Jakub
Samochód: Inny Fiat
Silnik: 1.4 16V 120KM
Paliwo: Benzyna
Wersja: Easy
Województwo: kujawsko-pomorskie [C]
Miejscowość: Toruń Rejestracja: 06 Cze 2010, Posty: 573 Pomógł: 8
|
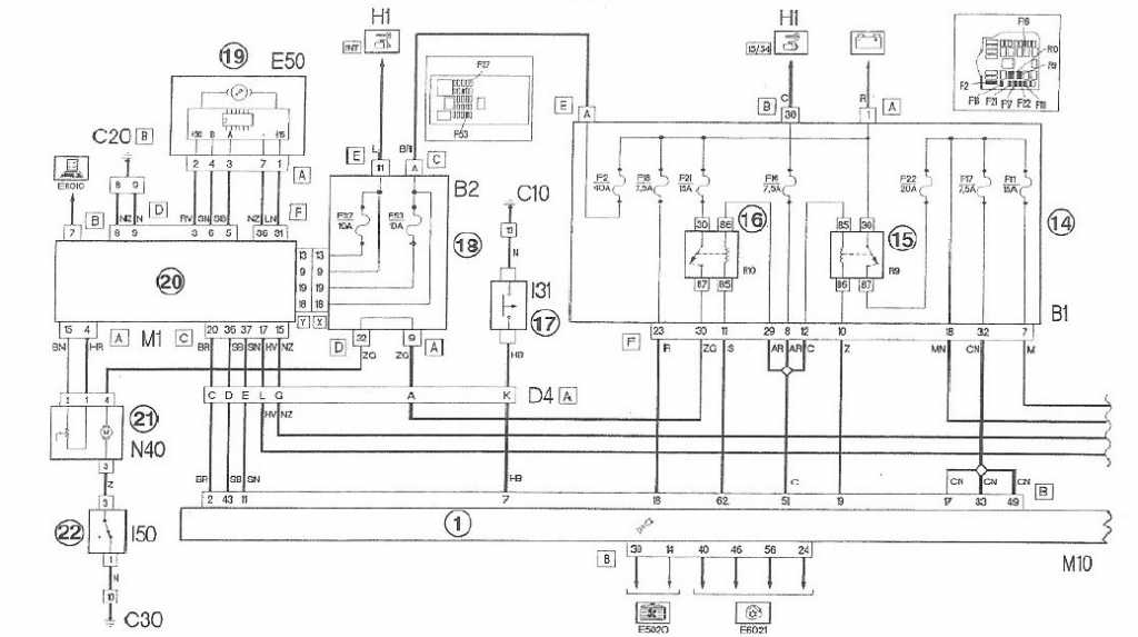
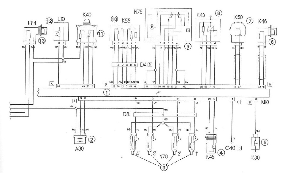
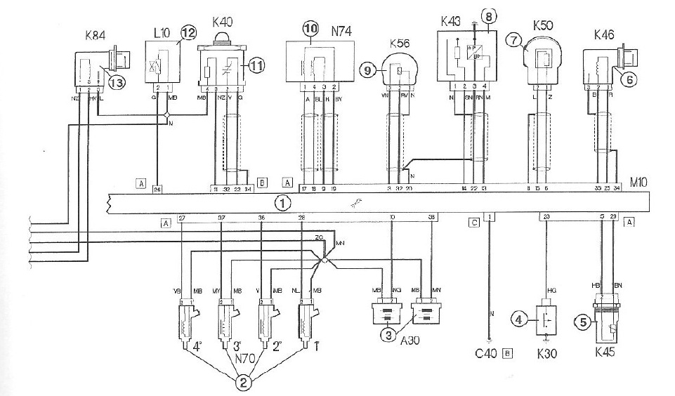
co prawda od punta II ale raczej niema zmian [ Dodano: 25 Maj 2012 21:42 ]informacje zapożyczone z książki "Punto II-sam naprawiam" WKŁ Autor postu otrzymał pochwałę
| Załączniki: |
opis3.jpg [ 112.72 KiB | Obejrzany 11821 razy ]
|
schem4.jpg [ 126.39 KiB | Obejrzany 11821 razy ]
|
schem3.jpg [ 131.03 KiB | Obejrzany 11821 razy ]
|
opis2.jpg [ 55.68 KiB | Obejrzany 11821 razy ]
|
opis.jpg [ 55.57 KiB | Obejrzany 11822 razy ]
|
schem2.jpg [ 140.99 KiB | Obejrzany 11822 razy ]
|
schem1.jpg [ 56.08 KiB | Obejrzany 11822 razy ]
|
_________________ BYŁO Punto II FL 1,2 8V 5D BYŁO Stilo MW 1,9 150KM MODE BY CINSOFT BYŁO Seicento 1,1 BYŁO Punto II FL 1,2 8v 5D Niebieska strzała JEST Grande Punto 1,2 8v 3D Czarny gruz JEST Tipo HB 1,4 16V 120 KM DARMOWA DIAGNOSTYKA PI,PII,PIIFL,GP
| Ostatnio edytowany przez oko21 28 Maj 2012, 17:05, edytowano w sumie 2 razy |
| Ok ;) |
|
|
| Góra |
|
 |
|
maras11111 |
#847520 Wysłany:
03 Maj 2019, 10:51; Temat postu: Re: Schematy elektryczne |
|
 |
| Sympatyk kropek |
Imię: Marek
Samochód: Punto II 5d
Silnik: 1.3 70KM mJTD
Paliwo: ON
Wersja: SX
Województwo: pomorskie [G]
Rejestracja: 03 Maj 2019, Posty: 9
|
Witam do czego jest ta wtyczka pod głośnikiem ?? [https://www.fotosik.pl/zdjecie/usun/oA89xHRSnna4pzLXuFsRckp0GgySHh][/img] 
|
|
| Góra |
|
 |
|
domin45670 |
#847521 Wysłany:
03 Maj 2019, 10:52; Temat postu: Re: Schematy elektryczne |
|
 |
| Przyjaciel |
 |
Imię: Dominik
Samochód: Punto II 3d
Silnik: 1.2 16V 80KM
Paliwo: Benzyna
Wersja: Active
Województwo: śląskie [S]
Miejscowość: Katowice Rejestracja: 25 Maj 2008, Posty: 14403 Pomógł: 128
|
|
Lampka oświetlenia bagażnika.
_________________ PII 1.2 16v 3D Active 2002r. 141 000 km GRIGIO STEEL Gorąca Szesnastka Club
|
|
| Góra |
|
 |
|
maras11111 |
#847530 Wysłany:
03 Maj 2019, 13:28; Temat postu: Re: Schematy elektryczne |
|
 |
| Sympatyk kropek |
Imię: Marek
Samochód: Punto II 5d
Silnik: 1.3 70KM mJTD
Paliwo: ON
Wersja: SX
Województwo: pomorskie [G]
Rejestracja: 03 Maj 2019, Posty: 9
|
dzieki 
|
|
| Góra |
|
 |
|
Strona 1 z 1
|
[ 7 posty(ów) ] |
|
|
Nie możesz zakładać nowych tematów na tym forum Nie możesz odpowiadać w tematach na tym forum Nie możesz edytować swoich postów na tym forum Nie możesz usuwać swoich postów na tym forum Nie możesz dodawać załączników na tym forum
|
|